SitaSani® DN 125
wpust modernizacyjny
Atrybuty
Numer artykułu
102709
Przyłącze
Sikaplan 15G-Kołnierz
Normy
PN-EN 1253-2
Wersja
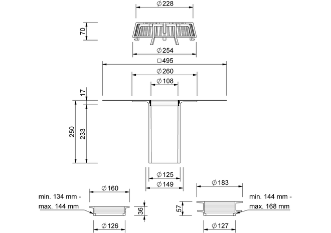
250 mm
Średnica zewnętrzna OD (mm)
125 mm
Długość króćca
233 mm
Wysokość górnej części
17 mm
Średnica wewnętrzna górnej części
108 mm
Odporność temperaturowa min.
-40 °C
Odporność temperaturowa maks.
80 °C
Klasa odporności ogniowej
Euroklasa E / B2 normalnie palne
Zabezpieczenie przed zatorami w przypadku średnic wewnętrznych przeznaczonych do renowacji od–do (mm) z wargowym pierścieniem uszczelniającym
134 - 144
Zabezpieczenie przed zatorami w przypadku średnic wewnętrznych przeznaczonych do renowacji od–do (mm) z profilowanym pierścieniem uszczelniającym
140 - 168
Rozwiązanie problemu dzięki długiemu króćcowi przyłączeniowemu i pierścieniowi uszczelniającemu. Umożliwia przejście przez istniejące warstwy dachu do zamontowanego wpustu dachowego lub orurowania. Wpusty dachowe tej serii, odpowiednie do prawie każdego produktu, rozwiązują niemalże wszystkie zadania związane z renowacją. W zależności od występujących średnic wewnętrznych stosowane są poszczególne pierścienie uszczelniające. Fabrycznie montowany stały kołnierz przyłączeniowy zapewnia jednolite przyłącze do uszczelnienia dachowego.












