SitaCarport
wpust do wiat
- Produkty
SitaCarport
wpust do wiat
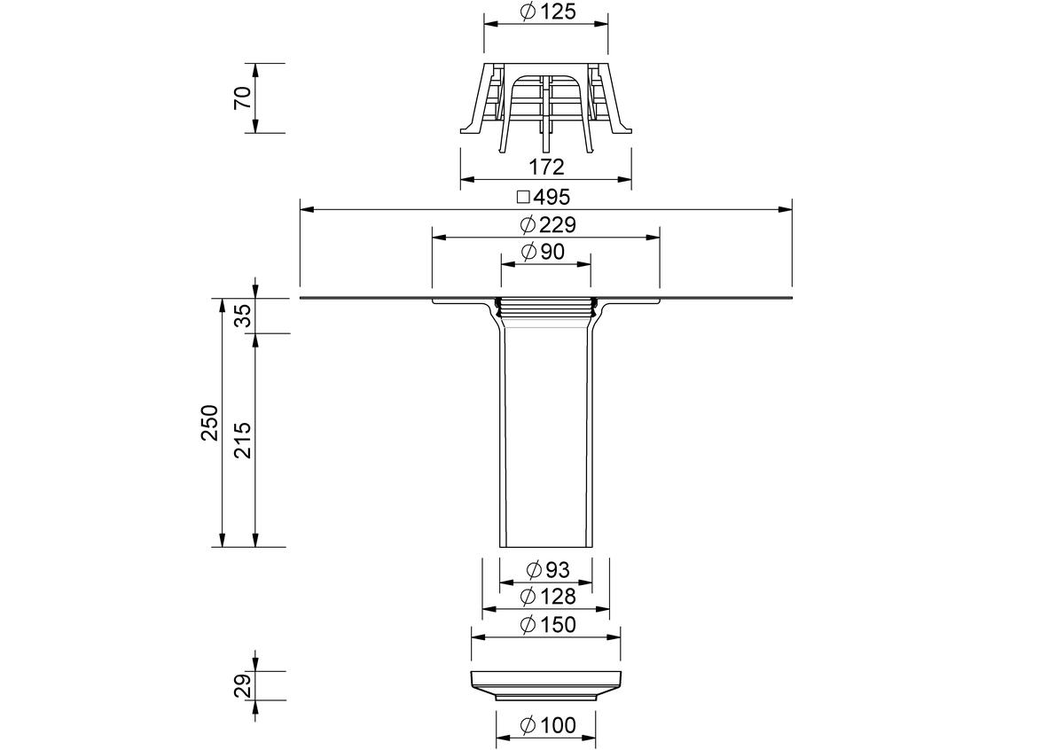
| Średnica nominalna DN | Średnica zewnętrzna OD (mm) | Przejście / otwór roboczy (mm) |
|---|---|---|
| 95 | 93 | 128 |
Tekst wykonania
Przykłady instalacji
SitaCarport wpust do wiat parkingowych, z poliuretanu, izolacja cieplna, wydajność odpływu 4,0 l/s przy wysokości spiętrzenia 35 mm, z dużym wbudowanym fabrycznie kołnierzem przyłączeniowym (495 x 495 mm) do jednolitego połączenia uszczelnienia dachowego, z pierścieniem mocującym dla dodatkowego zabezpieczenia kołnierza przyłączeniowego oraz mocowania koszyka żwirowego, z koszykiem żwirowym i miedzianą lub cynkową pokrywą rury stojakowej do podłączenia do rury spustowej wg PN EN 612, 6-częściowy. Element dostarczany gotowy do montażu.
Wybór artykułu












