SitaSani® DSS DN 160
Sanierungsgully
Eigenschaften
Normen
DIN EN 1253-2
Artikelnummer
106142
Anschluss
Elevate UltraPly grau-Manschette
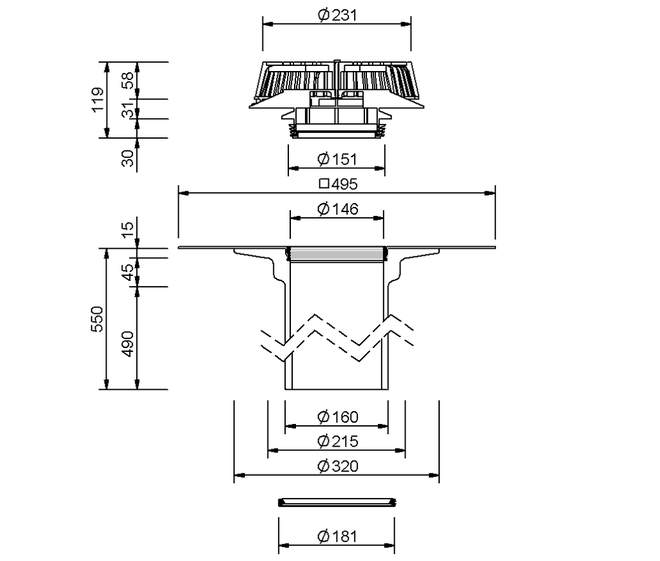
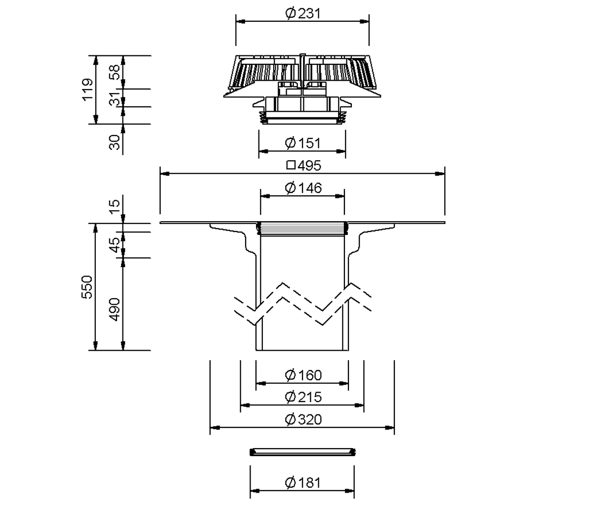
Außendurchmesser OD (mm)
160 mm
Stutzenlänge
490 mm
Topfhöhe
60 mm
Topfinnendurchmesser
146 mm
Temperaturbeständigkeit min.
-20 °C
Temperaturbeständigkeit max.
80 °C
Baustoffklasse
Euroklasse E / B2 normal entflammbar
SitaSani DSS mit bewährter Wunschanschlussmanschette oder Schraubflansch-Konstruktion und SitaAirstop mit Kiesfang. Zur Sanierung von bestehenden Druckströmungsgullys mit einem Topfdurchmesser von 160 mm. Ein Ausbau der vorhandenen Gullys ist hierbei nicht erforderlich, wenn eine Funktionstüchtigkeit der bestehenden Dichtungen nach eigenverantwortlicher Prüfung vorhanden ist.
+













