SitaStandard
Freispiegelgully
- Produkte
SitaStandard
Freispiegelgully
| Nennweite DN | Außendurchmesser OD (mm) | Durchbruch / Kernbohrung (mm) |
|---|---|---|
| 70 / 100 | 75 | 250 |
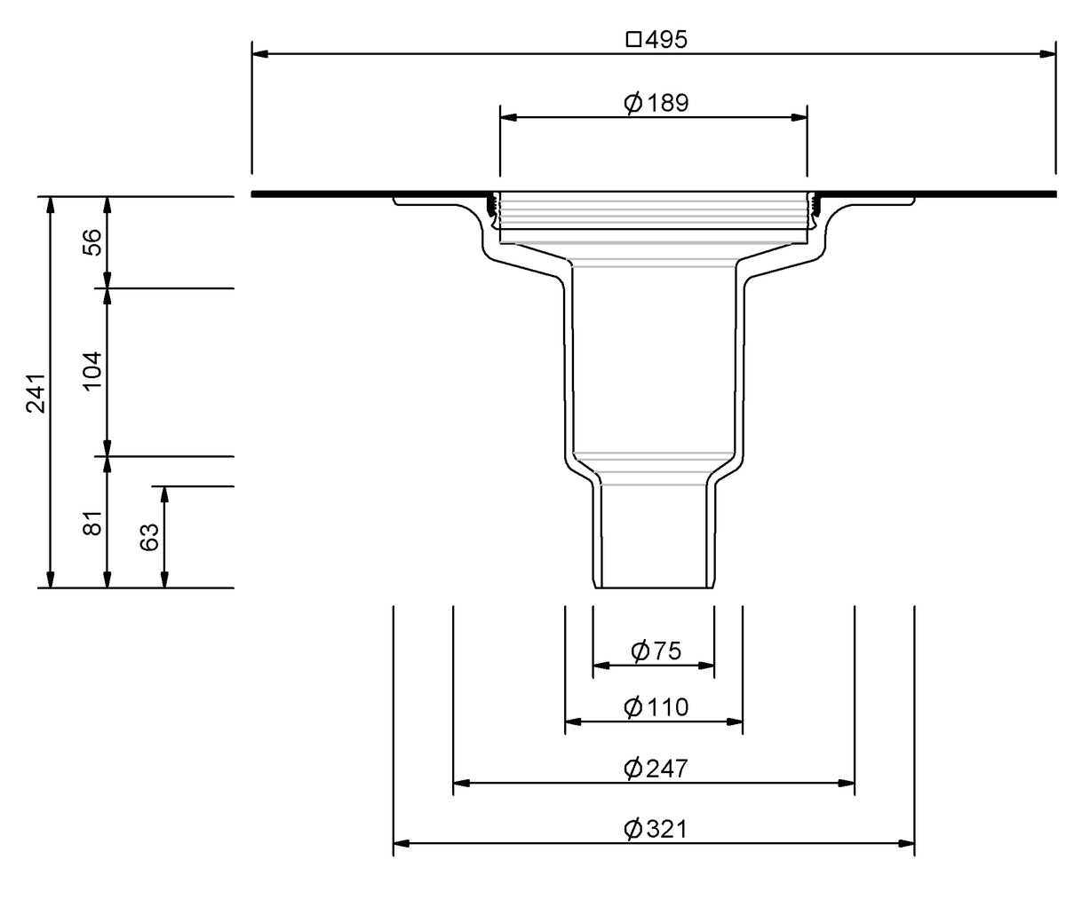
SitaStandard Stufengully senkrecht ohne Kiesfang, aus Polyurethan, wärmegedämmt, nach DIN EN 1253-2, in der Nennweite DN 70 und DN 100. Abflussmenge 7,0 l/s und 7,5 l/s bei 35 mm Stauhöhe. Zum direkten Anschluss an Rohre mit Steckmuffe, zur Freispiegelentwässerung, mit großer eingeschäumter Wunschanschlussmanschette (495 mm x 495 mm) passend zur Dachabdichtung und mit Fixierring zur zusätzlichen Sicherung der Anschlussmanschette, liefern und fachgerecht einbauen.
|
Stauhöhe (mm) | ||||||||||||||||||||
|---|---|---|---|---|---|---|---|---|---|---|---|---|---|---|---|---|---|---|---|---|
| Nennweite DN | 5 | 10 | 15 | 20 | 25 | 30 | 35 | 40 | 45 | 50 | 55 | 60 | 65 | 70 | 75 | 80 | 85 | 90 | 95 | 100 |
| 70/100 | 0.7 | 1.8 | 2.8 | 4 | 5.2 | 6.4 | 7.5 | 8.7 | 9.8 | 11.1 | 12.4 | 13.8 | 15.2 | 15.2 | 15.2 | 15.2 | 15.2 | 15.2 | 15.2 | 15.2 |
SitaStandard Stufengully mit SitaStandard Aufstockelement im nicht belüfteten Dachaufbau
2 SitaStandard Dämmkörper Aufstockelement
SitaStandard Aufstockelement bestehend aus:
3.1 Winkeldichtring
3.2 Grundkörper mit Wunschanschlussmanschette
SitaGreen Gründachschacht bestehend aus:
4.1 Gitterrost
4.2 Grundkörper
4.3 höhenverstellbare Gummimetallpuffer
5 SitaPipe Edelstahl Sicherungsschelle
6 SitaPipe Edelstahl Rohr
7 SitaAttika Fassaden-Abdeckplatte
- Dachbegrünung nach Systemanbieter
- Filtervlies
- Drainagematte
- Bautenschutzmatte
- Abdichtung
- Wärmedämmung
- Dampfsperre
- Unterkonstruktion
| SitaStandard | Artikel Nr. | |||
|---|---|---|---|---|
Stufengully ohne Kiesfang | ||||
| DN 70 / 100 | Bitumen-Manschette | OK103000 | Zum Produkt | |
| DN 70 / 100 | PVC weich-Manschette | OK103010 | Zum Produkt | |
| DN 70 / 100 | Wolfin IB-Manschette | OK103020 | Zum Produkt |
Gewünschte Anschlussmanschette nicht gefunden? Wir helfen gerne weiter +49 2522 - 83 40-140!













