SitaIndra
Attikagully ohne Kiesfang
| Nennweite DN | Außendurchmesser OD (mm) | a (mm) |
|---|---|---|
| 70 | 75 | 520 |
| 70 | 75 | 1020 |
| 70 | 75 | 1520 |
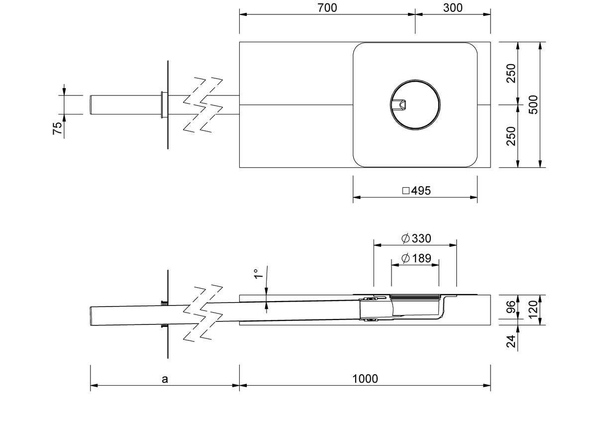
SitaIndra ohne Kiesfang, abgewinkelt, aus Polyurethan, wärmegedämmt, nach DIN EN 1253-2, in der Nennweite DN 70, mit Anschlussrohr und Sicherungsschelle aus Edelstahl, Dampfsperrplatte flex zum sicheren Anschluss an die Dampfsperre, zweiteiligem Dämmkörper aus Mineralwolle mit einer Wärmeleitfähigkeit lambda=0,04 W/mK und einer Druckfestigkeit von 70 kPa, in der Größe 500 x 1000 x 120 mm. Mit großer eingeschäumter Wunschanschlussmanschette (495 x 495 mm) passend zur Dachabdichtung und mit Fixierring zur zusätzlichen Sicherung der Anschlussmanschette. Nur in Kombination mit einem Aufsatzbauteil (z.B. Kiesfang, Anstauelement, etc.) zur Verhinderung des Eintrages von Fremdkörpern in die Rohrleitung zu verwenden, liefern und fachgerecht einbauen.
|
Stauhöhe (mm) | ||||||||||||||||||||
|---|---|---|---|---|---|---|---|---|---|---|---|---|---|---|---|---|---|---|---|---|
| Stutzenlänge | 5 | 10 | 15 | 20 | 25 | 30 | 35 | 40 | 45 | 50 | 55 | 60 | 65 | 70 | 75 | 80 | 85 | 90 | 95 | 100 |
| 1,0 Meter | 0.6 | 1.4 | 2.2 | 2.3 | 2.4 | 2.5 | 2.6 | 2.7 | 2.8 | 2.9 | 2.9 | 3 | 3.1 | 3.2 | 3.2 | 3.3 | 3.4 | 3.5 | 3.5 | 3.5 |
| 1,5 Meter | 0.6 | 1.4 | 2.2 | 2.3 | 2.4 | 2.5 | 2.6 | 2.7 | 2.8 | 2.9 | 2.9 | 3 | 3.1 | 3.2 | 3.2 | 3.3 | 3.4 | 3.5 | 3.5 | 3.5 |
| 2,0 Meter | 0.6 | 1.4 | 2.2 | 2.3 | 2.4 | 2.5 | 2.6 | 2.7 | 2.8 | 2.9 | 2.9 | 3 | 3.1 | 3.2 | 3.2 | 3.3 | 3.4 | 3.5 | 3.5 | 3.5 |
|
Stauhöhe (mm) | ||||||||||||||||||||
|---|---|---|---|---|---|---|---|---|---|---|---|---|---|---|---|---|---|---|---|---|
| Stutzenlänge | 5 | 10 | 15 | 20 | 25 | 30 | 35 | 40 | 45 | 50 | 55 | 60 | 65 | 70 | 75 | 80 | 85 | 90 | 95 | 100 |
| 1,0 Meter | 0.8 | 1.9 | 3 | 3.2 | 3.4 | 3.5 | 3.6 | 3.7 | 3.8 | 3.8 | 3.8 | 3.8 | 3.8 | 3.8 | 3.8 | 3.8 | 3.8 | 3.8 | 3.8 | 3.8 |
| 1,5 Meter | 0.8 | 1.9 | 3 | 3.2 | 3.4 | 3.5 | 3.6 | 3.7 | 3.8 | 3.8 | 3.8 | 3.8 | 3.8 | 3.8 | 3.8 | 3.8 | 3.8 | 3.8 | 3.8 | 3.8 |
| 2,0 Meter | 0.8 | 1.9 | 3 | 3.2 | 3.4 | 3.5 | 3.6 | 3.7 | 3.8 | 3.8 | 3.8 | 3.8 | 3.8 | 3.8 | 3.8 | 3.8 | 3.8 | 3.8 | 3.8 | 3.8 |
|
Stauhöhe (mm) | ||||||||||||||||||||
|---|---|---|---|---|---|---|---|---|---|---|---|---|---|---|---|---|---|---|---|---|
| Stutzenlänge | 5 | 10 | 15 | 20 | 25 | 30 | 35 | 40 | 45 | 50 | 55 | 60 | 65 | 70 | 75 | 80 | 85 | 90 | 95 | 100 |
| 1,0 Meter | 0.6 | 1.5 | 2.3 | 2.6 | 2.9 | 4.4 | 5.8 | 7 | 8.2 | 9.5 | 10.8 | 11.5 | 12.2 | 12.6 | 12.9 | 13.8 | 14.7 | 14.7 | 14.7 | 14.7 |
| 1,5 Meter | 0.6 | 1.5 | 2.3 | 2.6 | 2.9 | 4.4 | 5.8 | 7 | 8.2 | 9.5 | 10.8 | 11.5 | 12.2 | 12.6 | 12.9 | 13.8 | 14.7 | 14.7 | 14.7 | 14.7 |
| 2,0 Meter | 0.6 | 1.5 | 2.3 | 2.6 | 2.9 | 4.4 | 5.8 | 7 | 8.2 | 9.5 | 10.8 | 11.5 | 12.2 | 12.6 | 12.9 | 13.8 | 14.7 | 14.7 | 14.7 | 14.7 |
SitaIndra ohne Kiesfang mit SitaRetention Fix im nicht belüfteten Dachaufbau mit Retentions-Gründach
2 SitaPipe Edelstahl Rohrschelle
3 SitaPipe Edelstahl Sicherungsschelle
4 SitaPipe Edelstahl Bogen 87,5°
5 SitaAttika Fassaden-Abdeckplatte
SitaIndra ohne Kiesfang bestehend aus:
6.1 Dampfsperrplatte flex
6.2 Edelstahl Rohr
6.3 Dämmkörper
6.4 Edelstahl Sicherungsschelle
6.5 Grundkörper mit Wunschanschlussmanschette
SitaRetention Fix bestehend aus:
7.1 Grundplatte mit Befestigungsring
7.2 Belüftungsrohr
SitaRetention Gründachschacht bestehend aus:
8.1 Grundkörper
8.2 geschlossener Abdeckung
8.3 höheneinstellbaren Gummifüßen
- Retentionsaufbau und Dachbegrünung nach Systemanbieter
- Abdichtung
- Wärmedämmung
- Dampfsperre
- Unterkonstruktion
SitaIndra ohne Kiesfang mit SitaMore Anstauring im nicht belüfteten Dachaufbau
SitaIndra ohne Kiesfang bestehend aus:
2.1 Dampfsperrplatte flex
2.2 Edelstahl Rohr
2.3 Dämmkörper
2.4 Edelstahl Sicherungsschelle
2.5 Grundkörper mit Wunschanschlussmanschette
SitaMore Anstauring bestehend aus:
3.1 Dichtring
3.2 Grundkörper
SitaRetention Gründachschacht bestehend aus:
4.1 geschlossener Abdeckung
4.2 Grundkörper
4.3 höheneinstellbaren Gummifüßen
- Retentionsdach und Dachaufbau nach Systemanbieter
- Abdichtung
- Wärmedämmung
- Dampfsperre
- Unterkonstruktion
SitaIndra mit SitaMore Anstauring im nicht belüfteten Dachaufbau mit Plattenbelag auf Stelzlager
SitaIndra ohne Kiesfang bestehend aus:
2.1 Dampfsperrplatte flex
2.2 Dämmkörper
2.3 Edelstahl Rohr
2.4 Edelstahl Sicherungsschelle
2.5 Grundkörper mit Wunschanschlussmanschette
SitaMore Anstauring bestehend aus:
3.1 Anstauring
3.2 Dichtring
SitaDrain® Terra bestehend aus:
4.1 Revisionsrost
4.2 Rahmen
4.3 höheneinstellbaren Gummifüßen
- Plattenbelag auf Stelzlager
- Bautenschutzmatte
- Abdichtung
- Wärmedämmung
- Dampfsperre
- Unterkonstruktion
- Attikadurchbruch mit Fugenband
SitaIndra mit SitaMore Anstauring im nicht belüfteten Dachaufbau mit Platten im Splittbett auf Drainage
2 SitaMore Dichtmanschette für WDVS
SitaIndra ohne Kiesfang bestehend aus:
3.1 SitaMore Dampfsperrplatte flex
3.2 SitaIndra Dämmkörper
3.3 SitaPipe Edelstahl Rohr
3.4 SitaIndra Grundkörper
3.5 SitaPipe Edelstahl Sicherungsschelle
4 SitaDrain® Kiesleiste
SitaMore Anstauring bestehend aus:
5.1 Anstauring
5.2 Dichtring
SitaDrain® Terra bestehend aus:
6.1 Revisionsrost
6.2 Rahmen
6.3 höheneinstellbaren Gummifüßen
7 SitaDrain Stichkanal
- Plattenbelag
- Splittbett
- Drainage
- Bautenschutzmatte
- Abdichtung
- Wärmedämmung
- Dampfsperre
- Unterkonstruktion
- Attikadurchbruch mit Fugenband
SitaIndra mit SitaMore Anstauring im nicht belüfteten Dachaufbau mit Platten und Stichkanal im Splittbett
2 SitaMore Dichtmanschette für WDVS
SitaIndra ohne Kiesfang bestehend aus:
3.1 SitaMore Dampfsperrplatte flex
3.2 SitaIndra Dämmkörper
3.3 SitaPipe Edelstahl Rohr
3.4 SitaIndra Grundkörper
3.5 SitaPipe Edelstahl Sicherungsschelle
4 SitaDrain® Kiesleiste
SitaMore Anstauring bestehend aus:
5.1 Anstauring
5.2 Dichtring
SitaDrain® Terra bestehend aus:
6.1 Revisionsrost
6.2 Rahmen
6.3 höheneinstellbaren Gummifüßen
7 SitaDrain® Stichkanal
- Plattenbelag im Splittbett
- Drainage
- Bautenschutzmatte
- Abdichtung
- Wärmedämmung
- Dampfsperre
- Unterkonstruktion
- Attikadurchbruch mit Fugenband
SitaIndra ohne Kiesfang mit SitaRetention Gründachschacht, SitaMore Anstauring und SitaRetention Fix im nicht belüfteten Dachaufbau
2 SitaPipe Edelstahl Rohrschelle
3 SitaPipe Edelstahl Sicherungsschelle
4 SitaPipe Edelstahl Bogen
5 SitaAttika Fassaden-Abdeckplatte
SitaIndra ohne Kiesfang bestehend aus:
6.1 Dampfsperrplatte flex
6.2 Dämmkörper
6.3 Edelstahl Rohr
6.4 Edelstahl Sicherungsschelle
6.5 Grundkörper mit Wunschanschlussmanschette
SitaRetention Fix bestehend aus:
7.1 Belüftungsrohr
7.2 Grundplatte mit Befestigungsring
SitaRetention Gründachschacht bestehend aus:
8.1 geschlossener Abdeckung
8.2 Grundkörper
8.3 höheneinstellbaren Gummifüßen
SitaMore Anstauring bestehend aus:
9.1 Dichtring
9.2 Anstauring
- Retentionsaufbau und Dachbegrünung nach Systemanbieter
- Abdichtung
- Wärmedämmung
- Dampfsperre
- Unterkonstruktion
Sie können die Cookie-Einstellungen hier anpassen.
Sie können die Cookie-Einstellungen hier anpassen.
AutoCAD
DWG EB_SitaIndra_mit_SitaRetention_Fix_im_nicht_beluefteten_Dachaufbau_mit_Retentions_Gruendach.DWGDWG EB_SitaIndra_mit_SitaMore_Anstauring_und_SitaRetention_Gruendachschacht_im_Retentionsdach.DWG
DWG EB_SitaIndra_mit_SitaMore_Anstauring_mit_Platten_auf_Stelzlager.DWG
DWG EB_SitaIndra_mit_SitaMore_Anstauring_im_Splittbett_auf_Dainage.DWG
DWG EB_SitaIndra_mit_SitaMore_Anstauring_mit_Platten_und_Stichkanal_im_Splittbett.DWG
DWG EB_SitaIndra_ohne_Kiesfang_mit_SitaMore_Anstauring_und_SitaRetention_Fix_im_nicht_beluefteten_Dachaufbau.DWG
Einbaubeispiele
PDF SitaIndra_mit_SitaRetention_Fix_im_nicht_beluefteten_Dachaufbau_mit_Retentions_Gruendach.pdfPDF SitaIndra_mit_SitaMore_Anstauring_und_SitaRetention_Gruendachschacht_im_Retentionsdach.pdf
PDF SitaIndra_mit_SitaMore_Anstauring_im_nicht_beluefteten_Dachaufbau_mit_Plattenbelag_auf_Stelzlager.pdf
PDF SitaIndra_mit_SitaMore_Anstauring_mit_Platten_im_Splittbett_auf_Drainage.pdf
PDF SitaIndra_mit_SitaMore_Anstauring_mit_Platten_und_Stichkanal_im_Splittbett.pdf
PDF SitaIndra_ohne_Kiesfang_mit_SitaMore_Anstauring_und_SitaRetention_Fix_im_nicht_beluefteten_Dachaufbau.pdf
Technische Zeichnungen
PDF TechnischeZeichnung_108500_de.pdfPDF TechnischeZeichnung_108510_de.pdf
PDF TechnischeZeichnung_10851500_de.pdf
PDF TechnischeZeichnung_10851510_de.pdf
PDF TechnischeZeichnung_10852000_de.pdf
PDF TechnischeZeichnung_10852010_de.pdf
DWG TZ_DB_SitaIndra_ohne_Kiesfang_Mineralwolle_1000.dwg
DWG TZ_DB_SitaIndra_ohne_Kiesfang_Mineralwolle_1500.dwg
DWG TZ_DB_SitaIndra_ohne_Kiesfang_Mineralwolle_2000.dwg
Zertifizierungen & Gutachten
PDF EPD-Kiwa-EE-182631-DE.pdfPDF Pruefbericht_LGA_SitaIndra_SitaDSS_Indra.pdf
Gewünschte Anschlussmanschette nicht gefunden? Wir helfen gerne weiter +49 2522 - 83 40-140!













