SitaIndra
Воронка для аварийного водостока
| Номинальный диаметр DN | Наружный диаметр OD (мм) | a (мм) |
|---|---|---|
| 70 | 75 | 520 |
| 70 | 75 | 1020 |
| 70 | 75 | 1520 |
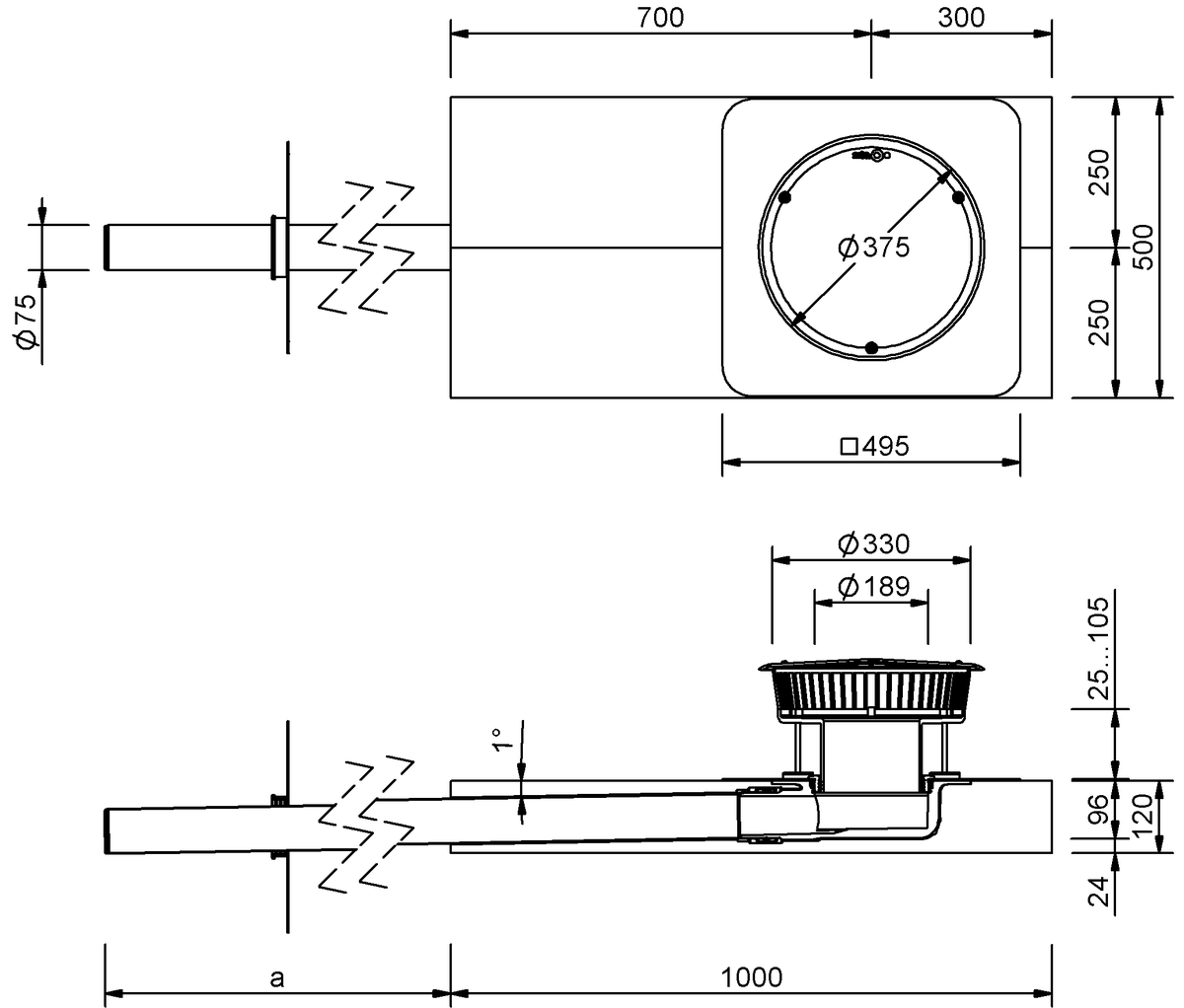
Парапетная воронка SitaIndra, угловая, из полиуретана, теплоизолированная, согласно DIN EN 1253-2, номинальным диаметром DN 70, пропускная способность в качестве перелива 3,6 л/с при высоте подпора воды 35 мм и пропускная способность 9,9 л/с при высоте подпора воды 35 мм при подключенном стояке DN 70, с присоединительной трубой и фиксаторным хомутом из нержавеющей стали, пароизоляционной плитой для надежного соединения с пароизоляцией и двухкомпонентной изоляционной плитой из минеральной ваты с теплопроводностью λ = 0,040 Вт/мК и прочностью на сжатие 70 кПа, размер 500 x 1000 x 120 мм. Для самотечных систем водостока, с большим вваренным соединительным фартуком (495 x 495 мм) из материала, подходящего под гидроизоляцию кровли (на выбор), и с фиксирующим кольцом для дополнительной фиксации соединительного фартука и крепления прилагаемого подпорного элемента, поставка и квалифицированный монтаж.
|
Высота подпора воды (мм) | ||||||||||||||||||||
|---|---|---|---|---|---|---|---|---|---|---|---|---|---|---|---|---|---|---|---|---|
| Длина патрубка | 5 | 10 | 15 | 20 | 25 | 30 | 35 | 40 | 45 | 50 | 55 | 60 | 65 | 70 | 75 | 80 | 85 | 90 | 95 | 100 |
| 1,0 метр | 0.8 | 1.9 | 3 | 3.2 | 3.4 | 3.5 | 3.6 | 3.7 | 3.8 | 3.9 | 4 | 4.2 | 4.3 | 4.3 | 4.3 | 4.3 | 4.3 | 4.3 | 4.3 | 4.3 |
| 1,5 метра | 0.8 | 1.9 | 3 | 3.2 | 3.4 | 3.5 | 3.6 | 3.7 | 3.8 | 3.9 | 4 | 4.2 | 4.3 | 4.3 | 4.3 | 4.3 | 4.3 | 4.3 | 4.3 | 4.3 |
| 2,0 метра | 0.8 | 1.9 | 3 | 3.2 | 3.4 | 3.5 | 3.6 | 3.7 | 3.8 | 3.9 | 4 | 4.2 | 4.3 | 4.3 | 4.3 | 4.3 | 4.3 | 4.3 | 4.3 | 4.3 |
|
Высота подпора воды (мм) | ||||||||||||||||||||
|---|---|---|---|---|---|---|---|---|---|---|---|---|---|---|---|---|---|---|---|---|
| Длина патрубка | 5 | 10 | 15 | 20 | 25 | 30 | 35 | 40 | 45 | 50 | 55 | 60 | 65 | 70 | 75 | 80 | 85 | 90 | 95 | 100 |
| 1,5 метра | 0.8 | 1.9 | 2.9 | 4 | 5.1 | 7.5 | 9.9 | 11.6 | 13.2 | 14.2 | 15.2 | 15.4 | 15.4 | 15.4 | 15.4 | 15.4 | 15.4 | 15.4 | 15.4 | 15.4 |
| 2,0 метра | 0.8 | 1.9 | 2.9 | 4 | 5.1 | 7.5 | 9.9 | 11.6 | 13.2 | 14.2 | 15.2 | 15.4 | 15.4 | 15.4 | 15.4 | 15.4 | 15.4 | 15.4 | 15.4 | 15.4 |
| 1,0 метр | 0.8 | 1.9 | 2.9 | 4 | 5.1 | 7.5 | 9.9 | 11.6 | 13.2 | 14.2 | 15.2 | 15.4 | 15.4 | 15.4 | 15.4 | 15.4 | 15.4 | 15.4 | 15.4 | 15.4 |
Комплект аварийного водостока SitaIndra в качестве перелива в невентилируемой кровле
Комплект аварийного водостока SitaIndra состоит из:
2.1 Пароизоляционная плата SitaMore flex
2.2 Изоляционная плита SitaIndra
2.3 Труба SitaPipe из высококачественной нержавеющей стали
2.4 Фиксаторный хомут SitaPipe из высококачественной нержавеющей стали
2.5 Корпус SitaIndra
2.6 Подпорный элемент SitaIndra
2.7 Уплотнительное кольцо
- гидроизоляция
- теплоизоляция
- пароизоляция
- несущая конструкция
- проем в парапете с лентой для уплотнения швов
Аварийный водосток SitaIndra в качестве перелива в невентилируемой кровле с озеленением
1.1 регулируемые по высоте резиновые опоры
1.2 Уплотнительное кольцо
1.3 Цельная крышка
1.4 Подпорный элемент
1.5 Корпус SitaIndra
1.6 Фиксаторный хомут SitaPipe из высококачественной нержавеющей стали
1.7 Изоляционная плита SitaIndra
1.8 Труба SitaPipe из высококачественной нержавеющей стали
1.9 Пароизоляционная плита SitaMore flex
2 Фасадная пластина SitaAttika
- слой озеленения в соответствии с поставщиком
- дренажный мат
- защитный мат
- гидроизоляция
- теплоизоляция
- пароизоляция
- несущая конструкция
You can adjust the cookie settings here.












