SitaKaskade Flat
Parapet lead-through
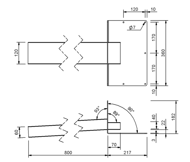
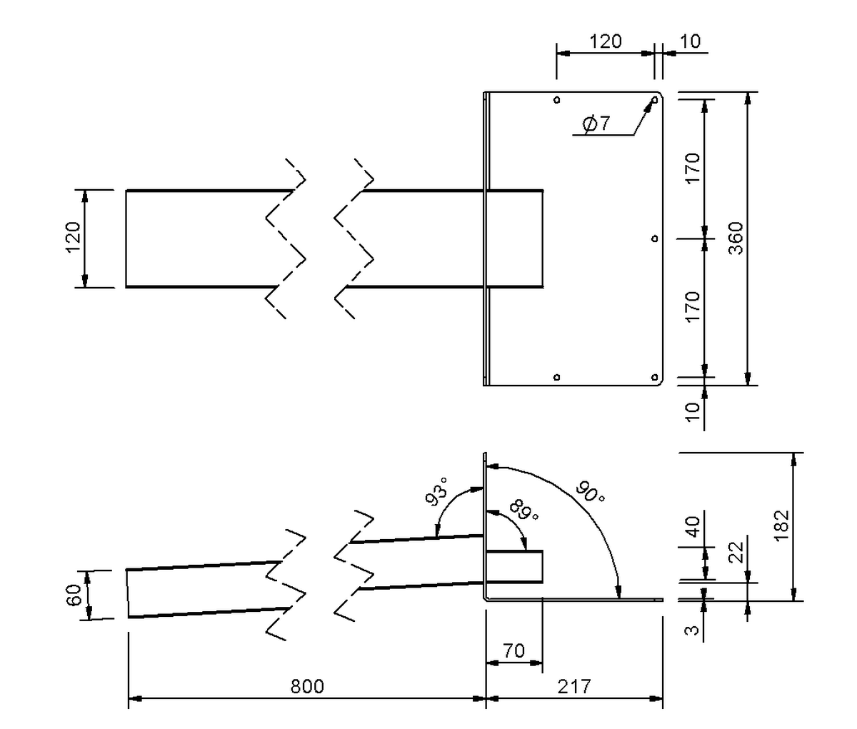
SitaKaskade Flat is the next stage of development of the SitaKaskade Inside. Cascade drainage with high compressive and tensile strength can now be integrated in the system above the waterproof membrane. Standards-compliant cascade drainage remains possible below the slab paving, thanks to a height of just 40 mm, a vertical downpipe holder and a horizontal parapet lead-through.
+












