SitaVent Fireguard® DN 125
Conduit de ventilation de protection incendie
Caractéristiques
Numéro d'article
F304901
raccord
Resitrix CL-Manchon
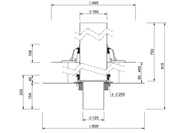
Diamètre extérieur DE (mm)
125 mm
Percée / percement (mm)
255 mm
Ouverture (mm x mm)
200 mm x 200 mm
Longueur d'embout
154 mm
Résistance à haute température min.
-20 °C
Traversement de l’isolant min. (mm)
80 mm
Traversement de l’isolant max. (mm)
450 mm
Double protection contre l’eau et l’incendie. Sur quoi se base la protection stable des avaloirs et conduits d’aération SitaFireguard® ? Sur une idée aussi simple que géniale : un manchon coupe-feu astucieux, fixé à la tôle de renfort pour les toitures en tôle d’acier trapézoïdale. Autre avantage : le montage peut s’effectuer entièrement sur le toit.












