SitaPipe
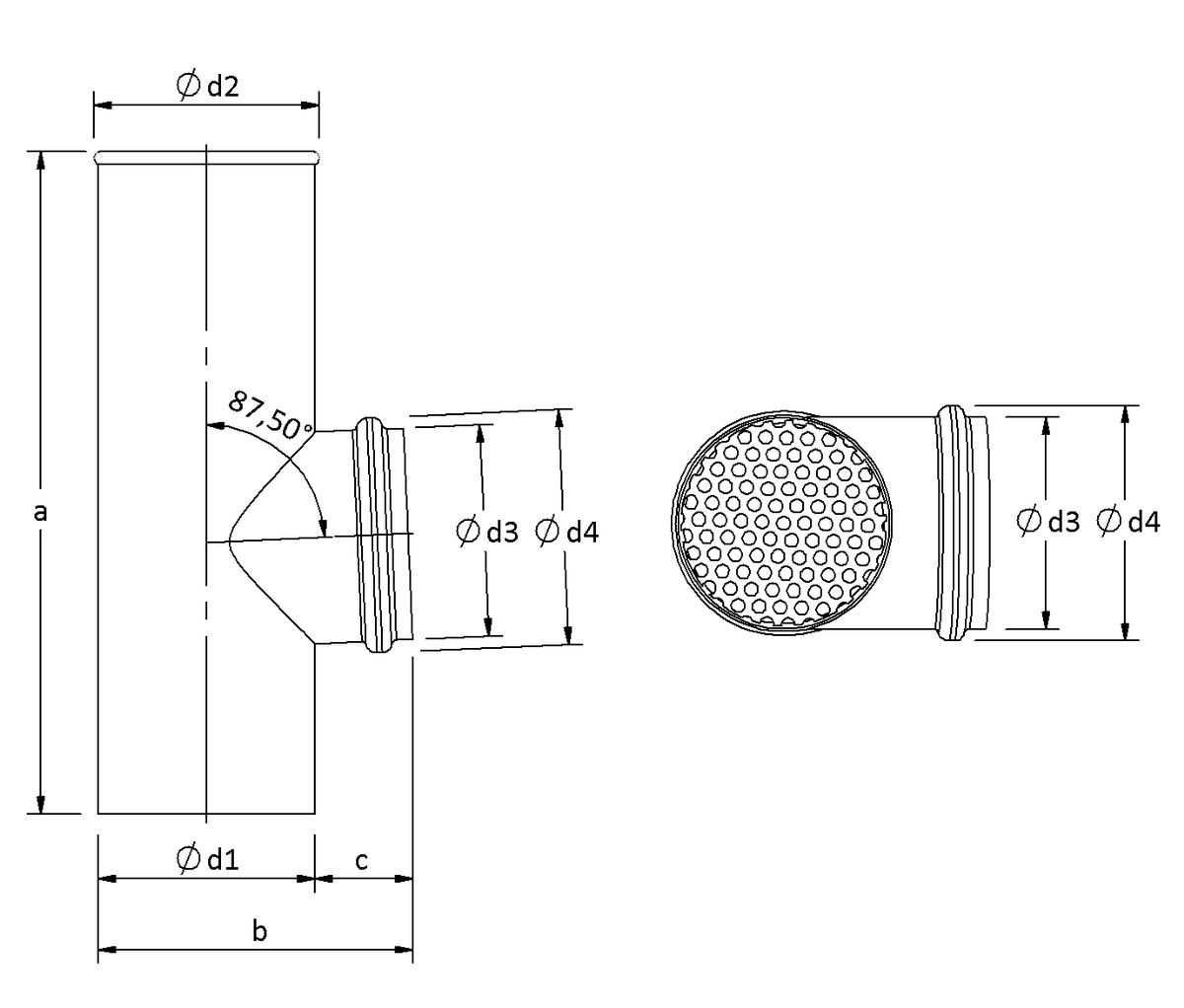
Flat roof branch
- Products
SitaPipe stainless steel
Flat roof branch
| Size DN | External diameter OD (mm) | a (mm) | b (mm) | c (mm) | d1 (mm) | d2 (mm) | d3 (mm) | d4 (mm) |
|---|---|---|---|---|---|---|---|---|
| 70 | 75 | 240 | 135 | 36 | 99 | 102 | 78 | 87 |
| 70 | 75 | 245 | 116 | 36 | 80 | 83 | 78 | 87 |
| 100 | 110 | 270 | 139 | 40 | 99 | 102 | 111 | 125 |
Performance text
Installation Examples
Downloads
DWG EB_SitaVasant_im_nicht_beluefteten_Dachaufbau.DWG
DWG EB_SitaDSS_Indra_HE_im_nicht_beluefteten_Dachaufbau.DWG
DWG EB_SitaDSS_Indra_NE_Fallrohr_im_nicht_beluefteten_Dachaufbau.DWG
DWG EB_SitaEasy_Go_HE_im_nicht_beluefteten_Dachaufbau.DWG
DWG EB_SitaRondo_NE_mit_Fallleitung_nicht_beluefteter_Dachaufbau.DWG
DWG EB_SitaKaskade_Durchfuehrung_Fluid_senkrecht_mit_SitaCompact.DWG
DWG EB_SitaKaskade_Inside_im_nicht_beluefteten_Dachaufbau_im_WDVS.DWG
DWG EB_SitaCompact_Fluid_Linienentwaesserung_bei_Plattenbelag.DWG
PDF SitaVasant_mit_Kiesfang_im_nicht_beluefteten_Dachaufbau.pdf
PDF SitaDSS_Indra_Hauptentwaesserungsset_im_nicht_beluefteten_Dachaufbau.pdf
PDF SitaDSS_Indra_Notentwaesserungsset_mit_Fallleitung_im_nicht_beluefteten_Dachaufbau.pdf
PDF SitaEasy_Go_fuer_die_Hauptentwaesserung_im_nicht_beluefteten_Dachaufbau.pdf
PDF SitaRondo_erhoeht_eingebaut_mit_Fallleitung_im_nicht_beluefteten_Dachaufbau.pdf
PDF SitaKaskade_Durchfuehrung_Fluid_senkrecht_mit_SitaCompact.pdf
PDF SitaKaskade_Inside_im_nicht_beluefteten_Dachaufbau_und_Platten_auf_Stelzlager_mit_Fallrohr_im_WDVS.pdf
PDF SitaCompact_Fluid_Linienentwaesserung_bei_Balkonen_mit_Fluessigkunststoffabdichtung_und_Plattenbelag.pdf
Article selection
SitaPipe flat roof branch, made of zinc, according to DIN EN 612, inlet in DN, downpipe to zinc downpipe, including pre-assembled inlet seal, supply and install to professional standards.
SitaPipe Edelstahl pipe at bottom in thermal insulation composite system
1 SitaPipe Stainless Steel cleaning pipe
2 SitaPipe Stainless Steel transition piece eccentric
3 SitaPipe Stainless Steel pipe
4 SitaPipe Stainless Steel pipe clamp
5 SitaPipe Stainless Steel safety clamp
2 SitaPipe Stainless Steel transition piece eccentric
3 SitaPipe Stainless Steel pipe
4 SitaPipe Stainless Steel pipe clamp
5 SitaPipe Stainless Steel safety clamp
Wall structure from the inside to the outside to the general rules of engineering with:
- Finish plaster and paint
- Thermal insulation
- Wall structure
SitaVasant with dome grate in a non-ventilated roof structure
1 SitaPipe Edelstahl pipe
2 SitaPipe Edelstahl pipe clamp
3 SitaPipe Edelstahl safety clamp
4 SitaPipe Edelstahl bend
5 SitaAttika cladding cover plate
6 SitaMore sealing sleeve
SitaVasant consisting of:
7.1 Pipe
7.2 Vapour barrier plate
7.3 Safety clamp
7.4 Gully
8 SitaVasant dome grate
2 SitaPipe Edelstahl pipe clamp
3 SitaPipe Edelstahl safety clamp
4 SitaPipe Edelstahl bend
5 SitaAttika cladding cover plate
6 SitaMore sealing sleeve
SitaVasant consisting of:
7.1 Pipe
7.2 Vapour barrier plate
7.3 Safety clamp
7.4 Gully
8 SitaVasant dome grate
Non-ventilated roof structure to the general rules of engineering with:
- Waterproofing membrane
- Thermal insulation
- Vapour barrier
- Substructure
SitaDSS Indra main drainage set in a non-ventilated roof structure
SitaDSS Indra main drainage set consisting of:
1.1 SitaPipe Edelstahl pipe
1.2 SitaPipe Edelstahl pipe clamp
1.3 SitaPipe Edelstahl safety clamp
1.4 SitaPipe Edelstahl bend 87.5°
1.5 SitaMore vapour barrier plate flex
1.6 SitaIndra insulating body
1.7 SitaPipe Edelstahl pipe
1.8 SitaDSS Indra base body
1.9 SitaDSS Indra Airstop
1.10 SitaDSS Indra dome grate
1.11 SitaDSS Indra Airstop fastening ring
2 SitaPipe Edelstahl safety clamp
3 SitaPipe Edelstahl cleaning pipe
4 SitaPipe Edelstahl transition piece eccentric
5 SitaPipe Edelstahl pipe clamp
1.1 SitaPipe Edelstahl pipe
1.2 SitaPipe Edelstahl pipe clamp
1.3 SitaPipe Edelstahl safety clamp
1.4 SitaPipe Edelstahl bend 87.5°
1.5 SitaMore vapour barrier plate flex
1.6 SitaIndra insulating body
1.7 SitaPipe Edelstahl pipe
1.8 SitaDSS Indra base body
1.9 SitaDSS Indra Airstop
1.10 SitaDSS Indra dome grate
1.11 SitaDSS Indra Airstop fastening ring
2 SitaPipe Edelstahl safety clamp
3 SitaPipe Edelstahl cleaning pipe
4 SitaPipe Edelstahl transition piece eccentric
5 SitaPipe Edelstahl pipe clamp
Non-ventilated roof structure to the general rules of engineering with:
- Sealing
- Thermal insulation
- Vapour barrier
- Substructure
- Parapet lead-through with joint tape
SitaDSS Indra emergency drainage set with downpipe in a non-ventilated roof structure
SitaDSS Indra emergency drainage set consisting of:
1.1 SitaAttika pipe
1.2 SitaAttika pipe clamp
1.3 SitaAttika safety clamp
1.4 SitaAttika bend 87.5°
1.5 SitaMore vapour barrier plate flex
1.6 SitaIndra insulating body
1.7 SitaAttika pipe
1.8 SitaDSS Indra base body
1.9 Retaining element with Airstop
1.10 Sealing ring
2 SitaAttika safety clamp
3 SitaAttika bend 45°
1.1 SitaAttika pipe
1.2 SitaAttika pipe clamp
1.3 SitaAttika safety clamp
1.4 SitaAttika bend 87.5°
1.5 SitaMore vapour barrier plate flex
1.6 SitaIndra insulating body
1.7 SitaAttika pipe
1.8 SitaDSS Indra base body
1.9 Retaining element with Airstop
1.10 Sealing ring
2 SitaAttika safety clamp
3 SitaAttika bend 45°
Non-ventilated roof structure to the general rules of engineering with:
- Sealing
- Thermal insulation
- Vapour barrier
- Substructure
- Parapet lead-through with joint tape
SitaEasy Go for main drainage in a non-ventilated roof structure
1 SitaPipe Edelstahl pipe
2 SitaPipe Edelstahl pipe clamp
3 SitaPipe Edelstahl safety clamp
4 SitaPipe Edelstahl bend
5 SitaAttika cladding cover plate
6 SitaMore vapour barrier plate flex
7 SitaEasy Go
SitaEasy dome grate consisting of:
8.1 Latch
8.2 Dome grate basket
2 SitaPipe Edelstahl pipe clamp
3 SitaPipe Edelstahl safety clamp
4 SitaPipe Edelstahl bend
5 SitaAttika cladding cover plate
6 SitaMore vapour barrier plate flex
7 SitaEasy Go
SitaEasy dome grate consisting of:
8.1 Latch
8.2 Dome grate basket
9 SitaPipe Edelstahl cleaning pipe
Non-ventilated roof structure to the general rules of engineering with:
- Sealing
- Thermal insulation
- Vapour barrier
- Substructure
- Parapet lead-through with joint tape
SitaRondo installed higher with downpipe in a non-ventilated roof structure
1 SitaPipe Edelstahl pipe
2 SitaPipe Edelstahl pipe clamp
3 SitaPipe Edelstahl safety clamp
4 SitaPipe Edelstahl bend 87.5°
5 SitaAttika cladding cover plate
6 SitaMore vapour barrier plate flex
SitaRondo consisting of:
7.1 Dome grate with mounting bracket
7.2 Loose flange and sealing sleeves
7.3 Washers, nuts and protective caps
2 SitaPipe Edelstahl pipe clamp
3 SitaPipe Edelstahl safety clamp
4 SitaPipe Edelstahl bend 87.5°
5 SitaAttika cladding cover plate
6 SitaMore vapour barrier plate flex
SitaRondo consisting of:
7.1 Dome grate with mounting bracket
7.2 Loose flange and sealing sleeves
7.3 Washers, nuts and protective caps
8 SitaPipe Edelstahl bend 45°
Non-ventilated roof structure to the general rules of engineering with:
- Sealing
- Thermal insulation
- Vapour barrier
- Substructure
- Parapet lead-through with joint tape
SitaKaskade lead-through Fluid with SitaCompact for main drainage in a non-ventilated roof structure
1 SitaCompact insulating body
2 SitaCompact vertical
SitaCompact extension unit consisting of:
3.1 Base body
3.2 Sealing ring
SitaDrain® area frame consisting of:
4.1 Frame
4.2 Inspection grate
5 SitaKaskade lead-through Fluid
6 SitaPipe Edelstahl safety clamp
7 SitaPipe Edelstahl pipe
8 SitaPipe Edelstahl pipe clamp
9 SitaAttika cladding cover plate
10 SitaPipe Edelstahl bend
11 SitaMore vapour barrier plate flex
2 SitaCompact vertical
SitaCompact extension unit consisting of:
3.1 Base body
3.2 Sealing ring
SitaDrain® area frame consisting of:
4.1 Frame
4.2 Inspection grate
5 SitaKaskade lead-through Fluid
6 SitaPipe Edelstahl safety clamp
7 SitaPipe Edelstahl pipe
8 SitaPipe Edelstahl pipe clamp
9 SitaAttika cladding cover plate
10 SitaPipe Edelstahl bend
11 SitaMore vapour barrier plate flex
Non-ventilated roof structure with slab paving on support pads to the general rules of engineering with:
- Slab paving on support pad
- Protective mat
- Sealing
- Thermal insulation
- Vapour barrier
- Substructure
SitaKaskade Inside in a non-ventilated roof structure and paving on support pads with transition to downpipe in the thermal insulation composite system
SitaKaskade Inside for downpipe consisting of:
1.1 SitaAttika bend 87.5°
1.2 SitaPipe Edelstahl safety clamp
1.3 SitaMore vapour barrier plate flex
1.4 SitaKaskade Inside
1.5 SitaKaskade Inside loose flange with sealing sleeves, nuts, flat washers and protective caps
1.6 SitaPipe Edelstahl bend 30°
1.7 SitaPipe Edelstahl bend 15°
2 SitaPipe Edelstahl pipe
3 SitaPipe Edelstahl pipe clamp
4 SitaPipe Edelstahl safety clamp
1.1 SitaAttika bend 87.5°
1.2 SitaPipe Edelstahl safety clamp
1.3 SitaMore vapour barrier plate flex
1.4 SitaKaskade Inside
1.5 SitaKaskade Inside loose flange with sealing sleeves, nuts, flat washers and protective caps
1.6 SitaPipe Edelstahl bend 30°
1.7 SitaPipe Edelstahl bend 15°
2 SitaPipe Edelstahl pipe
3 SitaPipe Edelstahl pipe clamp
4 SitaPipe Edelstahl safety clamp
Non-ventilated roof structure with slab paving on support pads to the general rules of engineering with:
- Slab paving on support pad
- Protective mat
- Sealing
- Thermal insulation
- Vapour barrier
- Substructure
SitaCompact Fluid linear drainage for balconies with liquid applied waterproofing and slab paving
1 SitaPipe Edelstahl pipe
2 SitaAttika cladding cover plate
3 SitaCompact Fluid grating
4 SitaCompact Fluid
5 SitaCompact Fluid flat grate
6 SitaPipe Edelstahl pipe clamp
7 SitaCompact Fluid height compensation piece
8 SitaCompact Fluid pipe holder
2 SitaAttika cladding cover plate
3 SitaCompact Fluid grating
4 SitaCompact Fluid
5 SitaCompact Fluid flat grate
6 SitaPipe Edelstahl pipe clamp
7 SitaCompact Fluid height compensation piece
8 SitaCompact Fluid pipe holder
Roof structure 1 with liquid applied waterproofing according to the general rules of engineering with:
Roof structure 2 with liquid applied waterproofing according to the general rules of engineering with:
- Sealing with liquid applied waterproofing
- Substructure
Roof structure 2 with liquid applied waterproofing according to the general rules of engineering with:
- Slab paving
- Protective mat
- Sealing with liquid applied waterproofing
- Substructure
AutoCAD
DWG EB_SitaPipe_Edelstahl_Rohr_Fusspunkt_im_nicht_beluefteten_Dachaufbau_im_WDVS.DWGDWG EB_SitaVasant_im_nicht_beluefteten_Dachaufbau.DWG
DWG EB_SitaDSS_Indra_HE_im_nicht_beluefteten_Dachaufbau.DWG
DWG EB_SitaDSS_Indra_NE_Fallrohr_im_nicht_beluefteten_Dachaufbau.DWG
DWG EB_SitaEasy_Go_HE_im_nicht_beluefteten_Dachaufbau.DWG
DWG EB_SitaRondo_NE_mit_Fallleitung_nicht_beluefteter_Dachaufbau.DWG
DWG EB_SitaKaskade_Durchfuehrung_Fluid_senkrecht_mit_SitaCompact.DWG
DWG EB_SitaKaskade_Inside_im_nicht_beluefteten_Dachaufbau_im_WDVS.DWG
DWG EB_SitaCompact_Fluid_Linienentwaesserung_bei_Plattenbelag.DWG
Installation Examples
PDF SitaPipe_Edelstahl_Rohr_am_Fußpunkt_im_Waermedaemmverbundsystem.pdfPDF SitaVasant_mit_Kiesfang_im_nicht_beluefteten_Dachaufbau.pdf
PDF SitaDSS_Indra_Hauptentwaesserungsset_im_nicht_beluefteten_Dachaufbau.pdf
PDF SitaDSS_Indra_Notentwaesserungsset_mit_Fallleitung_im_nicht_beluefteten_Dachaufbau.pdf
PDF SitaEasy_Go_fuer_die_Hauptentwaesserung_im_nicht_beluefteten_Dachaufbau.pdf
PDF SitaRondo_erhoeht_eingebaut_mit_Fallleitung_im_nicht_beluefteten_Dachaufbau.pdf
PDF SitaKaskade_Durchfuehrung_Fluid_senkrecht_mit_SitaCompact.pdf
PDF SitaKaskade_Inside_im_nicht_beluefteten_Dachaufbau_und_Platten_auf_Stelzlager_mit_Fallrohr_im_WDVS.pdf
PDF SitaCompact_Fluid_Linienentwaesserung_bei_Balkonen_mit_Fluessigkunststoffabdichtung_und_Plattenbelag.pdf












