SitaSani®
Avaloir spécial rénovation
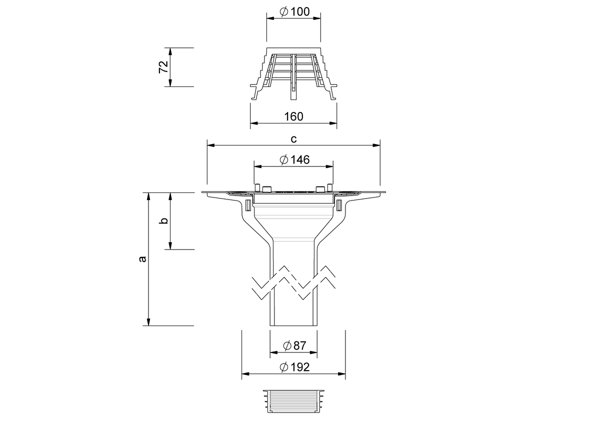
| Diamètre nominal DN | Diamètre extérieur DE (mm) | a (mm) | b (mm) | c (mm) | Sécurité d'accumulation pour la rénovation de diamètres intérieurs de/à (mm) avec bague d’étanchéité à lèvres | Sécurité d'accumulation pour la rénovation de diamètres intérieurs de/à (mm) avec bague d’étanchéité profilée |
|---|---|---|---|---|---|---|
| 90 | 87 | 550 | 105 | 320 | 98 - 107 | - |
+












