SitaSani® DN 125
Ремонтная воронка
Свойства
Арт. №
103700
Подключение
битум-Фартук
Стандарты
DIN EN 1253-2
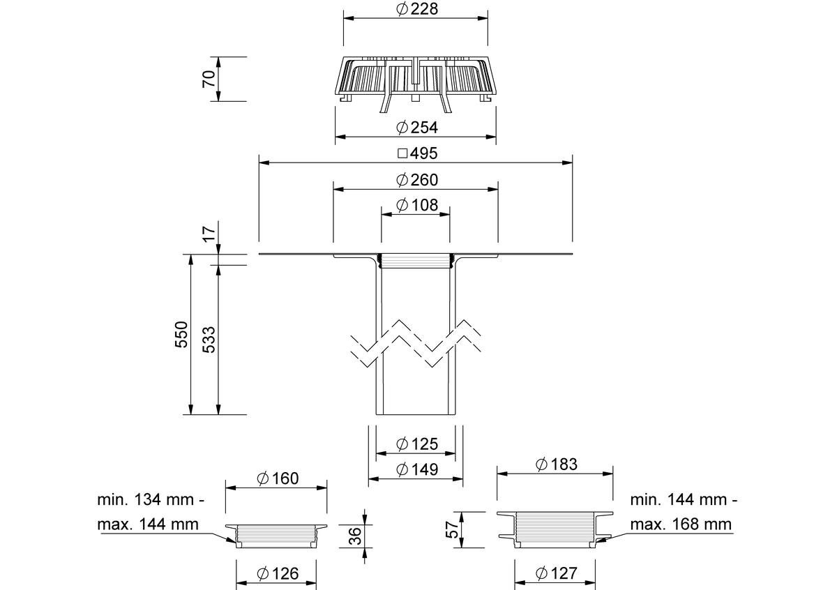
Исполнение
550 мм
Наружный диаметр OD (мм)
125 mm
Длина патрубка
533 mm
Высота чаши
17 mm
Внутренний диаметр чаши
108 mm
Мин. термостойкость
-40 °C
Макс. термостойкость
80 °C
Класс стройматериалов
Еврокласс Е/B2 нормальное воспламенение
Защита от обратного подпора при внутреннем диаметре от - до (мм) с манжетным уплотнением
134 - 144
Защита от обратного подпора при внутреннем диаметре от - до (мм) с профильным уплотнительным кольцом
140 - 168
Ремонтная воронка с длинным соединительным патрубком и уплотнительным кольцом. Она перекрывает существующий пирог кровли вплоть до водосточной трубы. Тем самым обеспечивается абсолютная герметичность при переходе на существующие кровельные воронки с надставным элементом или без него. Совместимые почти со всеми кровельными воронками различных производителей, воронки этой серии решают практически любую задачу в ремонте. Взависимости от внутреннего диаметра, применяется соответствующая уплотнительная манжета. Прочно вваренный и дополнительно зафиксированный заказной соединительный фартук обеспечивает однородное соединение с гидроизоляцией кровли.












