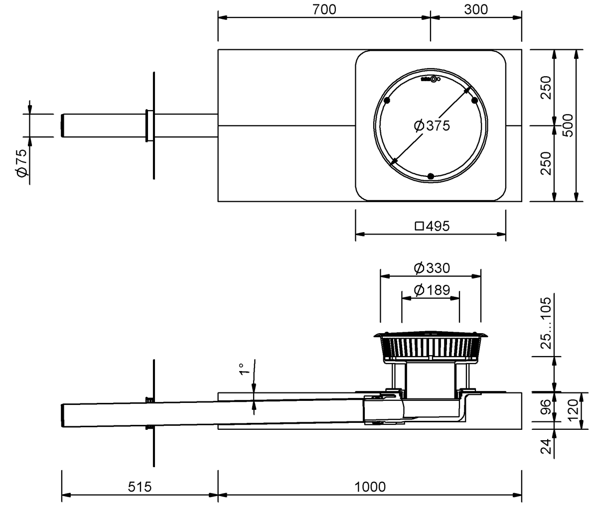
SitaIndra DN 70
Воронка для аварийного водостока
Свойства
Арт. №
108409
Длина патрубка
1000 mm
Стандарты
DIN EN 1253-2
Подключение
Sikaplan 15G-Фартук
Наружный диаметр OD (мм)
75 mm
Уклон патрубка
1 °
Диаметр фланца
330 mm
Высота чаши
98 mm
Внутренний диаметр чаши
189 mm
Мин. термостойкость
-40 °C
Макс. термостойкость
80 °C
Класс стройматериалов
Еврокласс Е/B2 нормальное воспламенение
Невероятная легкость, совершенно плоская конструкция и высокая скорость монтажа! Эти преимущества новой серии SitaIndra оценят и монтажники, и все, для кого важна эффективная теплоизоляция. Обтекаемая парапетная воронка из теплоизолированного полиуретана поставляется на место монтажа в комплекте с изоляционной плитой.
+












