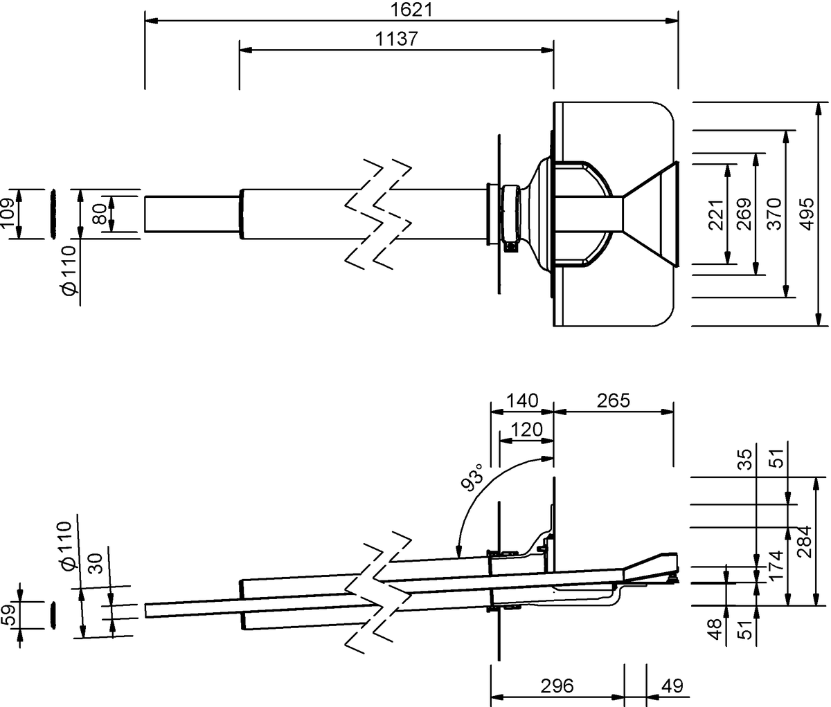
SitaVasant DN 100
Double
Свойства
Арт. №
50150107
Длина патрубка
1000 mm
Подключение
Thermoplan TL серебристо-серый-Фартук
Наружный диаметр OD (мм)
110 mm
Проем / установочное отверстие (мм)
170 mm
Прошли те времена, когда для водостока с парапета было достаточно простого водосточного желоба. Сегодня там также часто требуется мощный водосток. SitaVasant обеспечивает ее. Благодаря сверхплоскому приемному стакану высотой всего 48 мм она минимально входит в теплоизоляцию. Потрясающую пропускную способность обеспечивает предварительно установленная приемная чаша, которая форсирует динамику водостока. Воронка с двумя отдельными впускными отверстиями, которые функционируют автономно друг от друга, - вот что отличает SitaVasant Double. Основной водосток и аварийный водосток объединены здесь в одной воронке и требуется лишь наличия отверстия в парапете. В случае повышения уровня воды на кровле до уровня аварийного водостока, канал аварийного водостока, расположенный на 35 мм выше, обеспечивает перелив на свободно затопляемую площадку.
+












