SitaVent Fireguard® DN 150
Противопожарный вентилятор
Свойства
Арт. №
F305003
Подключение
Elevate QuickSeam SA Flashing-Фартук
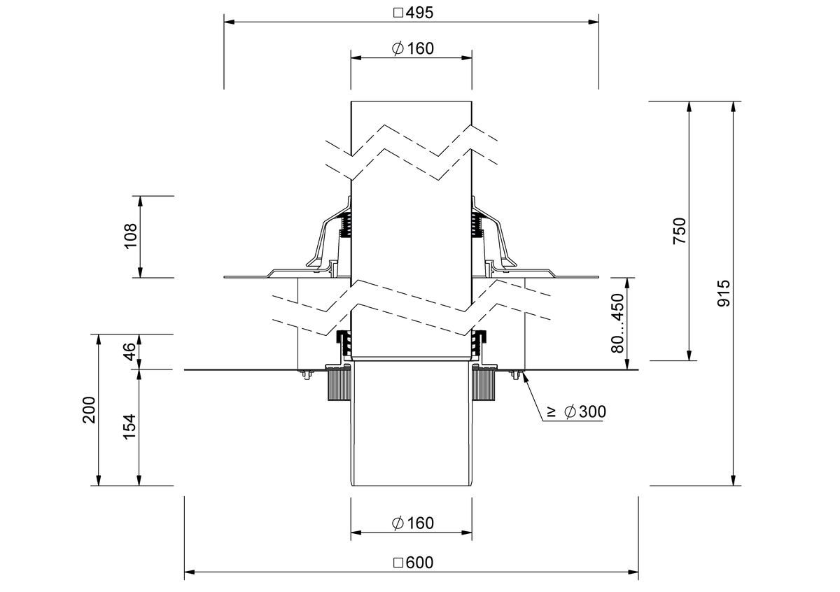
Наружный диаметр OD (мм)
160 mm
Проем / установочное отверстие (мм)
300 mm
Размер выемки (мм x мм)
300 mm x 300 mm
Длина патрубка
154 mm
Мин. термостойкость
-20 °C
Толщина перекрываемой теплоизоляции, мин. (мм)
80 mm
Толщина перекрываемой теплоизоляции, макс. (мм)
450 mm
Двойная защита: от воды, а также от огня. На чем основана стабильная защита, обеспечиваемая воронками и вентиляторами SitaFireguard®? На простой, но гениальной идее: это продуманный противопожарный фартук, прочно соединенный с усилительной пластиной в трапециевидной жестяной кровле. К тому же: Весь монтаж можно выполнять прямо с кровли.












