SitaTurbo
Max with retaining ring
Attributes
Article number
18106599
Material
Rust-proof stainless steel
Material number
1.4301
Design
1000 mm
Standards
DIN EN 1253-2
Loose flange height
200 mm
Colour
Silver
Finish
Smooth
Opening/Core borehole (mm)
170 mm
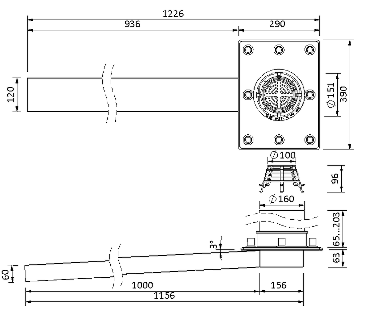
The SitaTurbo is something really special. When installed in the roof surface, this robust and extremely flat roof outlet routes water outwards through the parapet. Minimal weakening of the thermal insulation and the external pipeline system minimise thermal bridges. The standard Turbo is great for piped drainage, but the SitaTurbo Max has a round inlet to optimise flow characteristics, making it perfect for use with a spout.
+












