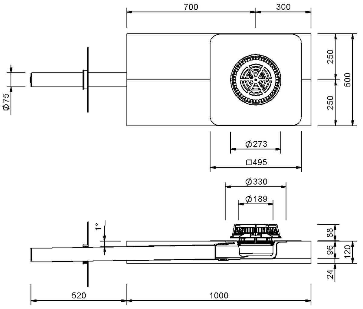
SitaDSS Indra DN 70
Avaloir d’acrotère
Caractéristiques
Normes
NBN EN 1253-2
Numéro d'article
147729
raccord
Thermoplan TL blanc nacré-Manchon
Diamètre extérieur DE (mm)
75 mm
Diamètre de la bride
330 mm
Hauteur de la naissance
98 mm
Diamètre intérieur de la naissance
189 mm
Résistance à haute température min.
-40 °C
Résistance à haute température max.
80 °C
Catégorie de matériau
Euroclasse A1 Incombustible
Découvrez l’évacuation dépressionnaire par l’acrotère pour les petites et grandes surfaces de toiture grâce à SitaDSS Indra. Pour la première fois, le montage d’un système DSS est également intéressant pour les toitures plates de moins de 1000 m2. Ultra plat, cet élément haut de seulement 98 mm se loge parfaitement dans l’isolation thermique. Prêt-à-monter dans le carton jaune typique de Sita, le set contient tout ce qu’il vous faut pour un montage rapide. Au choix pour l’évacuation principale ou l’évacuation de secours. Le set inclut des tuyaux en acier inoxydable adaptés. Et tout coule !
+












