SitaSani®
Avaloir spécial rénovation
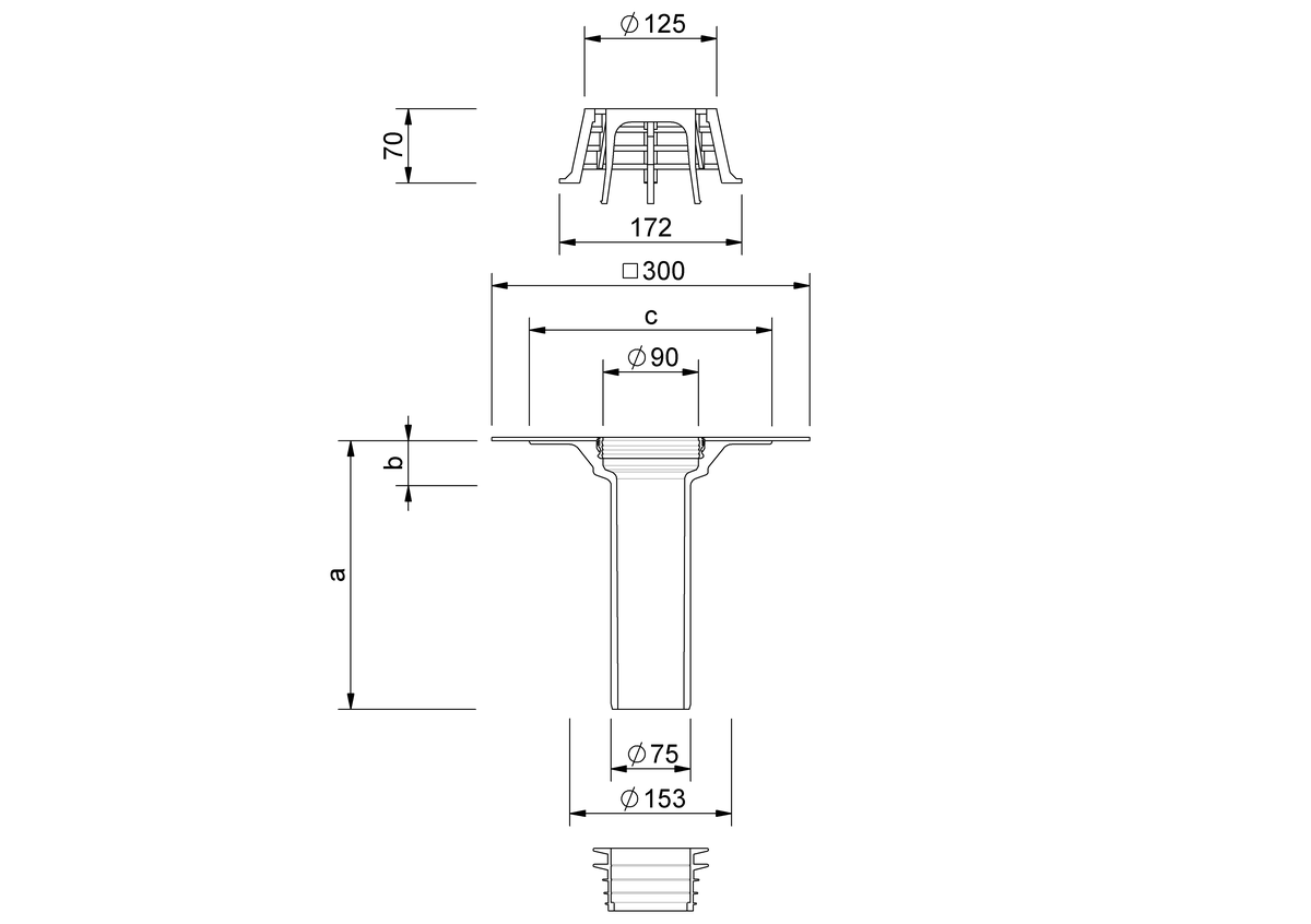
| Diamètre nominal DN | Diamètre extérieur DE (mm) | a (mm) | b (mm) | c (mm) | Sécurité d'accumulation pour la rénovation de diamètres intérieurs de/à (mm) avec bague d’étanchéité à lèvres | Sécurité d'accumulation pour la rénovation de diamètres intérieurs de/à (mm) avec bague d’étanchéité profilée |
|---|---|---|---|---|---|---|
| 70 | 75 | 255 | 44 | 229 | 82 - 103 | - |
Texte explicatif
Débit
Débit selon NBN EN 1253-2 in l/s
Hier finden Sie eine Übersicht über alle verfügbaren Abflussmengen.
Exemples d'installation
Sélection d’articles
SitaSani® 70 Avaloir spécial rénovation, en polyuréthane, hauteur de 255 mm, calorifuge, selon NBN EN 1253-2, débit de 4,1 l/s pour un niveau d’eau de 35 mm, pour diamètres intérieurs de 82 à 103 mm. Avec grand manchon de raccordement adapté intégré (300 x 300 mm) pour une liaison homogène à l’étanchéité de la toiture. Avec bague de fixation pour un meilleur maintien du manchon de raccordement et pour la réception de l’arrêt de gravier. Complet, avec arrêt de gravier, lubrifiant et bague d’étanchéité multilèvre pour la sécurité antirefoulement. Fourniture et pose selon les règles de l’art.
|
Niveau d’eau (mm) | ||||||||||||||||||||
|---|---|---|---|---|---|---|---|---|---|---|---|---|---|---|---|---|---|---|---|---|
| Modèle | 5 | 10 | 15 | 20 | 25 | 30 | 35 | 40 | 45 | 50 | 55 | 60 | 65 | 70 | 75 | 80 | 85 | 90 | 95 | 100 |
| 255 mm | 0.7 | 1.2 | 1.7 | 2.2 | 2.5 | 3.4 | 4.1 | 4.7 | 5.3 | 5.9 | 6.8 | 7.6 | 9 | 10 | 10.6 | 10.6 | 10.6 | 10.6 | 10.6 | 10.6 |
SitaSani® pour rénovation de pot dans une structure non ventilée
SitaSani® se compose de :
1.1 Bague d’étanchéité profilée
1.2 Corps de base
1.3 Arrêt de gravier
1.1 Bague d’étanchéité profilée
1.2 Corps de base
1.3 Arrêt de gravier
Structure non ventilée selon les règles techniques généralement reconnues (aaRdT) avec :
- Étanchéité
- Isolation thermique
- Pare-vapeur
- Élément porteur
SitaSani® pour rénovation de tuyau dans une structure non ventilée
SitaSani® 63/90/105 se compose de :
1.1 Bague d’étanchéité
1.2 Corps de base
1.3 Arrêt de gravier
2 SitaSani® 63/90/105 Pièce d’isolation
1.1 Bague d’étanchéité
1.2 Corps de base
1.3 Arrêt de gravier
2 SitaSani® 63/90/105 Pièce d’isolation
Structure non ventilée selon les règles techniques généralement reconnues (aaRdT) avec :
- Nouvelle étanchéité
- Nouvelle isolation thermique
- Étanchéité existante
- Isolation thermique existante
- Pare-vapeur
- Élément porteur
+












