SitaTurbo
Afvoerkolk doorheen de dakopstand
Productkenmerken
Normen
NBN EN 1253-2
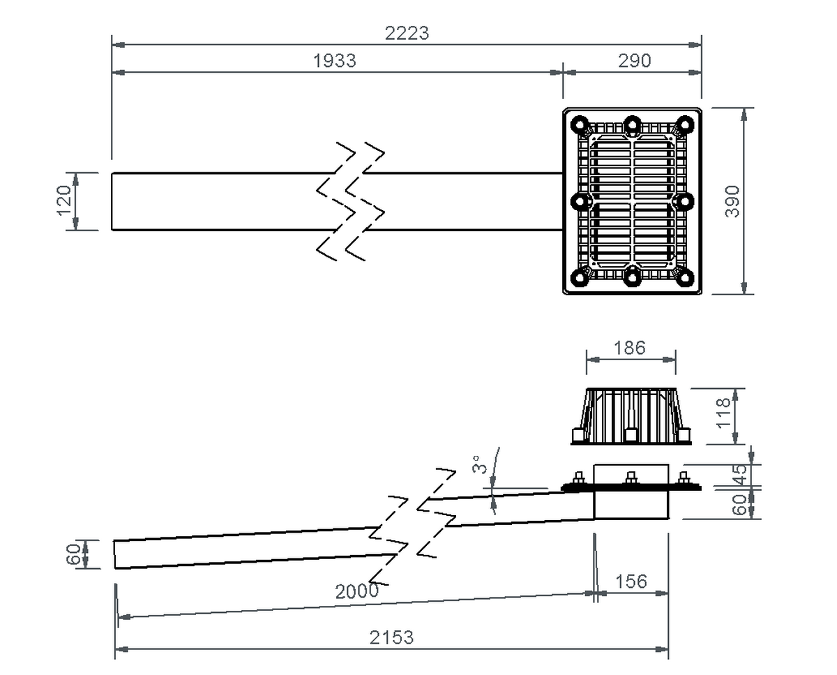
Bestelnummer
187699
Materiaal
roestvrij staal (rvs)
Materiaalnummer
1.4301
Bouwvorm
2000 mm
Hoogte losse flens
45 mm
Kleur
Zilverkleurig
Oppervlakte
Glad
Doorbreking/kernboring (mm)
170 mm
SitaTurbo afvoerkolken zijn ongeëvenaard. Deze robuuste en ultraplatte dakkolken worden ingebouwd in het dakvlak en voeren hemelwater via de dakopstand naar buiten af. Bovendien worden koudebruggen voorkomen, want het verlies aan warmte-isolatievermogen blijft minimaal en het buizensysteem ligt volledig buiten het gebouw. Terwijl de Basis-Turbo goed scoort voor de waterafvoer via buizen, schittert de SitaTurbo Max bij gebruik als spuwer door zijn stromingsgunstige ronde inloop.
+












