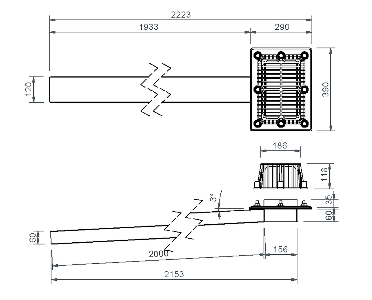
SitaTurbo
Parapet outlet
Attributes
Standards
DIN EN 1253-2
Article number
187399
Material
Rust-proof stainless steel
Material number
1.4301
Design
2000 mm
Loose flange height
35 mm
Colour
Silver
Finish
Smooth
Opening/Core borehole (mm)
170 mm
The SitaTurbo is something really special. When installed in the roof surface, this robust and extremely flat roof outlet routes water outwards through the parapet. Minimal weakening of the thermal insulation and the external pipeline system minimise thermal bridges. The standard Turbo is great for piped drainage, but the SitaTurbo Max has a round inlet to optimise flow characteristics, making it perfect for use with a spout.
+












