SitaDSS Indra
Avaloir d’acrotère
- Produits
SitaDSS Indra
Avaloir d’acrotère
| Diamètre nominal DN | Diamètre extérieur DE (mm) |
|---|---|
| 70 | 75 |
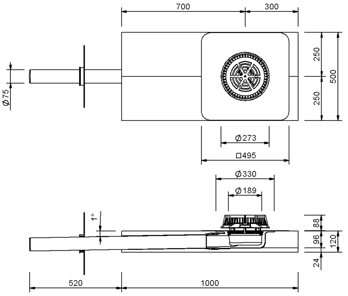
SitaDSS Indra Set d’évacuation principale pour l’évacuation dépressionnaire, avec avaloir d’acrotère coudé, en polyuréthane, calorifuge, selon NBN EN 1253-2, diamètre nominal DN 70, débit de 17,0 l/s pour un niveau d’eau de 45 mm, avec tuyau de raccordement et colliers de serrage en acier inoxydable, plaque pare-vapeur flexible pour le raccordement sécurisé du pare-vapeur, pièce d’isolation en PUR de conductibilité thermique lambda = 0,025 W/mK et résistance à la compression de 200 kPa. Avec grand manchon de raccordement adapté intégré (495 x 495 mm) et bague de fixation pour un meilleur maintien du manchon de raccordement et pour la réception de l’arrêt de gravier fourni, avec dispositif Airstop. Set complet avec conduite de descente de 2,0 m (1 tuyau de 2000 mm), 3,0 m (1 tuyau de 1000 mm + 1 tuyau de 2000 mm) ou 4,0 m (2 tuyaux de 2000 mm), y compris colliers d’attache. Fourniture et pose selon les règles de l'art.
|
Niveau d’eau (mm) | ||||||||||||||||||||
|---|---|---|---|---|---|---|---|---|---|---|---|---|---|---|---|---|---|---|---|---|
| Modèle | 5 | 10 | 15 | 20 | 25 | 30 | 35 | 40 | 45 | 50 | 55 | 60 | 65 | 70 | 75 | 80 | 85 | 90 | 95 | 100 |
| 2,0 m | 0.7 | 2.1 | 3.4 | 5 | 6.6 | 8.6 | 10.6 | 12 | 13.4 | 13.4 | 13.4 | 13.4 | 13.4 | 13.4 | 13.4 | 13.4 | 13.4 | 13.4 | 13.4 | 13.4 |
| 3,0 m | 0.9 | 2.3 | 3.4 | 5.1 | 6.7 | 8.7 | 10.7 | 13.6 | 15.5 | 15.5 | 15.5 | 15.5 | 15.5 | 15.5 | 15.5 | 15.5 | 15.5 | 15.5 | 15.5 | 15.5 |
| 4,0 m | 0.9 | 2.4 | 3.9 | 5.5 | 7.1 | 9.1 | 11 | 14 | 17 | 17 | 17 | 17 | 17 | 17 | 17 | 17 | 17 | 17 | 17 | 17 |
SitaDSS Indra Set d’évacuation principale dans une toiture non ventilée
1.1 SitaPipe Acier inoxydable Tuyau
1.2 SitaPipe Acier inoxydable Collier d'attache
1.3 SitaPipe Acier inoxydable Collier de serrage
1.4 SitaPipe Acier inoxydable Coude 87,5°
1.5 SitaMore Plaque pare-vapeur flexible
1.6 SitaIndra Pièce d’isolation
1.7 SitaPipe Acier inoxydable Tuyau
1.8 SitaDSS Indra Corps de base
1.9 SitaDSS Indra Dispositif Airstop
1.10 SitaDSS Indra Arrêt de gravier
1.11 SitaDSS Indra Bague de fixation pour dispositif Airstop
2 SitaPipe Acier inoxydable Collier de serrage
3 SitaPipe Acier inoxydable Tuyau de nettoyage
4 SitaPipe Acier inoxydable Raccord adaptateur excentrique
5 SitaPipe Acier inoxydable Collier d’attache
- Étanchéité
- Isolation thermique
- Pare-vapeur
- Élément porteur
- Ouverture à travers l’acrotère avec bande de jonction
You can adjust the cookie settings here.












