SitaEasy DN 100
Парапетная воронка
Свойства
Арт. №
183434
Подключение
Rhepanol HG 18-Фартук
Стандарты
DIN EN 1253-2
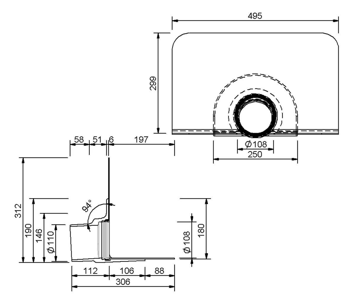
Наружный диаметр OD (мм)
110 mm
Проем / установочное отверстие (мм)
170 mm
Длина патрубка
58 mm
Высота чаши
51 mm
Внутренний диаметр чаши
108 mm
Мин. термостойкость
-20 °C
Макс. термостойкость
80 °C
Класс стройматериалов
Еврокласс Е/B2 нормальное воспламенение
SitaEasy применяются для основных и аварийных систем водоотвода через парапетную стену. Прочно вваренный соединительный фартук позволяет монтажнику выполнять простое, надежное и однородное соединение с гидроизоляцией кровли.
+












