SitaVent Fireguard®
Противопожарный вентилятор
- Продукция
Кровельная вентиляция
Противопожарный вентилятор
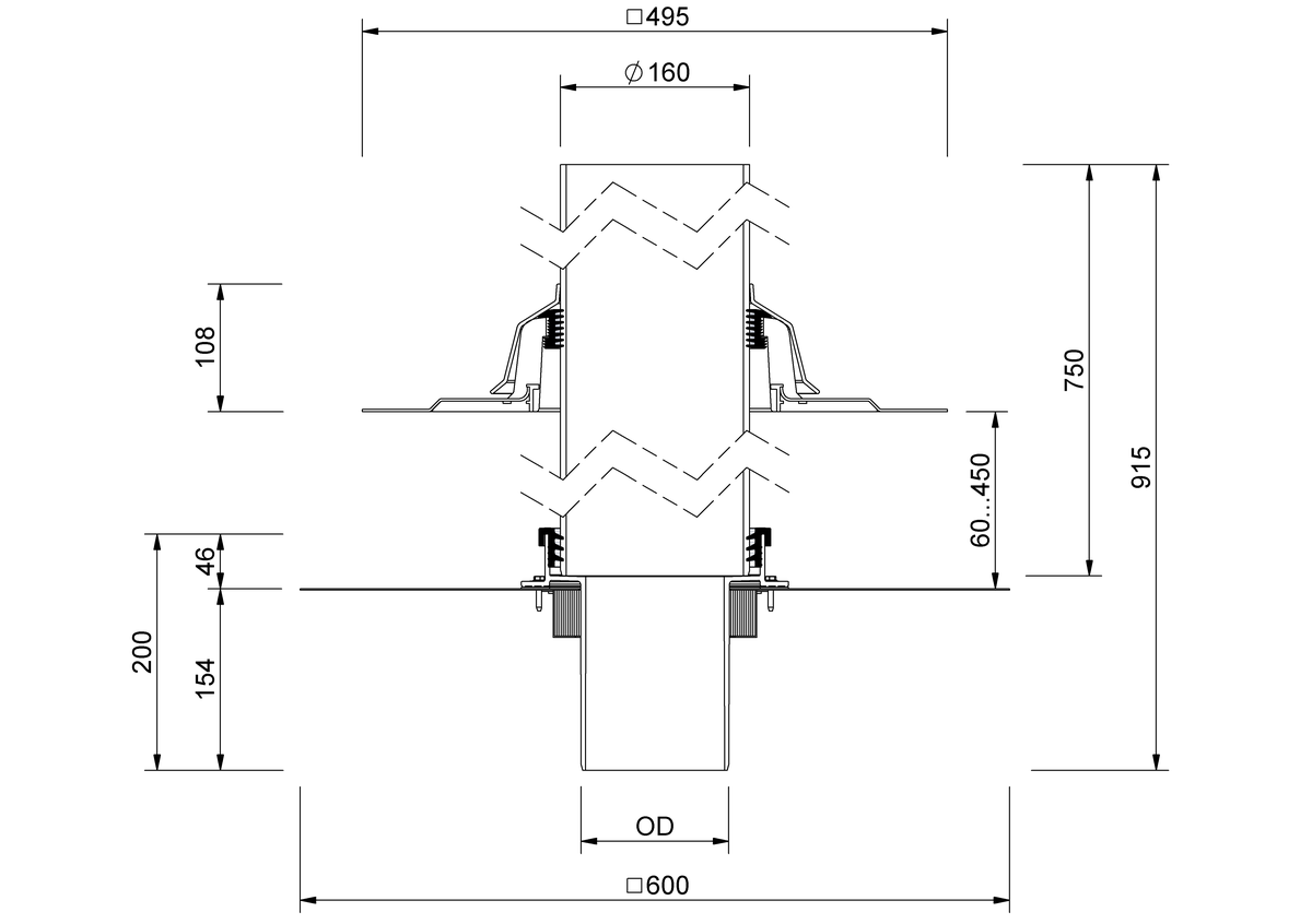
| Номинальный диаметр DN | Наружный диаметр OD (мм) | Проем / установочное отверстие (мм) | Размер выемки (мм x мм) | Толщина перекрываемой теплоизоляции, мин. (мм) | Толщина перекрываемой теплоизоляции, макс. (мм) |
|---|---|---|---|---|---|
| 100 | 110 | 235 | 190 mm x 190 mm | 60 | 450 |
| 125 | 125 | 255 | 200 mm x 200 mm | 60 | 450 |
| 70 | 75 | 185 | 150 mm x 150 mm | 60 | 450 |
| 150 | 160 | 300 | 300 mm x 300 mm | 60 | 450 |
SitaVent Fireguard® для мероприятий по пожарозащите и предотвращения распространения огня снизу через малые горючие отверстия в кровле согласно DIN 18234, часть 3 и 4, в составе: Корпус из ПЭ, манжета для крепления к усилительной пластине и для фиксации пароизоляции, корпус вентилятора с вваренным соединительным фартуком (495 мм x 495 мм), труба ПЭ, DN/OD 150/160, длиной 750 мм, для слоя теплоизоляции высотой от 60 до 450 мм, семикромочным уплотнительным манжетом, защитной крышкой из полиамида. Для прямого подключения к трубам с раструбом, с уплотнительной манжетой и усилительной пластиной согласно DIN EN 1090-4 с собранной противопожарной манжетой, поставка и квалифицированный монтаж.
SitaVent Fireguard® в невентилируемой кровле
1.1 Усилительная пластина
1.2 Уплотнительная манжета
1.3 Саморез
1.4 Уплотнение
1.5 Противопожарная манжета
1.6 Корпус из ПЭ
1.7 Присоединительная труба
1.8 Уплотнительная манжета
1.9 Дождеотводчик
1.10 Пароизоляционная плита
Защитный колпак SitaVent состоит из следующих элементов:
2.1 Уплотнительная манжета
2.2 Корпус
- гидроизоляция
- огнестойкая теплоизоляция, мин. 1,0 м x 1,0 м
- пароизоляция
- не горючий профильный наполнитель
- стальной трапециевидный профиль
You can adjust the cookie settings here.












