SitaDSS Profi
Avaloir à évacuation dépressionnaire
- Produits
SitaDSS Profi
Avaloir à évacuation dépressionnaire
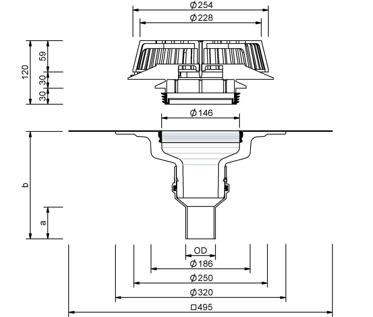
| Diamètre nominal DN | Diamètre extérieur DE (mm) | Percée / percement (mm) | a (mm) | b (mm) |
|---|---|---|---|---|
| 56 | 56 | 250 | 60 | 202 |
| 70 | 75 | 250 | 60 | 194 |
| 90 | 90 | 250 | 60 | 189 |
SitaDSS Profi Avaloir à évacuation dépressionnaire, en polyuréthane, calorifuge, selon NBN EN 1253-2, avec dispositif Airstop, diamètre nominal DN 56 ou DN 70, pour le raccordement direct de tuyaux PE (soudage bord à bord ou avec manchon électrosoudable) ou du système de conduites SitaPipe Acier inoxydable, pour l’évacuation dépressionnaire, avec grand manchon de raccordement adapté (495 x 495 mm) et bague de fixation pour un meilleur maintien du manchon de raccordement et pour la réception du dispositif Airstop avec arrêt de gravier. Fourniture et pose selon les règles de l’art.
|
Niveau d’eau (mm) | ||||||||||||||||||||
|---|---|---|---|---|---|---|---|---|---|---|---|---|---|---|---|---|---|---|---|---|
| Diamètre nominal DN | 5 | 10 | 15 | 20 | 25 | 30 | 35 | 40 | 45 | 50 | 55 | 60 | 65 | 70 | 75 | 80 | 85 | 90 | 95 | 100 |
| 90 | 0.8 | 2 | 3.1 | 4.2 | 5.2 | 7 | 8.7 | 13.4 | 18 | 20.2 | 22.3 | 23 | 23.7 | 23.9 | 24 | 24 | 24 | 24 | 24 | 24 |
| DN 56 | 0.7 | 2 | 3.2 | 4.1 | 4.9 | 6.6 | 8.2 | 8.2 | 8.2 | 8.2 | 8.2 | 8.2 | 8.2 | 8.2 | 8.2 | 8.2 | 8.2 | 8.2 | 8.2 | 8.2 |
| DN 70 | 0.5 | 1.3 | 2.8 | 4.2 | 5.5 | 7.6 | 9.4 | 12.9 | 16.3 | 16.7 | 17 | 17 | 17 | 17 | 17 | 17 | 17 | 17 | 17 | 17 |
|
Niveau d’eau (mm) | ||||||||||||||||||||
|---|---|---|---|---|---|---|---|---|---|---|---|---|---|---|---|---|---|---|---|---|
| Diamètre nominal DN | 5 | 10 | 15 | 20 | 25 | 30 | 35 | 40 | 45 | 50 | 55 | 60 | 65 | 70 | 75 | 80 | 85 | 90 | 95 | 100 |
| 90 | 0.6 | 1.5 | 2.4 | 3.9 | 5.4 | 9.2 | 13 | 16.3 | 19.6 | 21.5 | 23.4 | 23.6 | 23.8 | 23.9 | 23.9 | 23.9 | 23.9 | 23.9 | 23.9 | 23.9 |
| DN 56 | 0.9 | 2.2 | 3.5 | 5.2 | 6.9 | 8.2 | 8.2 | 8.2 | 8.2 | 8.2 | 8.2 | 8.2 | 8.2 | 8.2 | 8.2 | 8.2 | 8.2 | 8.2 | 8.2 | 8.2 |
| DN 70 | 1 | 2.1 | 3.6 | 5.6 | 7.4 | 10.6 | 13.6 | 17 | 17.1 | 17.1 | 17.2 | 17.2 | 17.2 | 17.2 | 17.2 | 17.2 | 17.2 | 17.2 | 17.2 | 17.2 |
SitaDSS Profi dans une toiture non ventilée
SitaDSS Profi se compose de :
2.1 Manchon d’assemblage en PE avec mousqueton
2.2 Corps de base
2.3 Bague de fixation pour dispositif Airstop
2.4 Arrêt de gravier
2.5 Dispositif Airstop
SitaDSS Profi Élément de surélévation se compose de :
3.1 Corps de base
3.2 Bague d’étanchéité
4 SitaDSS Profi Pièce d'isolation pour élément de surélévation
5 SitaDSS Rail Rail de montage
6 SitaDSS Rail Suspension
7 SitaDSS Clamp
8 SitaPipe PE Manchon électrosoudable
9 SitaPipe PE Embranchement
10 SitaPipe PE Coude
11 SitaPipe PE Raccord de réduction
12 SitaPipe PE Tuyau
- Étanchéité
- Isolation thermique
- Pare-vapeur
- Élément porteur
SitaDSS Profi avec SitaDSS Profi Élément de retenue pour l’évacuation de secours dans une toiture non ventilée
SitaDSS Profi se compose de :
2.1 Manchon d’assemblage en PE avec mousqueton
2.2 Corps de base
SitaDSS Profi Élément de surélévation se compose de :
3.1 Corps de base
3.2 Bague d’étanchéité
SitaDSS Profi Élément de retenue se compose de :
4.1 Dispositif Airstop
4.2 Bague d’étanchéité
4.3 Corps de base
5 SitaDSS Profi Pièce d'isolation pour élément de surélévation
6 SitaDSS Rail Rail de montage
7 SitaDSS Rail Suspension
8 SitaDSS Clamp
9 SitaDSS PE Manchon électrosoudable
10 SitaDSS PE Embranchement
11 SitaDSS PE Coude
12 SitaDSS PE Raccord de réduction
13 SitaDSS PE Tuyau
- Étanchéité
- Isolation thermique
- Pare-vapeur
- Élément porteur
SitaDSS Profi avec SitaMore Set de raccords adaptateurs dans une structure non ventilée
2 SitaDSS Profi Pièce d'isolation pour élément de surélévation
SitaMore Set de raccords adaptateurs se compose de :
3.1 Raccords en EPDM/V2A
3.2 Couronne d’appui en acier inoxydable
(Une fixation suffisante du système de conduites à la construction doit être assurée sur le chantier.)
SitaDSS Profi se compose de :
4.1 Corps de base en PUR pour avaloir
4.2 Manchon d’assemblage avec joint
SitaDSS Airstop se compose de :
5.1 Dispositif Airstop avec bague de fixation
5.2 Arrêt de gravier avec vis de montage
SitaDSS Profi Élément de surélévation se compose de :
6.1 Corps de base en PUR pour élément de surélévation
6.2 Bague d'étanchéité pour élément de surélévation
- Étanchéité
- Isolation thermique
- Pare-vapeur
- Élément porteur
SitaDSS Profi et SitaPipe Acier inoxydable Système de conduites pour l’évacuation principale dans une structure non ventilée
1.1 Manchon d'assemblage
1.2 Corps de base
1.3 Bague de fixation pour dispositif Airstop
1.4 Dispositif Airstop
1.5 Arrêt de gravier
SitaDSS Profi Élément de surélévation se compose de :
2.1 Corps de base
2.2 Bague d’étanchéité
3 SitaDSS Profi Pièce d'isolation pour élément de surélévation
4 SitaPipe Acier inoxydable Tuyau
5 SitaPipe Acier inoxydable Collier de serrage
6 SitaPipe Acier inoxydable Équerre de fixation
7 SitaPipe Acier inoxydable Embranchement 45º
8 SitaPipe Acier inoxydable Coude
9 SitaPipe Acier inoxydable Raccord excentrique
- Étanchéité
- Isolation thermique
- Pare-vapeur
- Élément porteur
You can adjust the cookie settings here.












