SitaVent wywietrznik modernizacyjny
Wentylacja
- Produkty
SitaVent wywietrznik modernizacyjny
Wentylacja
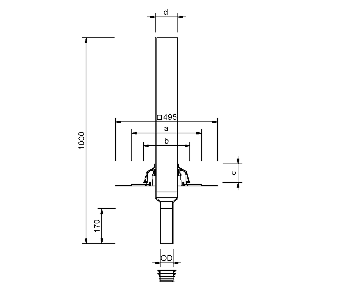
| Średnica nominalna DN | Średnica zewnętrzna OD (mm) | Przejście / otwór roboczy (mm) | a (mm) | b (mm) | c (mm) | d (mm) | Zabezpieczenie przed zatorami w przypadku średnic wewnętrznych przeznaczonych do renowacji od–do (mm) z wargowym pierścieniem uszczelniającym |
|---|---|---|---|---|---|---|---|
| 125 | 125 | 220 | 376 | 278 | 93 | 160 | 140 - 168 |
| 63 | 63 | 170 | 340 | 227 | 90 | 110 | 68 - 86 |
| 90 | 90 | 170 | 340 | 227 | 90 | 110 | 100 - 109 |
| 160 | 160 | 220 | 376 | 278 | 93 | 160 | 178 - 205 |
| 75 | 75 | 170 | 340 | 227 | 90 | 110 | 82 - 103 |
| 110 | 110 | 170 | 340 | 227 | 90 | 110 | 115 - 130 |
Tekst wykonania
Przykłady instalacji
Wybór artykułu
SitaVent Wywietrznik modernizacyjny, z poliuretanu, izolowany cieplnie, do modernizacji rur wentylacyjnych o średnicy wewnętrznej 68–205 mm, z fabrycznie zamontowanym na stałe kołnierzem przyłączeniowym dopasowanym do izolacji dachu. W zestawie rura PE o długości 1000 mm, środek smarujący i izolacja do zabezpieczania przed spiętrzeniem. Element dostarczany gotowy do montażu.
SitaVent Wywietrznik modernizacyjny z separatorem kondensatu SitaVent w niewentylowanej konstrukcji dachowej
1 Blacha wzmacniająca SitaMore
Płyta główna SitaVent składa się z następujących elementów:
2.1 Płyta główna
2.2 Pierścień uszczelniający
Kondensator skroplin SitaVent składa się z następujących elementów:
3.1 Adapter do rury do odprowadzania pary wodnej
3.2 Kołpak przeciwdeszczowy
3.3 Rura kondensatora
Wywietrznik modernizacyjny SitaVent składa się z następujących elementów:
4.1 Rura przyłączeniowa
4.2 Pierścień uszczelniający
4.3 Kołpak ochronny dolny
4.4 Płyta główna
4.5 Uszczelka
5 Korpus termoizolacyjny płyty głównej SitaVent
Płyta główna SitaVent składa się z następujących elementów:
2.1 Płyta główna
2.2 Pierścień uszczelniający
Kondensator skroplin SitaVent składa się z następujących elementów:
3.1 Adapter do rury do odprowadzania pary wodnej
3.2 Kołpak przeciwdeszczowy
3.3 Rura kondensatora
Wywietrznik modernizacyjny SitaVent składa się z następujących elementów:
4.1 Rura przyłączeniowa
4.2 Pierścień uszczelniający
4.3 Kołpak ochronny dolny
4.4 Płyta główna
4.5 Uszczelka
5 Korpus termoizolacyjny płyty głównej SitaVent
Niewentylowana konstrukcja dachowa zgodnie z aaRdT z:
- uszczelnieniem
- izolacją cieplną
- paroizolacją
- konstrukcją dolną
+












