SitaDSS Profi
Siphonic drainage outlet
- Products
SitaDSS Profi
Siphonic drainage outlet
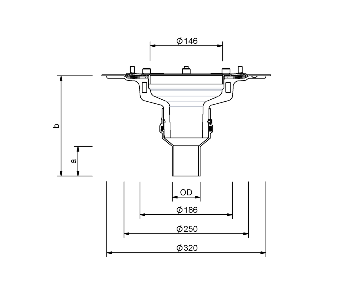
| Size DN | External diameter OD (mm) | Opening/Core borehole (mm) | a (mm) | b (mm) |
|---|---|---|---|---|
| 56 | 56 | 250 | 60 | 202 |
| 70 | 75 | 250 | 60 | 194 |
| 90 | 90 | 250 | 60 | 189 |
SitaDSS Profi siphonic drainage rainwater outlet without Airstop, made of polyurethane, thermally insulated, to DIN EN 1253-2, in sizes DN 56 of DN 70, for direct connection to the PE pipes (butt welding or with electrofusion socket), or to the SitaPipe Edelstahl pipe system, for siphonic drainage, with pre-drilled holes to secure the component in the substructure, with foamed-in insert ring for the supplied screws, loose aluminium flange and two sealing sleeves for clamping bitumen, plastic or EPDM roofing membranes. Only in combination with the SitaDSS Profi retaining element, supply and install to professional standards.
SitaDSS Profi in a non-ventilated roof structure
SitaDSS Profi consisting of:
2.1 PE plug-in coupler snap-on ring
2.2 Base body
2.3 Fastening ring for Airstop
2.4 Dome grate
2.5 Airstop
SitaDSS Profi extension unit consisting of:
3.1 Base body
3.2 Sealing ring
4 SitaDSS Profi insulating body for extension unit
5 SitaDSS Rail mounting rail
6 SitaDSS Rail suspension unit
7 SitaDSS Clamp
8 SitaPipe PE electrofusion socket
9 SitaPipe PE branch
10 SitaPipe PE bend
11 SitaPipe PE reduction piece
12 SitaPipe PE pipe
- Waterproof membrane
- Thermal insulation
- Vapour barrier
- Substructure
SitaDSS Profi with SitaDSS Profi retaining element for emergency drainage in a non-ventilated roof structure
SitaDSS Profi consisting of:
2.1 PE plug-in coupler with snap-on ring
2.2 Base body
SitaDSS Profi extension unit consisting of:
3.1 Base body
3.2 Sealing ring
SitaDSS Profi retaining element consisting of:
4.1 Airstop
4.2 Sealing ring
4.3 Base body
5 SitaDSS Profi insulating body for extension unit
6 SitaDSS Rail mounting rail
7 SitaDSS Rail suspension unit
8 SitaDSS Clamp
9 SitaDSS PE electrofusion socket
10 SitaDSS PE branch
11 SitaDSS PE bend
12 SitaDSS PE reduction piece
13 SitaDSS PE pipe
- Waterproof membrane
- Thermal insulation
- Vapour barrier
- Substructure
SitaDSS Profi with SitaMore transition connector set in a non-ventilated roof structure
2 SitaDSS Profi insulating body for extension unit
SitaMore transition connector set consisting of:
3.1 EPDM/V2A connector
3.2 Support ring made of rust-proof stainless steel
(Sufficient fastening of the pipe system to the building structure must be ensured on site.)
SitaDSS Profi consisting of:
4.1 PUR base body for outlet
4.2 Plug-in coupler with seal
SitaDSS Airstop consisting of:
5.1 Airstop with fastening ring
5.2 Dome grate with installation screw
SitaDSS Profi extension unit consisting of:
6.1 PUR base body extension unit
6.2 Sealing ring for extension unit
- Waterproofing
- Thermal insulation
- Vapour barrier
- Substructure
SitaDSS Profi and SitaPipe stainless steel pipe system for main drainage in non-ventilated roof structures
1.1 PE plug-in coupler
1.2 Base body
1.3 Fastening ring for Airstop
1.4 Airstop
1.5 Dome grate
SitaDSS Profi extension unit consisting of:
2.1 Base body
2.2 Sealing ring
3 SitaDSS Profi insulating body for extension unit
4 SitaPipe Edelstahl pipe
5 SitaPipe Edelstahl safety clamp
6 SitaPipe stainless steel mounting bracket
7 SitaPipe stainless steel branch 45°
8 SitaPipe Edelstahl bend
9 SitaPipe stainless steel transition eccentric
- Waterproof membrane
- Thermal insulation
- Vapour barrier
- Substructure
You can adjust the cookie settings here.
Installation Examples
PDF SitaDSS_Profi_im_nicht_beluefteten_Dachaufbau.pdfPDF SitaDSS_Profi_mit_Anstauelement_im_nicht_beluefteten_Dachaufbau.pdf
PDF SitaDSS_Profi_mit_SitaMore_Uebergangsverbinderset_im_nicht_beluefteten_Dachaufbau.pdf
PDF SitaDSS_Profi_und_SitaPipe_Edelstahl_Rohrsystem_zur_Hauptentwaesserung_im_nicht_beluefteten_Dachaufbau.pdf
Technical drawings
PDF TechnischeZeichnung_143299_en.pdfPDF TechnischeZeichnung_143499_en.pdf
PDF TechnischeZeichnung_143699_en.pdf
DWG TZ_DB_SitaDSS_Profi_Schraubflansch_ohne_Airstop_DN56.dwg
DWG TZ_DB_SitaDSS_Profi_Schraubflansch_ohne_Airstop_DN70.dwg
DWG TZ_DB_SitaDSS_Profi_Schraubflansch_ohne_Airstop_DN90.DWG
| SitaDSS Profi | Article no. | |||
|---|---|---|---|---|
Screw-on flange Without Airstop | ||||
| DN 56 | Screw-on flange | 143299 | Show product | |
| DN 70 | Screw-on flange | 143499 | Show product | |
| DN 90 | Screw-on flange | 143699 | Show product |












