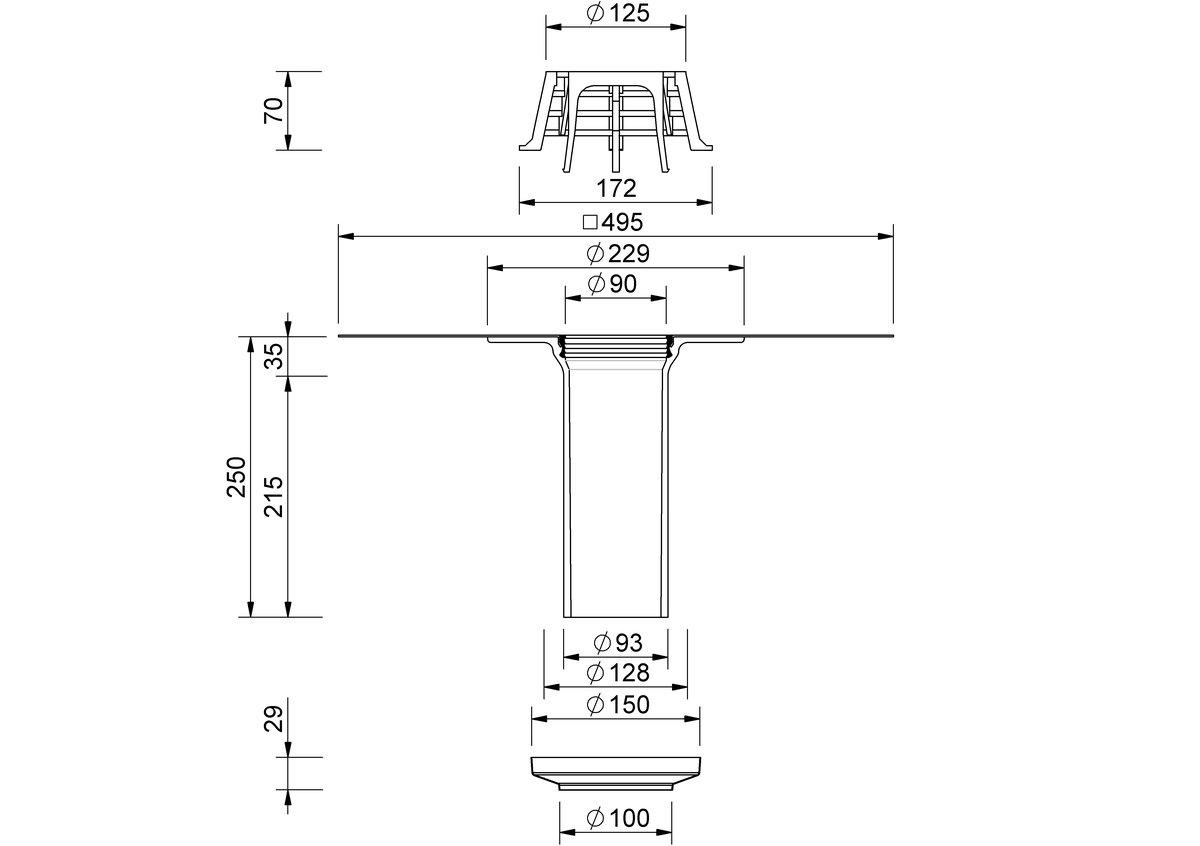
SitaCarport DN 95
Carportgully
Eigenschaften
Artikelnummer
292903
Ausführung
Mit Kupferverblendkappe
Anschluss
Elevate QuickSeam SA Flashing-Manschette
Normen
DIN EN 1253-2
Außendurchmesser OD (mm)
93 mm
Durchbruch / Kernbohrung (mm)
128 mm
Stutzenlänge
215 mm
Topfhöhe
35 mm
Topfinnendurchmesser
90 mm
Temperaturbeständigkeit min.
-20 °C
Temperaturbeständigkeit max.
80 °C
Baustoffklasse
Euroklasse E / B2 normal entflammbar
Will man einen Carport fachgerecht entwässern, kann die saubere Ansicht an der Unterseite zur Herausforderung werden. Der Einsatz eines auf die Einbaumöglichkeiten abgestimmten SitaCarport Gullys vereint sichere Regenentwässerung und repräsentative Optik.













