SitaSteel rectangular waterspout
Parapet outlet
- Products
SitaSteel rectangular waterspout
Parapet outlet
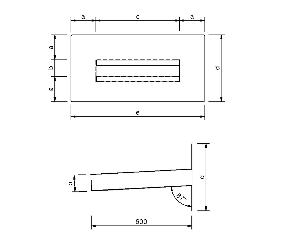
| Pipe cross-section (mm x mm) | a (mm) | b (mm) | c (mm) | d (mm) | e (mm) |
|---|---|---|---|---|---|
| 500 x 100 | 150 | 100 | 500 | 400 | 800 |
| 150 x 50 | 150 | 50 | 150 | 350 | 450 |
| 300 x 100 | 150 | 100 | 300 | 400 | 600 |
Performance text
Streamflow
Discharge rate according to DIN EN 1253-2 in l/s
Hier finden Sie eine Übersicht über alle verfügbaren Abflussmengen.
Installation Examples
Downloads
Article selection
SitaSteel rectangular waterspout Fluid, made of rust-proof stainless steel, material numbers 1.4401 for pipe and 1.4301 for flange, in sizes 150 mm x 50 mm, 300 mm x 100 mm and 500 mm x 100 mm, pipe length 600 mm and 3 degree inclination, for liquid applied waterproofing with surrounding flange width 150 mm, with pre-punched openings in the flange for fixing to the parapet, supply and install to professional standards.
|
Back-up Heigh (mm) | ||||||||||||||||||||
|---|---|---|---|---|---|---|---|---|---|---|---|---|---|---|---|---|---|---|---|---|
| Pipe cross-section (mm x mm) | 5 | 10 | 15 | 20 | 25 | 30 | 35 | 40 | 45 | 50 | 55 | 60 | 65 | 70 | 75 | 80 | 85 | 90 | 95 | 100 |
| 150 x 50 | 0.1 | 0.2 | 0.3 | 0.5 | 0.7 | 1.1 | 1.4 | 1.9 | 2.3 | 2.7 | 2.9 | 3.2 | 3.5 | 3.7 | 4 | 4.2 | 4.4 | 4.6 | 4.8 | 5 |
| 300 x 100 | 0.3 | 0.6 | 0.9 | 1.5 | 2 | 2.6 | 3.2 | 3.9 | 4.6 | 5.8 | 6.3 | 6.9 | 7.7 | 8.5 | 9.3 | 10.1 | 11.2 | 12.2 | 13.2 | 14.2 |
| 500 x 100 | 0.5 | 0.9 | 1.4 | 2.4 | 3.4 | 4.5 | 5.5 | 6.7 | 7.8 | 9.6 | 10.5 | 11.5 | 12.8 | 14 | 15.5 | 17 | 18.5 | 20 | 21.6 | 23.2 |
MultiCAD und BIM-Daten
In order for the external content to be
displayed at this location, you must accept
the cookies of the category
"Preferences".
You can adjust the cookie settings here.
You can adjust the cookie settings here.
| SitaSteel rectangular waterspout | Article no. | |||
|---|---|---|---|---|
Fluid | ||||
| 150 x 50 | Adhesive flange-sleeve | 30101090 | Show product | |
| 300 x 100 | Adhesive flange-sleeve | 30101190 | Show product | |
| 500 x 100 | Adhesive flange-sleeve | 30101290 | Show product |
+












