SitaVasant
Double
- Продукция
SitaVasant
Double
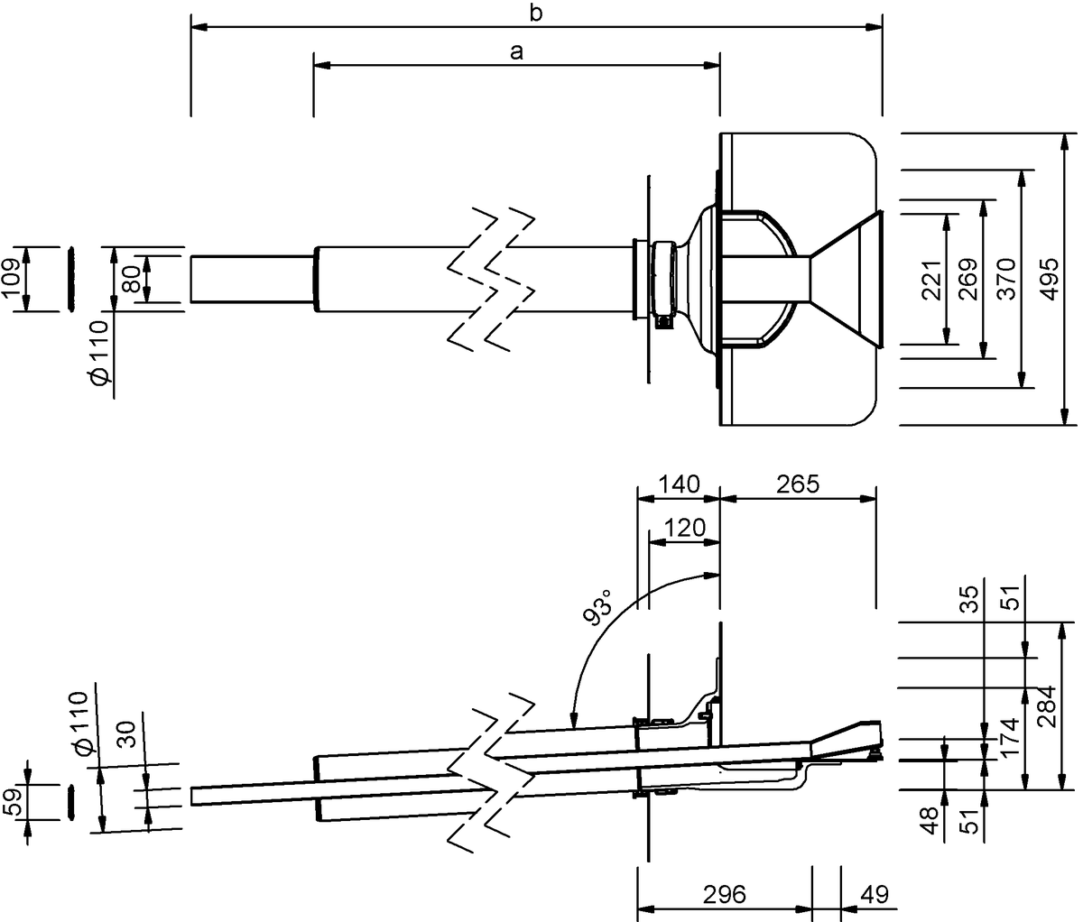
| Номинальный диаметр DN | Наружный диаметр OD (мм) | Проем / установочное отверстие (мм) | a (мм) | b (мм) |
|---|---|---|---|---|
| 100 | 110 | 170 | 642 | 1121 |
| 100 | 110 | 170 | 1142 | 1621 |
SitaVasant Double для непосредственного монтажа в парапет, из полиуретана и нержавеющей стали, материал № 1.4301, основной и аварийный водосток в одном компоненте, с соединительным фартуком из материала на выбор заказчика, с номинальным диаметром DN 100, пропускная способность 2,9 л/с при максимальной высоте подпора воды 35 мм для основного водостока и 2,3 л/с при высоте подпора воды 35 мм для аварийного водостока с переходником SitaVasant , очень малая монтажная высота приемной чаши 48 мм, в комплекте с воронкой, соединительной трубой, страховочным хомутом, каналом и пароизоляционная плитой flex, для самотечных систем водостока, поставка и квалифицированный монтаж.
|
Высота подпора воды (мм) | ||||||||||||||||||||
|---|---|---|---|---|---|---|---|---|---|---|---|---|---|---|---|---|---|---|---|---|
| Длина патрубка | 5 | 10 | 15 | 20 | 25 | 30 | 35 | 40 | 45 | 50 | 55 | 60 | 65 | 70 | 75 | 80 | 85 | 90 | 95 | 100 |
| 1000 мм | 0.5 | 0.7 | 1.3 | 1.7 | 2.1 | 2.4 | 2.7 | 2.9 | 3.1 | 3.3 | 3.5 | 3.7 | 4 | 4.1 | 4.3 | 4.5 | 4.8 | 5 | 5.2 | 5.5 |
| 500 мм | 0.5 | 0.7 | 1.3 | 1.7 | 2.1 | 2.4 | 2.7 | 2.9 | 3.1 | 3.3 | 3.5 | 3.7 | 4 | 4.1 | 4.3 | 4.5 | 4.8 | 5 | 5.2 | 5.5 |
|
Высота подпора воды (мм) | ||||||||||||||||||||
|---|---|---|---|---|---|---|---|---|---|---|---|---|---|---|---|---|---|---|---|---|
| Длина патрубка | 5 | 10 | 15 | 20 | 25 | 30 | 35 | 40 | 45 | 50 | 55 | 60 | 65 | 70 | 75 | 80 | 85 | 90 | 95 | 100 |
| 1000 мм | 0.5 | 0.8 | 1.1 | 1.5 | 1.8 | 2.1 | 2.3 | 2.4 | 2.6 | 2.7 | 2.8 | 2.9 | 2.9 | 2.9 | 2.9 | 2.9 | 2.9 | 2.9 | 2.9 | 2.9 |
| 500 мм | 0.5 | 0.8 | 1.1 | 1.5 | 1.8 | 2.1 | 2.3 | 2.4 | 2.6 | 2.7 | 2.8 | 2.9 | 2.9 | 2.9 | 2.9 | 2.9 | 2.9 | 2.9 | 2.9 | 2.9 |
SitaVasant Double с листвоуловителем в невентилируемой кровле
2 Крепежный хомут SitaPipe из высококачественной нержавеющей стали
3 Фиксаторный хомут SitaPipe из высококачественной нержавеющей стали
4 Уплотнительная манжета SitaMore
5 Переходник SitaVasant Double
SitaVasant Double состоит из:
6.1 Труба
6.2 Канал аварийного водостока
6.3 Пароизоляционная плита
6.4 Страховочный хомут
6.5 Воронка
6.6 Шарнирная опора
7 Листвоуловитель SitaVasant Double
- гидроизоляция
- теплоизоляция
- пароизоляция
- несущая конструкция
SitaVasant Double с листвоуловителем в каркасном строении
2 Фиксаторный хомут SitaPipe из высококачественной нержавеющей стали
3 Труба SitaPipe из высококачественной нержавеющей стали
4 Переходник SitaVasant Double
5 Уплотнительная манжета SitaMore
SitaVasant Double состоит из:
6.1 Труба
6.2 Страховочный хомут
6.3 Канал аварийного водостока
6.4 Воронка
6.5 Шарнирная опора
7 Листвоуловитель SitaVasant Double
- гидроизоляция
- потолочная балка
- теплоизоляция
- пароизоляция
You can adjust the cookie settings here.












