SitaTurbo
Max with retaining ring
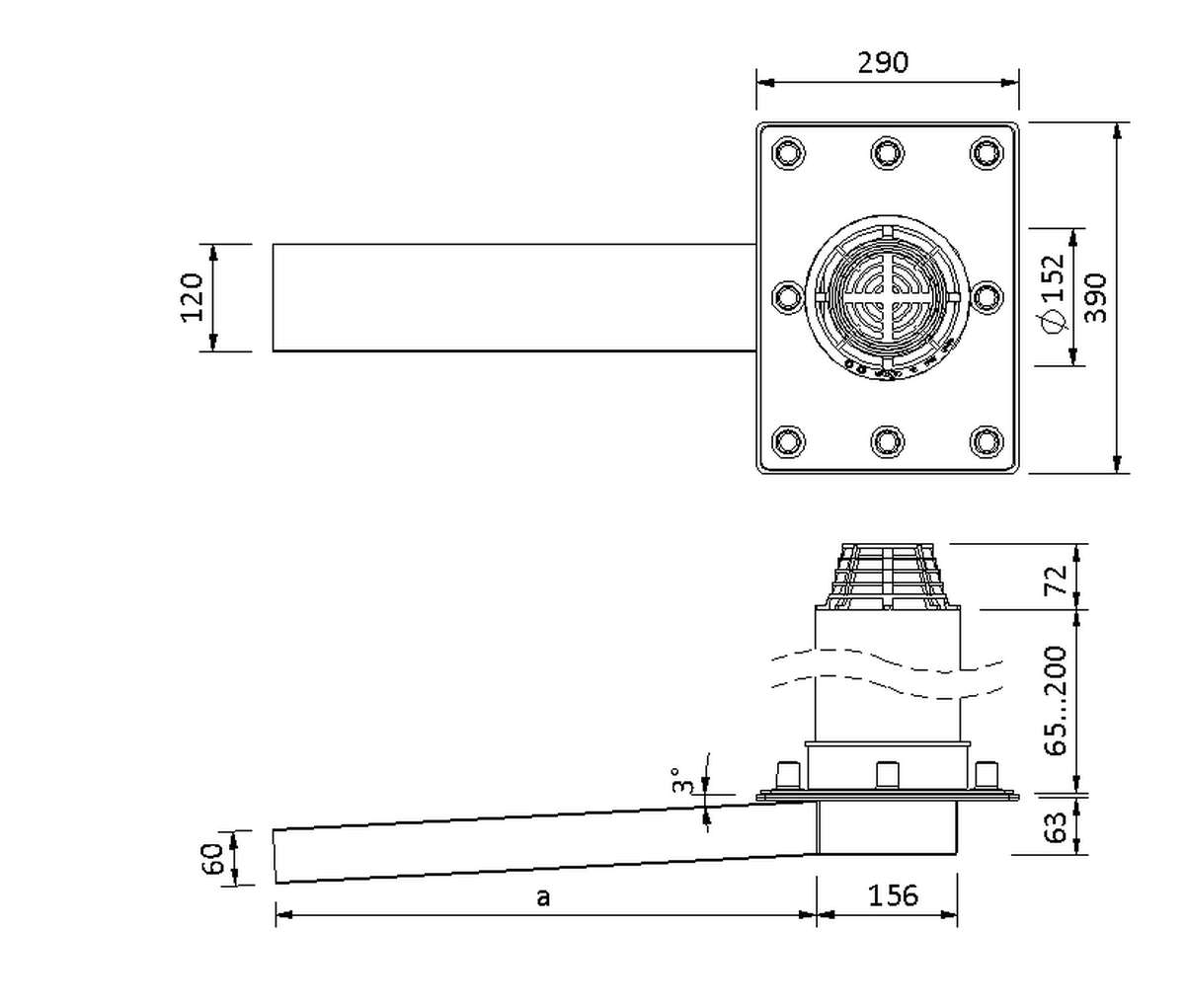
| Opening/Core borehole (mm) | Pipe cross-section (mm x mm) | a (mm) |
|---|---|---|
| 170 | 120 x 60 | 2000 |
| 170 | 120 x 60 | 1000 |
| 170 | 120 x 60 | 600 |
Performance text
Streamflow
Discharge rate according to DIN EN 1253-2 in l/s
Hier finden Sie eine Übersicht über alle verfügbaren Abflussmengen.
Installation Examples
MultiCAD und BIM-Daten
Downloads
Article selection
SitaTurbo Max retaining ring, made of rust-proof stainless steel, material number 1.4301 to DIN EN 1253-2, with screw-on flange construction, 600 mm / 1000 mm / 2000 mm pipe length, discharge rate as waterspout 8.8 l/s at 65 mm retaining height, 200 mm PE-HD retaining ring that can be shortened on site, sealing ring for PE ring, with 55 mm loose retaining flange and two sealing sleeves for clamping of bitumen, plastic or EPDM roofing membranes. With eight M12 stainless steel threaded rods, brass nuts, protective caps, washers and dome grate permanently welded to the fixed flange, supply and install to professional standards.
|
Back-up Heigh (mm) | ||||||||||||||||||||
|---|---|---|---|---|---|---|---|---|---|---|---|---|---|---|---|---|---|---|---|---|
| Pipe cross-section (mm x mm) | 5 | 10 | 15 | 20 | 25 | 30 | 35 | 40 | 45 | 50 | 55 | 60 | 65 | 70 | 75 | 80 | 85 | 90 | 95 | 100 |
| 120 x 60 | 0.7 | 1.4 | 2.3 | 3 | 4 | 5 | 6.3 | 7.1 | 7.7 | 8.1 | 8.3 | 8.5 | 8.8 | 9 | 9.2 | 9.3 | 9.5 | 9.7 | 9.9 | 10 |
| 120 x 60 | 0.7 | 1.4 | 2.3 | 3 | 4 | 5 | 6.3 | 7.1 | 7.7 | 8.1 | 8.3 | 8.5 | 8.8 | 9 | 9.2 | 9.3 | 9.5 | 9.7 | 9.9 | 10 |
| 120 x 60 | 0.7 | 1.4 | 2.3 | 3 | 4 | 5 | 6.3 | 7.1 | 7.7 | 8.1 | 8.3 | 8.5 | 8.8 | 9 | 9.2 | 9.3 | 9.5 | 9.7 | 9.9 | 10 |
SitaTurbo Max with retaining ring in non-ventilated roof structure with greenery
1 SitaTurbo cladding cover plate
2 SitaTurbo vapour barrier plate flex
3 SitaTurbo insulating body
SitaTurbo Max for emergency drainage consisting of:
4.1 SitaTurbo base body
4.2 Sealing sleeves
4.3 Washers, nuts and protective caps
4.4 Loose retaining flange, made of stainless steel with seal
4.5 PE retaining ring
4.6 Dome grate
5 SitaTurbo connection sleeve
2 SitaTurbo vapour barrier plate flex
3 SitaTurbo insulating body
SitaTurbo Max for emergency drainage consisting of:
4.1 SitaTurbo base body
4.2 Sealing sleeves
4.3 Washers, nuts and protective caps
4.4 Loose retaining flange, made of stainless steel with seal
4.5 PE retaining ring
4.6 Dome grate
5 SitaTurbo connection sleeve
Non-ventilated roof structure with greenery according to the general rules of engineering with:
- extensive roof greenery with vegetation layer according to system provider
- drainage mat
- protective fleece, protection mat
- Sealing
- Heat insulation
- Vapour barrier
- Substructure
In order for the external content to be
displayed at this location, you must accept
the cookies of the category
"Preferences".
You can adjust the cookie settings here.
You can adjust the cookie settings here.
| SitaTurbo | Article no. | |||
|---|---|---|---|---|
Max with retaining ring | ||||
| 600 mm | 200 mm | 18066599 | Show product | |
| 1000 mm | 200 mm | 18106599 | Show product | |
| 2000 mm | 200 mm | 18206599 | Show product |
+












