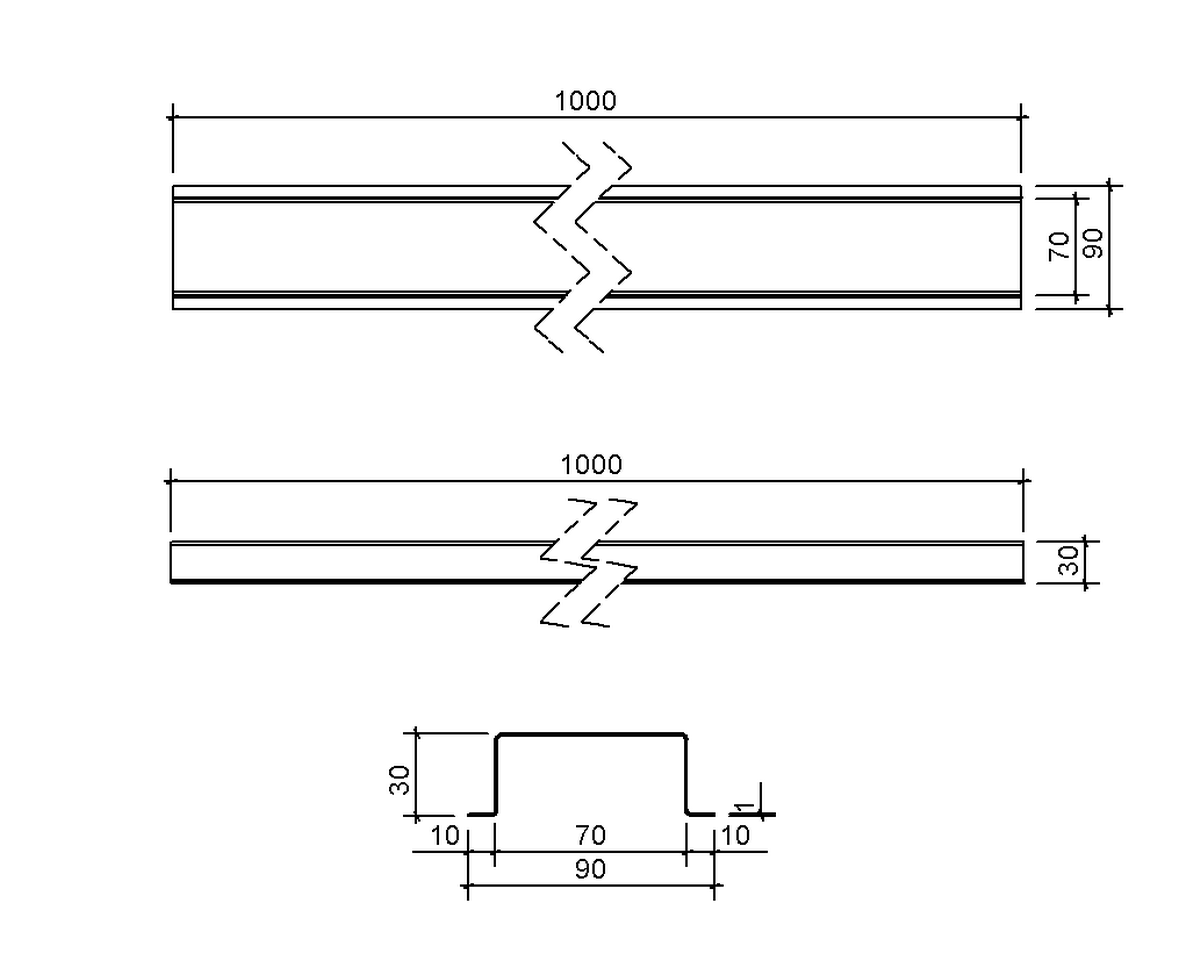
SitaDrain®
Stichkanal
Eigenschaften
Artikelnummer
E209000
Kompatibilität
SitaDrain®
Material
Stahl verzinkt
Farbe
Silber
Länge
1000 mm
Breite
70 mm
Höhe
30 mm
Der bandverzinkte SitaDrain® Stichkanal mit abgekanteter Auflage sorgt zur schnellen Weiterleitung des Regenwassers z. B. im Splittbett, zum Gully.












