SitaSani®
Sanierungsgully
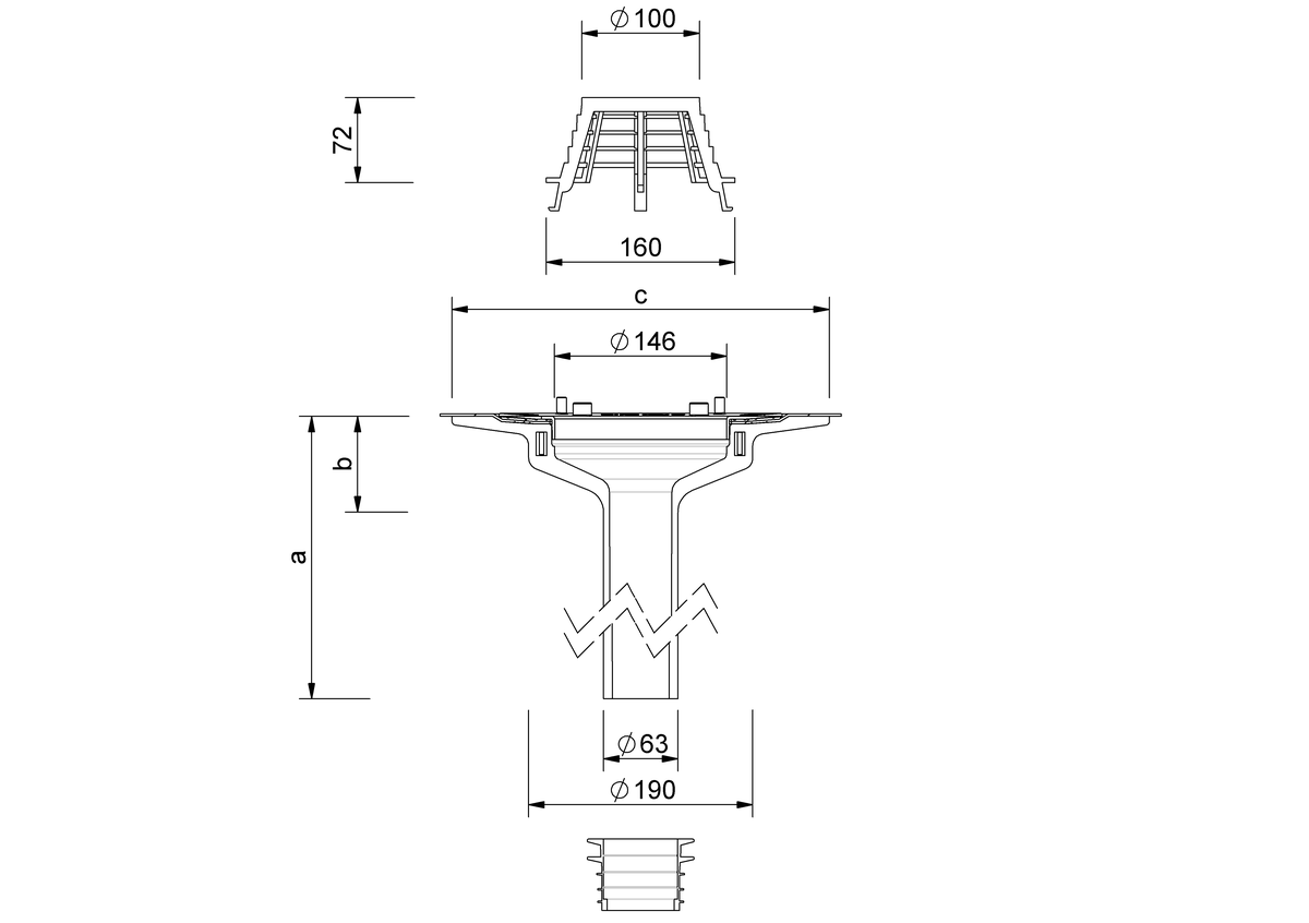
| Nennweite DN | Außendurchmesser OD (mm) | a (mm) | b (mm) | c (mm) | Rückstausicher bei zu sanierenden Innendurchmessern von–bis (mm) mit Lippendichtring | Rückstausicher bei zu sanierenden Innendurchmessern von–bis (mm) mit Profildichtring |
|---|---|---|---|---|---|---|
| 63 | 63 | 550 | 81 | 320 | 68 - 86 | - |
Leistungstext
Abflussmenge
Abflussmenge nach DIN EN 1253-2 in l/s
Hier finden Sie eine Übersicht über alle verfügbaren Abflussmengen.
Einbaubeispiele
AUSSCHREIBEN.DE
Downloads
DWG TZ_DB_SitaSani_63_Schraubflansch_550.DWG
Artikelauswahl
SitaSani® 63 Schraubflansch Sanierungsgully, aus Polyurethan, Höhe 550 mm, wärmegedämmt, nach DIN EN 1253-2, zur Sanierung von Innendurchmessern von 68 - 86 mm, mit vorgefertigten Bohrungen zur Befestigung des Bauteils in der Unterkonstruktion. Mit eingeschäumtem Einsatzring zur Aufnahme der beiliegenden Schrauben, Losflansch aus Aluminium und zwei Dichtmanschetten zum Einklemmen von Bitumen-, Kunststoff oder Kautschukbahnen. Inklusive Kiesfang, Gleitmittel und mehrlippigem Dichtring zur Rückstausicherung, liefern und fachgerecht einbauen.
|
Stauhöhe (mm) | ||||||||||||||||||||
|---|---|---|---|---|---|---|---|---|---|---|---|---|---|---|---|---|---|---|---|---|
| Ausführung | 5 | 10 | 15 | 20 | 25 | 30 | 35 | 40 | 45 | 50 | 55 | 60 | 65 | 70 | 75 | 80 | 85 | 90 | 95 | 100 |
| 550 mm | 0.5 | 1.3 | 2.1 | 3.2 | 4.2 | 5 | 6.1 | 6.4 | 6.8 | 7.1 | 7.7 | 8.4 | 9 | 10.1 | 12 | 12.2 | 12.3 | 12.5 | 12.7 | 12.8 |
SitaSani® als Topfsanierung im nicht belüfteten Dachaufbau
SitaSani® bestehend aus:
1.1 Profildichtring
1.2 Grundkörper
1.3 Kiesfang
1.1 Profildichtring
1.2 Grundkörper
1.3 Kiesfang
Nicht belüfteter Dachaufbau nach den aaRdT mit:
- Abdichtung
- Wärmedämmung
- Dampfsperre
- Unterkonstruktion
SitaSani® als Rohrsanierung im nicht belüfteten Dachaufbau
SitaSani® 63/90/105 bestehend aus:
1.1 Dichtring
1.2 Grundkörper
1.3 Kiesfang
2 SitaSani® 63/90/105 Dämmkörper
1.1 Dichtring
1.2 Grundkörper
1.3 Kiesfang
2 SitaSani® 63/90/105 Dämmkörper
Nicht belüfteter Dachaufbau nach den aaRdT mit:
- Neue Abdichtung
- Neue Wärmedämmung
- Vorhandene Abdichtung
- Vorhandene Wärmedämmung
- Dampfsperre
- Unterkonstruktion
Damit die externen Inhalte an
dieser Stelle angezeigt werden
können, müssen Sie die Cookies
der Kategorie „Präferenzen“
akzeptieren.
Sie können die Cookie-Einstellungen hier anpassen.
Sie können die Cookie-Einstellungen hier anpassen.
Technische Zeichnungen
PDF TechnischeZeichnung_106399_de.pdfDWG TZ_DB_SitaSani_63_Schraubflansch_550.DWG
| SitaSani® | Artikel Nr. | |||
|---|---|---|---|---|
63 Schraubflansch | ||||
| Schraubflansch | 550 mm | 106399 | Zum Produkt |
+













