Skip to main content

SitaSani® DSS

Sanierungsgully

Eigenschaften

  • Unempfindlich gegenüber Witterungseinflüssen (UV/IR-Strahlung, Niederschlag, Temperatur, Ozon, etc.)
  • Stoß- und schlagfest
  • Langlebig
  • Wärmegedämmt
  • Rückstausicher bis 2 m Wassersäule

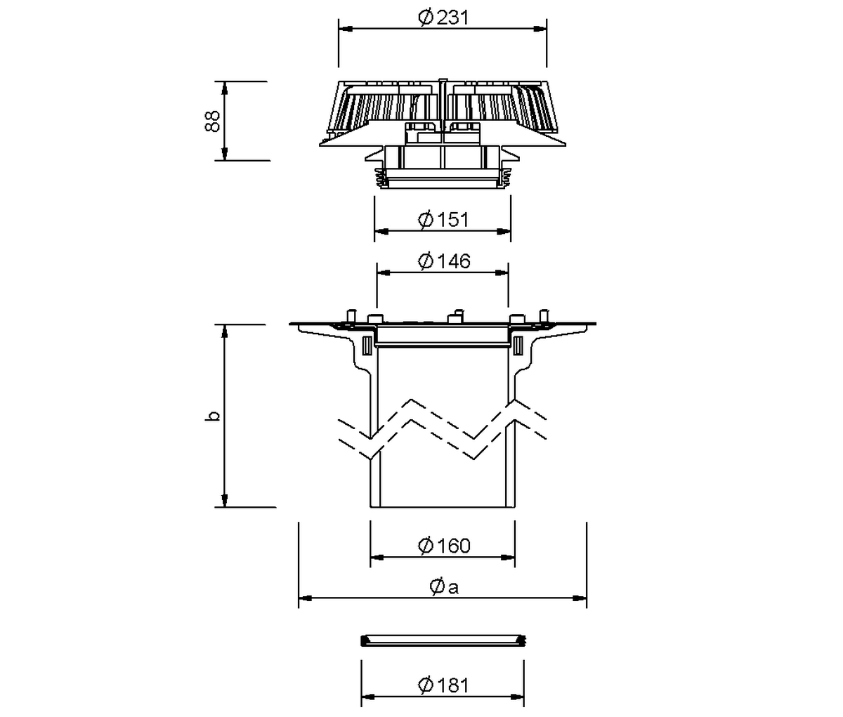
Technische Zeichnung

Nennweite DNAußendurchmesser OD (mm)a (mm)b (mm)
160160320550
Leistungstext Einbaubeispiele AUSSCHREIBEN.DE Downloads Artikelauswahl
+
Zubehör
Sita Bauelemente GmbH Profi Chat
Damit die externen Inhalte an dieser Stelle angezeigt werden können, müssen Sie die Cookies der Kategorie „Präferenzen“ akzeptieren.
Sie können die Cookie-Einstellungen hier anpassen.