SitaCompact
Balkon- und Terrassengully
- Produkte
SitaCompact
Balkon- und Terrassengully
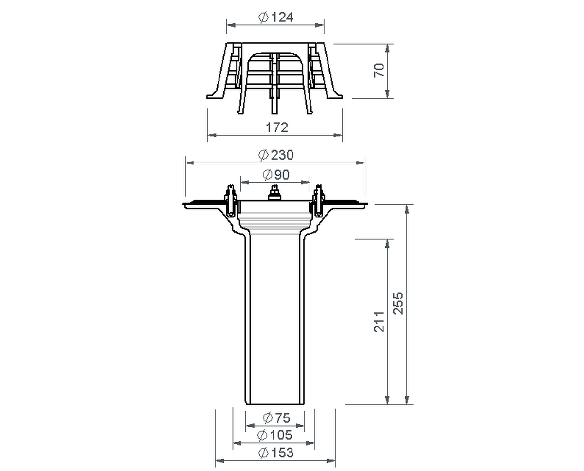
| Nennweite DN | Außendurchmesser OD (mm) | Durchbruch / Kernbohrung (mm) |
|---|---|---|
| 70 | 75 | 153 |
Leistungstext
Abflussmenge
Abflussmenge nach DIN EN 1253-2 in l/s
Hier finden Sie eine Übersicht über alle verfügbaren Abflussmengen.
Einbaubeispiele
MultiCAD und BIM-DatenAUSSCHREIBEN.DE
Downloads
DWG TZ_DB_SitaCompact_Schraubflansch_senkrecht_DN70.DWG
Artikelauswahl
SitaCompact Schraubflansch Balkongully, senkrecht, aus Polyurethan, wärmegedämmt, nach DIN EN 1253-2, in der Nennweite DN 70. Zum direkten Anschluss an Rohre mit Steckmuffe, zur Freispiegelentwässerung. Mit Schraubflansch aus Aluminium zum Einklemmen von Bitumen-, Kunststoff- oder Kautschukbahnen und eingeschäumtem Aluminiumring mit vier Gewindehülsen M6 zur Aufnahme der beiliegenden Gewindestifte, mit Sechskantmuttern und Unterlegscheiben. Komplett inkusive Kiesfang und zwei Dichtmanschetten, liefern und fachgerecht einbauen.
|
Stauhöhe (mm) | ||||||||||||||||||||
|---|---|---|---|---|---|---|---|---|---|---|---|---|---|---|---|---|---|---|---|---|
| Nennweite DN | 5 | 10 | 15 | 20 | 25 | 30 | 35 | 40 | 45 | 50 | 55 | 60 | 65 | 70 | 75 | 80 | 85 | 90 | 95 | 100 |
| 70 | 0.5 | 1.1 | 1.6 | 2.1 | 2.5 | 3.4 | 4.2 | 4.9 | 5.6 | 6.6 | 7.5 | 8.8 | 10 | 10 | 10 | 10 | 10 | 10 | 10 | 10 |
SitaCompact Schraubflansch für die Hauptentwässerung im nicht belüfteten Dachaufbau
1 SitaCompact Dämmkörper
SitaCompact Schraubflansch senkrecht bestehend aus:
2.1 Grundkörper
2.2 Dichtmanschetten und Schraubflansch
2.3 Kiesfang
SitaCompact Schraubflansch Aufstockelement bestehend aus:
3.1 Dichtmanschetten und Schraubflansch
3.2 Grundkörper
3.3 Dichtring
SitaCompact Schraubflansch senkrecht bestehend aus:
2.1 Grundkörper
2.2 Dichtmanschetten und Schraubflansch
2.3 Kiesfang
SitaCompact Schraubflansch Aufstockelement bestehend aus:
3.1 Dichtmanschetten und Schraubflansch
3.2 Grundkörper
3.3 Dichtring
Nicht belüfteter Dachaufbau nach den aaRdT mit:
- Abdichtung
- Wärmedämmung
- Dampfsperre
- Unterkonstruktion
Damit die externen Inhalte an dieser Stelle
angezeigt werden können, müssen Sie die
Cookies der Kategorie „Präferenzen“
akzeptieren.
Sie können die Cookie-Einstellungen hier anpassen.
Sie können die Cookie-Einstellungen hier anpassen.
Damit die externen Inhalte an
dieser Stelle angezeigt werden
können, müssen Sie die Cookies
der Kategorie „Präferenzen“
akzeptieren.
Sie können die Cookie-Einstellungen hier anpassen.
Sie können die Cookie-Einstellungen hier anpassen.
Technische Zeichnungen
PDF TechnischeZeichnung_190299_de.pdfDWG TZ_DB_SitaCompact_Schraubflansch_senkrecht_DN70.DWG
| SitaCompact | Artikel Nr. | |||
|---|---|---|---|---|
Schraubflansch senkrecht DN 70 | ||||
| DN 70 | Schraubflansch | 190299 | Zum Produkt |
+













