SitaCompact
Aufstockelement
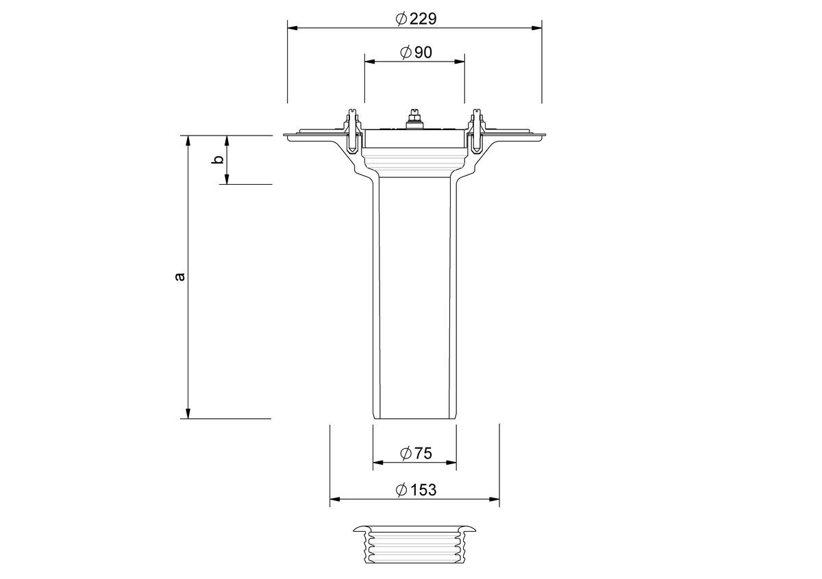
| a (mm) | b (mm) | Überbrückung der Wärmedämmung min. (mm) | Überbrückung der Wärmedämmung max. (mm) |
|---|---|---|---|
| 255 | 44 | 50 | 220 |
Leistungstext
Einbaubeispiele
MultiCAD und BIM-DatenAUSSCHREIBEN.DE
Downloads
PDF LGA_Zertifikat_Bauart_geprueft_und_ueberwacht.pdf
Artikelauswahl
SitaCompact Schraubflansch Aufstockelement, aus Polyurethan, wärmegedämmt, nach DIN EN 1253-2 für SitaCompact Balkongullys, zur Überbrückung der Wärmedämmung von 50 – 220 mm. Mit Schraubflansch aus Aluminium zum Einklemmen von Bitumen-, Kunststoff- oder Kautschukbahnen und eingeschäumtem Aluminiumring mit vier Gewindehülsen M6 zur Aufnahme der beiliegenden Gewindestifte, mit Sechskantmuttern und Unterlegscheiben, inklusive mehrlippigem Dichtring zur Rückstausicherung und zwei Dichtmanschetten, liefern und fachgerecht einbauen.
SitaCompact im nicht belüfteten Dachaufbau mit SitaCompact Balkonaufsatz und Plattenbelag
1 SitaCompact Dämmkörper
2 SitaCompact senkrecht
SitaCompact Aufstockelement bestehend aus:
3.1 Dichtring
3.2 Grundkörper
SitaCompact Balkonaufsatz bestehend aus:
4.1 Endrost
4.2 Gehäuse
4.3 Gittereinlasssieb
2 SitaCompact senkrecht
SitaCompact Aufstockelement bestehend aus:
3.1 Dichtring
3.2 Grundkörper
SitaCompact Balkonaufsatz bestehend aus:
4.1 Endrost
4.2 Gehäuse
4.3 Gittereinlasssieb
Nicht belüfteter Dachaufbau mit Plattenbelag auf Stelzlager nach den aaRdT mit:
- Plattenbelag auf Stelzlager
- Bautenschutzmatte
- Abdichtung
- Wärmedämmung
- Dampfsperre
- Unterkonstruktion
SitaCompact mit Anstauring im nicht belüfteten Dachaufbau mit Plattenbelag
1 SitaCompact Dämmkörper
2 SitaCompact senkrecht
SitaCompact Aufstockelement bestehend aus:
3.1 Dichtring
3.2 Grundkörper
SitaCompact Anstauring bestehend aus:
4.1 Anstauring
4.2 Dichtring
SitaDrain® Terra bestehend aus:
5.1 Revisionsrost
5.2 höheneinstellbaren Gummifüßen
5.3 Rahmen
6 SitaPipe Edelstahl Rohrschelle
7 SitaPipe Edelstahl Rohr
8 SitaPipe Edelstahl Bogen
9 SitaPipe Edelstahl Sicherungsschelle
2 SitaCompact senkrecht
SitaCompact Aufstockelement bestehend aus:
3.1 Dichtring
3.2 Grundkörper
SitaCompact Anstauring bestehend aus:
4.1 Anstauring
4.2 Dichtring
SitaDrain® Terra bestehend aus:
5.1 Revisionsrost
5.2 höheneinstellbaren Gummifüßen
5.3 Rahmen
6 SitaPipe Edelstahl Rohrschelle
7 SitaPipe Edelstahl Rohr
8 SitaPipe Edelstahl Bogen
9 SitaPipe Edelstahl Sicherungsschelle
Nicht belüfteter Dachaufbau mit Plattenbelag auf Stelzlager nach den aaRdT mit:
- Plattenbelag auf Stelzlager
- Bautenschutzmatte
- Abdichtung
- Wärmedämmung
- Dampfsperre
- Unterkonstruktion
Damit die externen Inhalte an dieser Stelle
angezeigt werden können, müssen Sie die
Cookies der Kategorie „Präferenzen“
akzeptieren.
Sie können die Cookie-Einstellungen hier anpassen.
Sie können die Cookie-Einstellungen hier anpassen.
Damit die externen Inhalte an
dieser Stelle angezeigt werden
können, müssen Sie die Cookies
der Kategorie „Präferenzen“
akzeptieren.
Sie können die Cookie-Einstellungen hier anpassen.
Sie können die Cookie-Einstellungen hier anpassen.
Zertifizierungen & Gutachten
PDF EPD-Kiwa-EE-182631-DE.pdfPDF LGA_Zertifikat_Bauart_geprueft_und_ueberwacht.pdf
| SitaCompact | Artikel Nr. | |||
|---|---|---|---|---|
Schraubflansch Aufstockelement | ||||
| 220 mm | Schraubflansch | 192699 | Zum Produkt |













