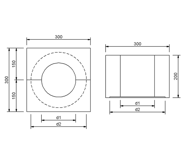
SitaFireguard® Rohrdurchführung
Dämmkörper Mineralwolle
| Für Modell / Serie | d1 (mm) | d2 (mm) | Überbrückung der Wärmedämmung min. (mm) | Überbrückung der Wärmedämmung max. (mm) |
|---|---|---|---|---|
| SitaFireguard® Rohrdurchführung DN 100 | 111 | 211 | 80 | 200 |
| SitaFireguard® Rohrdurchführung DN 150 | 161 | 261 | 80 | 200 |













