SitaTurbo
Max Umkehrdach mit Anstauring
- Produkte
SitaTurbo
Max Umkehrdach mit Anstauring
| Durchbruch / Kernbohrung (mm) | Stutzenquerschnitt (mm x mm) | A | B |
|---|---|---|---|
| 170 | 120 x 60 | Abstand zur Attika | Attikabreite plus Überstand |
| 170 | 120 x 60 | 450 mm | 700 mm |
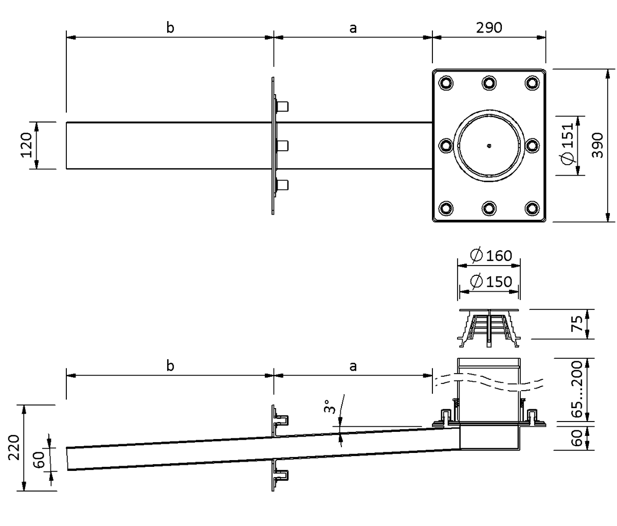
SitaTurbo Max Umkehrdach mit Anstauring, aus Edelstahl rostfrei, Werkstoffnummer 1.4301, nach DIN EN 1253-2, Abflussmenge als Speier 8,8 l/s bei 65 mm Stauhöhe, 200 mm Anstauring aus PE-HD bauseitig kürzbar, mit 55 mm Anstau-Losflansch und zwei Dichtmanschetten zum Einklemmen des Schutzvlieses und mit einer am Rechteckrohr angeschweißten Flanschplatte zum Einklemmen von Bitumen-, Kunststoff- und Kautschukbahnen mit Dichtmanschetten, Gewindebolzen, Unterlegscheiben, Muttern M12, Schutzkappen und Kiesfang, liefern und fachgerecht einbauen.
|
Stauhöhe (mm) | ||||||||||||||||||||
|---|---|---|---|---|---|---|---|---|---|---|---|---|---|---|---|---|---|---|---|---|
| Stutzenquerschnitt (mm x mm) | 5 | 10 | 15 | 20 | 25 | 30 | 35 | 40 | 45 | 50 | 55 | 60 | 65 | 70 | 75 | 80 | 85 | 90 | 95 | 100 |
| 120 x 60 | 0.7 | 1.4 | 2.3 | 3 | 4 | 5 | 6.3 | 7.1 | 7.7 | 8.1 | 8.3 | 8.5 | 8.8 | 9 | 9.2 | 9.3 | 9.5 | 9.7 | 9.9 | 10 |
SitaTurbo Max Umkehrdach mit Anstauring für die Notentwässerung
SitaTurbo Umkehrdach bestehend aus:
2.1 Festflanschplatte
2.2 Unterlegscheiben, Muttern und Schutzkappen
2.3 SitaTurbo Grundkörper mit angeschweißter Losflanschplatte
2.4 Anstau-Losflansch
2.5 PE-Anstauring
2.6 Kiesfang
3 Kiesfang Abdeckplatte
4 SitaTurbo Dämmkörper
- Kiesschüttung
- Dachvlies
- Wärmedämmung
- Abdichtung
- Unterkonstruktion
- Attikadurchbruch mit Fugenband
SitaTurbo Max Umkehrdach mit SitaTurbo Dämmkörper und SitaRetention Gründachschacht im Umkehrdach
SitaTurbo Umkehrdach bestehend aus:
2.1 Festflanschplatte
2.2 Unterlegscheiben, Muttern und Schutzkappen
2.3 Grundkörper mit angeschweißter Losflanschplatte
2.4 Anstau-Losflansch
2.5 Dichtring
2.6 PE-Anstauring
SitaRetention Gründachschacht bestehend aus:
3.1 Grundkörper
3.2 geschlossener Abdeckung
3.3 höheneinstellbaren Gummifüßen
4 SitaTurbo Dämmkörper XPS
- Dachbegrünung nach Systemanbieter
- Filtervlies
- Wasserretentionsraum
- wasserableitende Trennlage
- XPS Wärmedämmung
- Abdichtung
- Unterkonstruktion
Sie können die Cookie-Einstellungen hier anpassen.
| SitaTurbo | Artikel Nr. | ||
|---|---|---|---|
Max Umkehrdach mit Anstauring | |||
| Sonderanfertigung | 18216599 | Zum Produkt | |
| A=450 mm / B=700 mm | 18276599 | Zum Produkt |













