SitaIndra
Attikagully
| Nennweite DN | Außendurchmesser OD (mm) | a (mm) |
|---|---|---|
| 70 | 75 | 520 |
| 70 | 75 | 1020 |
| 70 | 75 | 1520 |
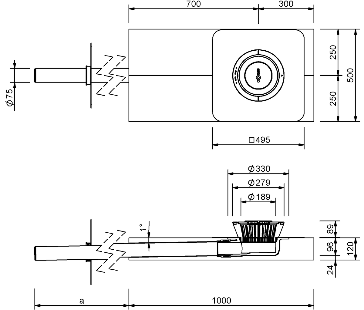
SitaIndra Attikagully, abgewinkelt, aus Polyurethan, wärmegedämmt, nach DIN EN 1253-2, in der Nennweite DN 70, Abflussmenge 5,8 l/s bei 35 mm Stauhöhe, mit Anschlussrohr und Sicherungsschelle aus Edelstahl, Dampfsperrplatte flex zum sicheren Anschluss an die Dampfsperre, zweiteiligem Dämmkörper aus Polyurethan mit einer Wärmeleitfähigkeit lambda=0,0249 W/mK und einer Druckfestigkeit von 200 kPa, in der Größe 500 x 1000 x 120 mm. Zur Freispiegelentwässerung, mit großer eingeschäumter Wunschanschlussmanschette (495 x 495 mm) passend zur Dachabdichtung und mit Fixierring zur zusätzlichen Sicherung der Anschlussmanschette und zur Aufnahme des beiliegenden Kiesfangs, liefern und fachgerecht einbauen.
|
Stauhöhe (mm) | ||||||||||||||||||||
|---|---|---|---|---|---|---|---|---|---|---|---|---|---|---|---|---|---|---|---|---|
| Stutzenlänge | 5 | 10 | 15 | 20 | 25 | 30 | 35 | 40 | 45 | 50 | 55 | 60 | 65 | 70 | 75 | 80 | 85 | 90 | 95 | 100 |
| 1,0 Meter | 0.6 | 1.4 | 2.2 | 2.3 | 2.4 | 2.5 | 2.6 | 2.7 | 2.8 | 2.9 | 2.9 | 3 | 3.1 | 3.2 | 3.2 | 3.3 | 3.4 | 3.5 | 3.5 | 3.5 |
| 1,5 Meter | 0.6 | 1.4 | 2.2 | 2.3 | 2.4 | 2.5 | 2.6 | 2.7 | 2.8 | 2.9 | 2.9 | 3 | 3.1 | 3.2 | 3.2 | 3.3 | 3.4 | 3.5 | 3.5 | 3.5 |
| 2,0 Meter | 0.6 | 1.4 | 2.2 | 2.3 | 2.4 | 2.5 | 2.6 | 2.7 | 2.8 | 2.9 | 2.9 | 3 | 3.1 | 3.2 | 3.2 | 3.3 | 3.4 | 3.5 | 3.5 | 3.5 |
|
Stauhöhe (mm) | ||||||||||||||||||||
|---|---|---|---|---|---|---|---|---|---|---|---|---|---|---|---|---|---|---|---|---|
| Stutzenlänge | 5 | 10 | 15 | 20 | 25 | 30 | 35 | 40 | 45 | 50 | 55 | 60 | 65 | 70 | 75 | 80 | 85 | 90 | 95 | 100 |
| 1,0 Meter | 0.6 | 1.5 | 2.3 | 2.6 | 2.9 | 4.4 | 5.8 | 7 | 8.2 | 9.5 | 10.8 | 11.5 | 12.2 | 12.6 | 12.9 | 13.8 | 14.7 | 14.7 | 14.7 | 14.7 |
| 1,5 Meter | 0.6 | 1.5 | 2.3 | 2.6 | 2.9 | 4.4 | 5.8 | 7 | 8.2 | 9.5 | 10.8 | 11.5 | 12.2 | 12.6 | 12.9 | 13.8 | 14.7 | 14.7 | 14.7 | 14.7 |
| 2,0 Meter | 0.6 | 1.5 | 2.3 | 2.6 | 2.9 | 4.4 | 5.8 | 7 | 8.2 | 9.5 | 10.8 | 11.5 | 12.2 | 12.6 | 12.9 | 13.8 | 14.7 | 14.7 | 14.7 | 14.7 |
SitaIndra Hauptentwässerungsset im nicht belüfteten Dachaufbau
2 SitaPipe Edelstahl Rohrschelle
3 SitaPipe Edelstahl Sicherungsschelle
4 SitaPipe Edelstahl Bogen 87,5°
5 SitaAttika Fassaden-Abdeckplatte
SitaIndra Hauptentwässerungsset bestehend aus:
6.1 Dampfsperrplatte flex
6.2 Dämmkörper
6.3 Rohr
6.4 Sicherungsschelle
6.5 Grundkörper
6.6 Kiesfang Grundkörper
6.7 Kiesfang Deckel
7 SitaPipe Edelstahl Reinigungsrohr
8 SitaPipe Edelstahl Übergangsstück exzentrisch
- Abdichtung
- Wärmedämmung
- Dampfsperre
- Unterkonstruktion
- Attikadurchbruch mit Fugenband
SitaIndra für die Hauptentwässerung im nicht belüfteten Dachaufbau mit innenliegendem Fallrohr
2 SitaPipe Edelstahl Rohr
3 SitaPipe Edelstahl Sicherungsschelle
4 SitaPipe Edelstahl Bogen 87,5°
SitaIndra Hauptentwässerungsset bestehend aus:
5.1 Dampfsperrplatte flex
5.2 Rohr
5.3 Sicherungsschelle
5.4 Grundkörper mit Wunschanschlussmanschette
5.5 Kiesfang Grundkörper
5.6 Kiesfang Deckel
5.7 Dämmkörper
- Abdichtung
- Wärmedämmung
- Dampfsperre
- Unterkonstruktion
SitaIndra und SitaKaskade Inside für die Hauptentwässerung im nicht belüfteten Dachaufbau
2 SitaPipe Edelstahl Sicherungsschelle
3 SitaMore Dichtmanschette für WDVS
4 SitaPipe Edelstahl Rohr
SitaIndra Hauptentwässerungsset bestehend aus:
5.1 Dampfsperrplatte flex
5.2 Dämmkörper
5.3 Rohr
5.4 Sicherungsschelle
5.5 Grundkörper mit Wunschanschlussmanschette
5.6 Kiesfang Grundkörper
5.7 Kiesfang Deckel
SitaKaskade Inside für Fallrohr bestehend aus:
6.1 Losflansch mit Dichtmanschetten, Muttern, U-Scheiben und Schutzkappen
6.2 Kaskadenbauteil mit Gewindestiften
6.3 Sicherungsschelle
6.4 Bogen 15°
6.5 Bogen 30°
6.6 Dampfsperrplatte
6.7 Bogen 87,5°
- Abdichtung
- Wärmedämmung
- Dampfsperre
- Unterkonstruktion
Sie können die Cookie-Einstellungen hier anpassen.
Sie können die Cookie-Einstellungen hier anpassen.
Technische Zeichnungen
PDF TechnischeZeichnung_107300_de.pdfPDF TechnischeZeichnung_107310_de.pdf
PDF TechnischeZeichnung_10731500_de.pdf
PDF TechnischeZeichnung_10731510_de.pdf
PDF TechnischeZeichnung_10732000_de.pdf
PDF TechnischeZeichnung_10732010_de.pdf
DWG TZ_DB_SitaIndra_Hauptentwaesserung_PUR_1000.DWG
DWG TZ_DB_SitaIndra_Hauptentwaesserung_PUR_1500.dwg
DWG TZ_DB_SitaIndra_Hauptentwaesserung_PUR_2000.dwg
Zertifizierungen & Gutachten
PDF Pruefbericht_LGA_SitaIndra_SitaDSS_Indra.pdfPDF EPD-Kiwa-EE-182631-DE.pdf
Gewünschte Anschlussmanschette nicht gefunden? Wir helfen gerne weiter +49 2522 - 83 40-140!













