SitaEasy DN 50
Attikagully
Eigenschaften
Normen
DIN EN 1253-2
Artikelnummer
183084
Anschluss
NovoProof mit Fügefläche-Manschette
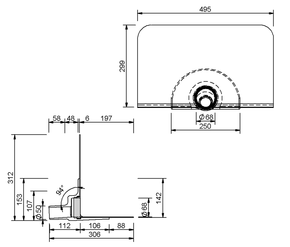
Außendurchmesser OD (mm)
50 mm
Durchbruch / Kernbohrung (mm)
110 mm
Stutzenlänge
58 mm
Topfhöhe
48 mm
Topfinnendurchmesser
68 mm
Temperaturbeständigkeit min.
-20 °C
Temperaturbeständigkeit max.
80 °C
Baustoffklasse
Euroklasse E / B2 normal entflammbar
Der SitaEasy eignet sich zur Haupt- und Notentwässerung durch die Attika. Die fest eingeschäumte Wunschanschlussmanschette bietet dem Verarbeiter eine einfache, sichere und homogene Verbindung mit der Dachabdichtung.
+













