SitaKaskade Durchführung
Fluid
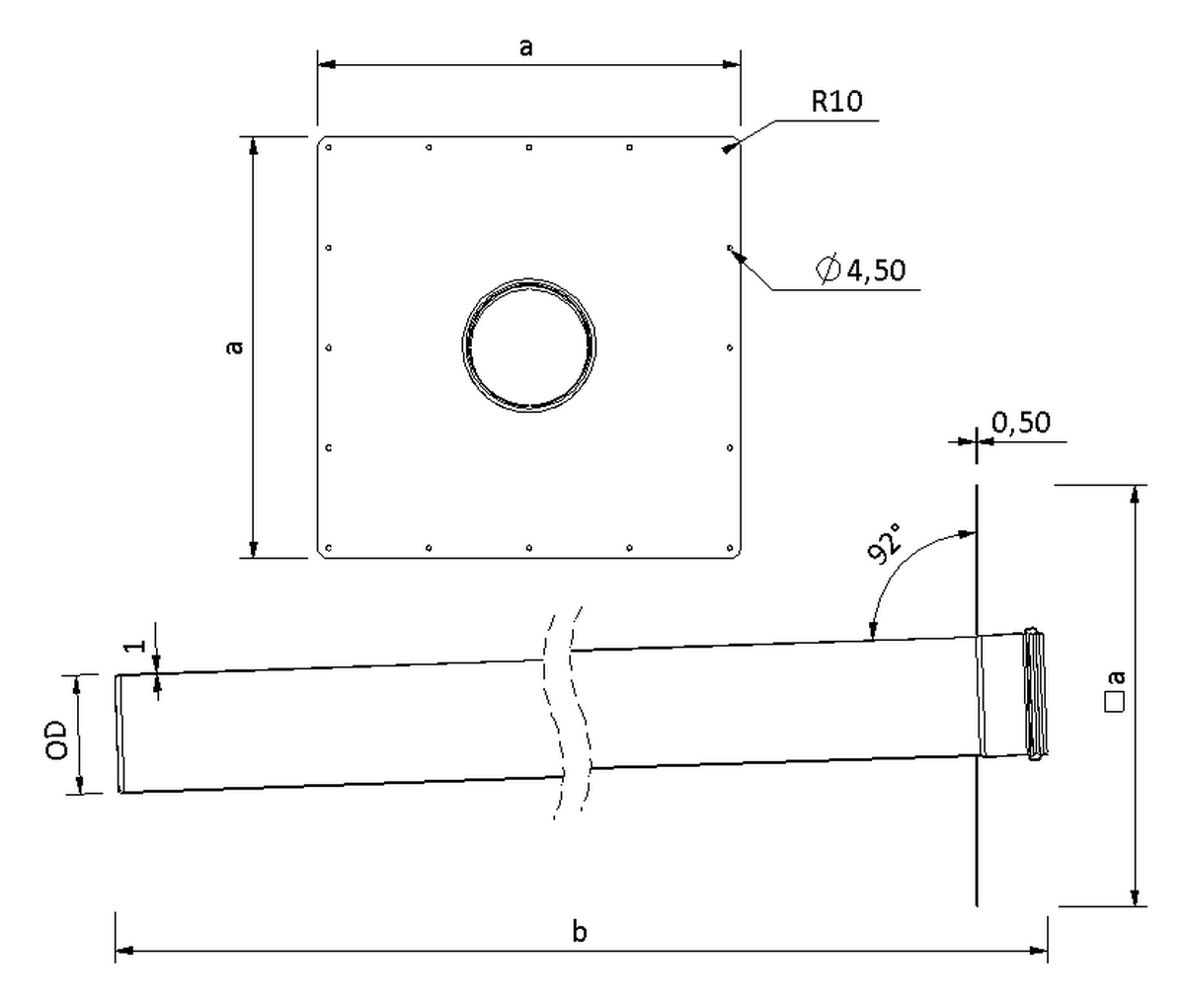
| Nennweite DN | Außendurchmesser OD (mm) | a (mm) | b (mm) |
|---|---|---|---|
| 70 | 75 | 355 | 1057 |
| 100 | 110 | 390 | 1065 |
Leistungstext
Einbaubeispiele
MultiCAD und BIM-DatenAUSSCHREIBEN.DE
Downloads
PDF SitaKaskade_Durchfuehrung_Fluid_an_Fallleitung_im_nicht_beluefteten_Dachaufbau.pdf
PDF SitaKaskade_Durchfuehrung_Fluid_als_Speier_fuer_die_Notentwaesserung_im_Umkehrdach.pdf
PDF SitaTrendy_Schraubflansch_mit_SitaKaskade_Durchfuehrung_Fluid_Notentwaesserung_im_Umkehrdach.pdf
Artikelauswahl
SitaKaskade Durchführung Fluid, aus Edelstahl rostfrei, Werkstoffnummer 1.4301, Nennweiten DN 70 / DN 100, Stutzenlänge 1000 mm, zur Rohrdurchführung durch die Attika bei Flüssigkunststoffabdichtungen, mit angeschweißter Muffe zur Aufnahme eines Rohres mit OD 75 mm / 110 mm, Metallblech für Flüssigkunststoffabdichtung baustellenseitig kantbar, liefern und fachgerecht einbauen.
SitaKaskade Durchführung Fluid als Speier für die Notentwässerung im nicht belüfteten Dachaufbau
1 SitaAttika Fassaden-Abdeckplatte
2 SitaKaskade Durchführung Fluid
3 SitaMore Dampfsperrplatte flex
4 SitaPipe Edelstahl Sicherungsschelle
5 SitaPipe Edelstahl Rohr
6 SitaPipe Edelstahl Bogen
7 SitaPipe Edelstahl Rohrschelle
2 SitaKaskade Durchführung Fluid
3 SitaMore Dampfsperrplatte flex
4 SitaPipe Edelstahl Sicherungsschelle
5 SitaPipe Edelstahl Rohr
6 SitaPipe Edelstahl Bogen
7 SitaPipe Edelstahl Rohrschelle
Nicht belüfteter Dachaufbau nach den aaRdT mit:
- Abdichtung
- Wärmedämmung
- Dampfsperre
- Unterkonstruktion
SitaKaskade Durchführung Fluid mit Anschluss an die Fallleitung für die Hauptentwässerung im nicht belüfteten Dachaufbau
1 SitaPipe Edelstahl Sicherungsschelle
2 SitaAttika Fassaden-Abdeckplatte
3 SitaMore Dampfsperrplatte flex
4 SitaKaskade Durchführung Fluid
5 SitaPipe Edelstahl Rohr
6 SitaPipe Edelstahl Bogen
7 SitaPipe Edelstahl Rohrschelle
2 SitaAttika Fassaden-Abdeckplatte
3 SitaMore Dampfsperrplatte flex
4 SitaKaskade Durchführung Fluid
5 SitaPipe Edelstahl Rohr
6 SitaPipe Edelstahl Bogen
7 SitaPipe Edelstahl Rohrschelle
Nicht belüfteter Dachaufbau nach den aaRdT mit:
- Abdichtung
- Wärmedämmung
- Dampfsperre
- Unterkonstruktion
SitaKaskade Durchführung Fluid als Speier für die Notentwässerung im Umkehrdach
1 SitaAttika Fassaden-Abdeckplatte
2 SitaKaskade Durchführung Fluid
3 SitaPipe Edelstahl Sicherungsschelle
4 SitaPipe Edelstahl Rohr
5 SitaPipe Edelstahl Bogen
6 SitaPipe Rohrschelle
2 SitaKaskade Durchführung Fluid
3 SitaPipe Edelstahl Sicherungsschelle
4 SitaPipe Edelstahl Rohr
5 SitaPipe Edelstahl Bogen
6 SitaPipe Rohrschelle
Umkehrdachaufbau nach den aaRdT mit:
- extensiver Dachbegrünung nach Systemanbieter
- XPS Wärmedämmung
- Abdichtung
- Gefällesetrich
- Unterkonstruktion
SitaTrendy Schraubflansch abgewinkelt mit SitaKaskade Durchführung Fluid für die Notentwässerung im Umkehrdach
1 SitaAttika Fassaden-Abdeckplatte
2 SitaKaskade Durchführung Fluid
3 SitaMore Dichtmanschette für WDVS
4 SitaPipe Edelstahl Sicherungsschelle
5 SitaPipe Edelstahl Rohr
SitaMore Anstauelement bestehend aus:
6.1 höhenverstellbare Gummimetallpuffer
6.2 Geschlossener Deckel
6.3 Dichtring
6.4 Grundkörper
SitaTrendy Schraubflansch abgewinkelt bestehend aus:
7.1 Dichtmanschette und Schraubflansch
7.2 Grundkörper
2 SitaKaskade Durchführung Fluid
3 SitaMore Dichtmanschette für WDVS
4 SitaPipe Edelstahl Sicherungsschelle
5 SitaPipe Edelstahl Rohr
SitaMore Anstauelement bestehend aus:
6.1 höhenverstellbare Gummimetallpuffer
6.2 Geschlossener Deckel
6.3 Dichtring
6.4 Grundkörper
SitaTrendy Schraubflansch abgewinkelt bestehend aus:
7.1 Dichtmanschette und Schraubflansch
7.2 Grundkörper
Umkehrdachaufbau nach den aaRdT mit:
- Dachbegrünung nach Systemanbieter
- Drainschicht
- Filtervlies
- XPS Wärmedämmung
- Abdichtung
- Unterkonstruktion
Damit die externen Inhalte an dieser Stelle
angezeigt werden können, müssen Sie die
Cookies der Kategorie „Präferenzen“
akzeptieren.
Sie können die Cookie-Einstellungen hier anpassen.
Sie können die Cookie-Einstellungen hier anpassen.
Damit die externen Inhalte an
dieser Stelle angezeigt werden
können, müssen Sie die Cookies
der Kategorie „Präferenzen“
akzeptieren.
Sie können die Cookie-Einstellungen hier anpassen.
Sie können die Cookie-Einstellungen hier anpassen.
Einbaubeispiele
PDF SitaKaskade_Durchfuehrung_Fluid_als_Speier_fuer_die_Notentwaesserung_im_nicht_beluefteten_Dachaufbau.pdfPDF SitaKaskade_Durchfuehrung_Fluid_an_Fallleitung_im_nicht_beluefteten_Dachaufbau.pdf
PDF SitaKaskade_Durchfuehrung_Fluid_als_Speier_fuer_die_Notentwaesserung_im_Umkehrdach.pdf
PDF SitaTrendy_Schraubflansch_mit_SitaKaskade_Durchfuehrung_Fluid_Notentwaesserung_im_Umkehrdach.pdf
| SitaKaskade Durchführung | Artikel Nr. | ||
|---|---|---|---|
Fluid | |||
| DN 70 | 181599 | Zum Produkt | |
| DN 100 | 181699 | Zum Produkt |
+













