SitaVasant
Attikagully
- Produkte
SitaVasant
Attikagully
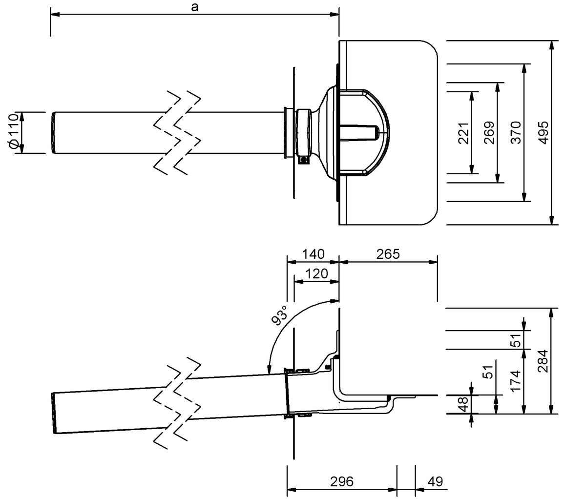
| Nennweite DN | Außendurchmesser OD (mm) | Durchbruch / Kernbohrung (mm) | a (mm) |
|---|---|---|---|
| 100 | 110 | 170 | 642 |
| 100 | 110 | 170 | 1142 |
Leistungstext
Abflussmenge
Abflussmenge nach DIN EN 1253-2 in l/s
Hier finden Sie eine Übersicht über alle verfügbaren Abflussmengen.
Einbaubeispiele
MultiCAD und BIM-DatenAUSSCHREIBEN.DE
Downloads
Artikelauswahl
SitaVasant zum direkten Einbau in die Attika, aus Polyurethan, mit Wunschanschlussmanschette, in der Nennweite DN 100, Abflussmenge 3,1 l/s bei 35 mm Stauhöhe an Fallleitung, sehr niedriger Einlauftopf von 48 mm, als Set inklusive Anschlussrohr und Sicherungsschelle aus Edelstahl rostfrei, Werkstoffnummer 1.4301 und Dampfsperrplatte flex, zur Freispiegelentwässerung, liefern und fachgerecht einbauen.
|
Stauhöhe (mm) | ||||||||||||||||||||
|---|---|---|---|---|---|---|---|---|---|---|---|---|---|---|---|---|---|---|---|---|
| Stutzenlänge | 5 | 10 | 15 | 20 | 25 | 30 | 35 | 40 | 45 | 50 | 55 | 60 | 65 | 70 | 75 | 80 | 85 | 90 | 95 | 100 |
| 1000 mm | 0.5 | 0.9 | 1.6 | 2 | 2.3 | 2.7 | 3 | 3.4 | 3.6 | 4 | 4.5 | 4.8 | 5.3 | 5.6 | 6.1 | 6.8 | 7.2 | 7.7 | 8.1 | 8.4 |
| 500 mm | 0.5 | 0.9 | 1.6 | 2 | 2.3 | 2.7 | 3 | 3.4 | 3.6 | 4 | 4.5 | 4.8 | 5.3 | 5.6 | 6.1 | 6.8 | 7.2 | 7.7 | 8.1 | 8.4 |
SitaVasant mit Kiesfang im nicht belüfteten Dachaufbau
1 SitaPipe Edelstahl Rohr
2 SitaPipe Edelstahl Rohrschelle
3 SitaPipe Edelstahl Sicherungsschelle
4 SitaPipe Edelstahl Bogen
5 SitaAttika Fassaden-Abdeckplatte
6 SitaMore Dichtmanschette
SitaVasant bestehend aus:
7.1 Rohr
7.2 Dampfsperrplatte
7.3 Sicherungsschelle
7.4 Gully
8 SitaVasant Kiesfang
2 SitaPipe Edelstahl Rohrschelle
3 SitaPipe Edelstahl Sicherungsschelle
4 SitaPipe Edelstahl Bogen
5 SitaAttika Fassaden-Abdeckplatte
6 SitaMore Dichtmanschette
SitaVasant bestehend aus:
7.1 Rohr
7.2 Dampfsperrplatte
7.3 Sicherungsschelle
7.4 Gully
8 SitaVasant Kiesfang
Nicht belüfteter Dachaufbau nach den aaRdT mit:
- Abdichtung
- Wärmedämmung
- Dampfsperre
- Unterkonstruktion
Damit die externen Inhalte an dieser Stelle
angezeigt werden können, müssen Sie die
Cookies der Kategorie „Präferenzen“
akzeptieren.
Sie können die Cookie-Einstellungen hier anpassen.
Sie können die Cookie-Einstellungen hier anpassen.
Damit die externen Inhalte an
dieser Stelle angezeigt werden
können, müssen Sie die Cookies
der Kategorie „Präferenzen“
akzeptieren.
Sie können die Cookie-Einstellungen hier anpassen.
Sie können die Cookie-Einstellungen hier anpassen.
Gewünschte Anschlussmanschette nicht gefunden? Wir helfen gerne weiter +49 2522 - 83 40-140!
+













