SitaVent Rohrdurchführung
Rohrdurchführung
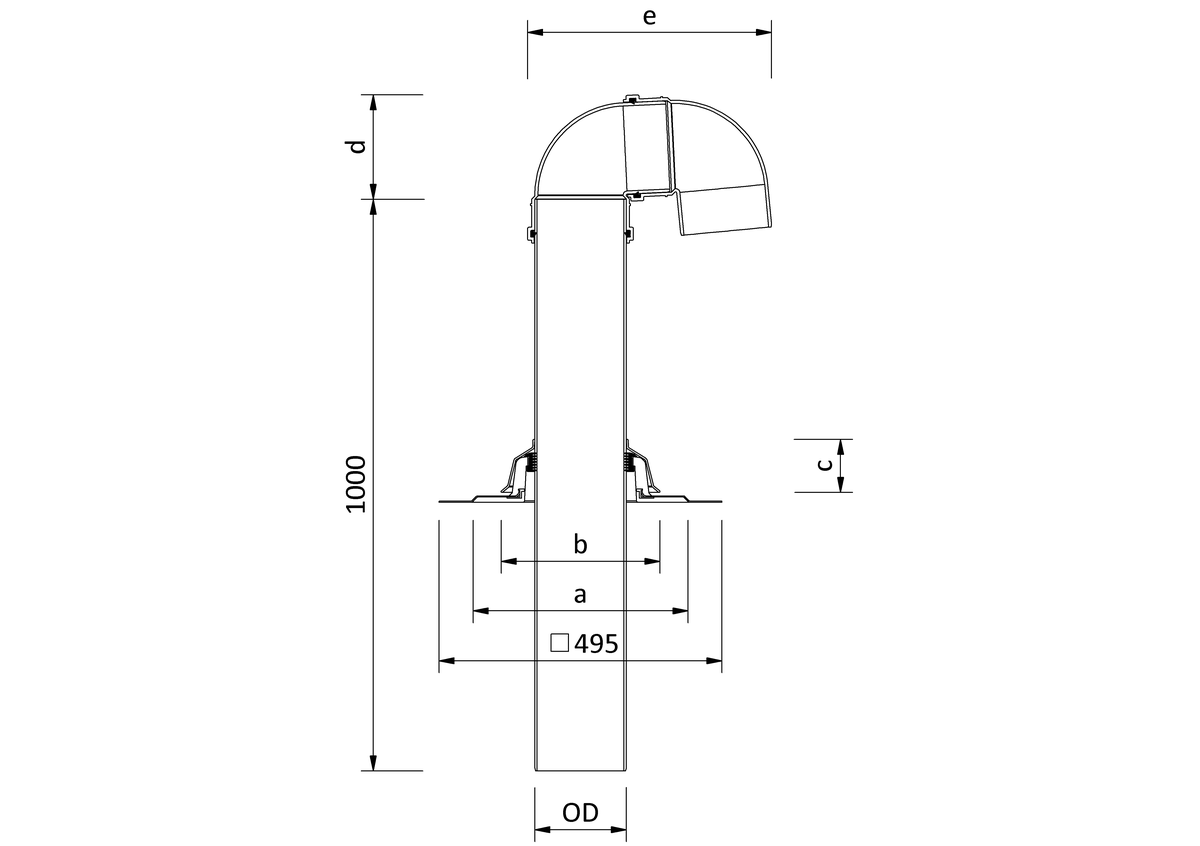
| Nennweite DN | Außendurchmesser OD (mm) | Durchbruch / Kernbohrung (mm) | a (mm) | b (mm) | c (mm) | d (mm) | e (mm) |
|---|---|---|---|---|---|---|---|
| 150 | 160 | 220 | 376 | 278 | 93 | 183 | 427 |
| 100 | 110 | 170 | 340 | 228 | 90 | 138 | 314 |
Leistungstext
Einbaubeispiele
MultiCAD und BIM-DatenAUSSCHREIBEN.DE
Downloads
Artikelauswahl
SitaVent Rohrdurchführung, aus Polyurethan, in den Nennweiten DN 100 oder DN 150. Mit fest eingeschäumter Wunschanschlussmanschette (495 mm x 495 mm) passend zur Dachabdichtung. Komplett inklusive siebenlippigem Dichtring, Gleitmittel, mit zwei abnehmbaren 87,3°-Bögen aus Polypropylen und Abweiser aus Polyamid, liefern und fachgerecht einbauen.
SitaVent Rohrdurchführung im nicht belüfteten Dachaufbau
SitaVent Rohrdurchführung bestehend aus:
1.1 Grundplatte
1.2 Regenabweiser
1.3 Dichtring
1.4 Anschlussrohr
1.5 Rohrbogen
2 SitaVent Dampfsperrkappe
3 SitaMore Verstärkungsblech
SitaVent Grundplatte bestehend aus:
4.1 Grundplatte
4.2 Dichtring
1.1 Grundplatte
1.2 Regenabweiser
1.3 Dichtring
1.4 Anschlussrohr
1.5 Rohrbogen
2 SitaVent Dampfsperrkappe
3 SitaMore Verstärkungsblech
SitaVent Grundplatte bestehend aus:
4.1 Grundplatte
4.2 Dichtring
Nicht belüfteter Dachaufbau nach den aaRdT mit:
- Abdichtung
- Wärmedämmung
- Dampfsperre
- Unterkonstruktion
SitaVent Rohrdurchführung im Umkehrdach mit Dachbegrünung
SitaVent Rohrdurchführung bestehend aus:
1.1 Grundplatte mit Wunschanschlussmanschette
1.2 Regenabweiser
1.3 Dichtring
1.4 Anschlussrohr
1.5 Rohrbogen
2 SitaVent Dampfsperrkappe
SitaVent Grundplatte bestehend aus:
3.1 Grundplatte mit Wunschanschlussmanschette
3.2 Dichtring
1.1 Grundplatte mit Wunschanschlussmanschette
1.2 Regenabweiser
1.3 Dichtring
1.4 Anschlussrohr
1.5 Rohrbogen
2 SitaVent Dampfsperrkappe
SitaVent Grundplatte bestehend aus:
3.1 Grundplatte mit Wunschanschlussmanschette
3.2 Dichtring
Nicht belüfteter Dachaufbau nach den aaRdT mit:
- Dachbegrünung nach Systemanbieter
- Filtervlies
- Drainage
- wasserableitende Trennlage
- XPS Wärmedämmung
- Abdichtung
- Unterkonstruktion
Damit die externen Inhalte an dieser Stelle
angezeigt werden können, müssen Sie die
Cookies der Kategorie „Präferenzen“
akzeptieren.
Sie können die Cookie-Einstellungen hier anpassen.
Sie können die Cookie-Einstellungen hier anpassen.
Damit die externen Inhalte an
dieser Stelle angezeigt werden
können, müssen Sie die Cookies
der Kategorie „Präferenzen“
akzeptieren.
Sie können die Cookie-Einstellungen hier anpassen.
Sie können die Cookie-Einstellungen hier anpassen.
Gewünschte Anschlussmanschette nicht gefunden? Wir helfen gerne weiter +49 2522 - 83 40-140!
+













