SitaEasy Go
Attikagully
- Produkte
SitaEasy Go
Attikagully
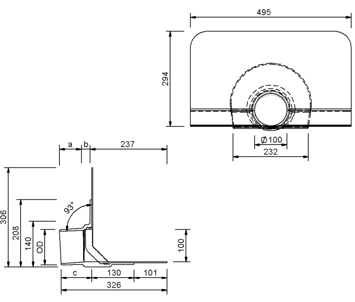
| Nennweite DN | Außendurchmesser OD (mm) | Durchbruch / Kernbohrung (mm) | a (mm) | b (mm) | c (mm) |
|---|---|---|---|---|---|
| 70 | 75 | 135 | 55 | 63 | 120 |
| 100 | 110 | 170 | 68 | 27 | 95 |
Leistungstext
Abflussmenge
Abflussmenge nach DIN EN 1253-2 in l/s
Abflussmenge nach DIN EN 1253-2 mit 4 Meter Fallleitung in l/s
Hier finden Sie eine Übersicht über alle verfügbaren Abflussmengen.
Einbaubeispiele
MultiCAD und BIM-DatenAUSSCHREIBEN.DE
Downloads
PDF SitaEasy_Go_fuer_die_Notentwaesserung_erhoeht_eingebaut_im_nicht_beluefteten_Dachaufbau.pdf
PDF SitaEasy_Go_fuer_die_Notentwaesserung_im_nicht_beluefteten_Dachaufbau_bei_Plattenbelag_im_Splittbett.pdf
PDF SitaEasy_Go_mit_Anstauelement_und_SitaDrain_Profilrahmen_im_nicht_beluefteten_Dachaufbau.pdf
PDF Pruefbericht_LGA_SitaEasy_SitaEasy_Go.pdf
Artikelauswahl
SitaEasy Go Attikagully, aus Polyurethan, wärmegedämmt, in den Nennweiten DN 70 und DN 100. Zum direkten Anschluss von Rohren mit Steckmuffe, mit großer eingeschäumter Bitumenmanschette (495 mm x 495 mm), abgewinkelter Festflansch mit 45° Keilausbildung zum direkten Aufschweißen von Bitumenbahnen, mit Fixierring zur zusätzlichen Sicherung der Anschlussmanschette und zur Aufnahme eines Kiesfangs, liefern und fachgerecht einbauen.
|
Stauhöhe (mm) | ||||||||||||||||||||
|---|---|---|---|---|---|---|---|---|---|---|---|---|---|---|---|---|---|---|---|---|
| Nennweite DN | 5 | 10 | 15 | 20 | 25 | 30 | 35 | 40 | 45 | 50 | 55 | 60 | 65 | 70 | 75 | 80 | 85 | 90 | 95 | 100 |
| 70 | 0.1 | 0.2 | 0.3 | 0.3 | 0.4 | 0.5 | 0.7 | 0.8 | 1 | 1.2 | 1.4 | 1.5 | 1.7 | 1.9 | 2 | 2.1 | 2.3 | 2.4 | 2.6 | 2.7 |
| 100 | 0.1 | 0.2 | 0.3 | 0.3 | 0.4 | 0.5 | 0.7 | 1 | 1 | 1.3 | 1.5 | 1.8 | 2 | 2.3 | 2.5 | 2.8 | 3 | 3.5 | 4 | 4.3 |
|
Stauhöhe (mm) | ||||||||||||||||||||
|---|---|---|---|---|---|---|---|---|---|---|---|---|---|---|---|---|---|---|---|---|
| Nennweite DN | 5 | 10 | 15 | 20 | 25 | 30 | 35 | 40 | 45 | 50 | 55 | 60 | 65 | 70 | 75 | 80 | 85 | 90 | 95 | 100 |
| 70 | 0.1 | 0.2 | 0.3 | 0.3 | 0.4 | 0.5 | 0.7 | 0.8 | 1 | 1.2 | 1.4 | 1.5 | 1.7 | 2 | 2.3 | 2.7 | 3 | 4 | 5 | 6 |
| 100 | 0.1 | 0.2 | 0.3 | 0.3 | 0.4 | 0.5 | 0.7 | 1 | 1.3 | 1.5 | 1.8 | 2 | 2.3 | 2.5 | 2.8 | 3 | 3.3 | 3.7 | 4 | 4.6 |
SitaEasy Go für die Hauptentwässerung im nicht belüfteten Dachaufbau
1 SitaPipe Edelstahl Rohr
2 SitaPipe Edelstahl Rohrschelle
3 SitaPipe Edelstahl Sicherungsschelle
4 SitaPipe Edelstahl Bogen
5 SitaAttika Fassaden-Abdeckplatte
6 SitaMore Dampfsperrplatte flex
7 SitaEasy Go
SitaEasy Kiesfang bestehend aus:
8.1 Arretierung
8.2 Kiesfangkorb
2 SitaPipe Edelstahl Rohrschelle
3 SitaPipe Edelstahl Sicherungsschelle
4 SitaPipe Edelstahl Bogen
5 SitaAttika Fassaden-Abdeckplatte
6 SitaMore Dampfsperrplatte flex
7 SitaEasy Go
SitaEasy Kiesfang bestehend aus:
8.1 Arretierung
8.2 Kiesfangkorb
9 SitaPipe Edelstahl Reinigungsrohr
Nicht belüfteter Dachaufbau nach den aaRdT mit:
- Abdichtung
- Wärmedämmung
- Dampfsperre
- Unterkonstruktion
- Attikadurchbruch mit Fugenband
SitaEasy Go für die Notentwässerung erhöht eingebaut im nicht belüfteten Dachaufbau
1 SitaPipe Edelstahl Rohr
2 SitaMore Dampfsperrplatte flex
3 SitaPipe Edelstahl Sicherungsschelle
4 SitaEasy Go
SitaEasy Go Kiesfang bestehend aus:
5.1 Arretierung
5.2 Kiesfangkorb
2 SitaMore Dampfsperrplatte flex
3 SitaPipe Edelstahl Sicherungsschelle
4 SitaEasy Go
SitaEasy Go Kiesfang bestehend aus:
5.1 Arretierung
5.2 Kiesfangkorb
Nicht belüfteter Dachaufbau nach den aaRdT mit:
- Abdichtung
- Wärmedämmung
- Dampfsperre
- Unterkonstruktion
- Attikadurchbruch mit Fugenband
SitaEasy Go für die Notentwässerung im nicht belüfteten Dachaufbau bei Plattenbelag im Splittbett
1 SitaAttika Fassaden-Abdeckplatte
2 SitaPipe EdelstahlRohr
3 SitaMore Dampfsperrplatte flex
4 SitaPipe Edelstahl Sicherungsschelle
5 SitaEasy Go
SitaDrain® Terra bestehend aus:
6.1 Rahmen
6.2 Revisionsrost
6.3 höheneinstellbaren Gummifüßen
7 SitaDrain® Kiesleiste
2 SitaPipe EdelstahlRohr
3 SitaMore Dampfsperrplatte flex
4 SitaPipe Edelstahl Sicherungsschelle
5 SitaEasy Go
SitaDrain® Terra bestehend aus:
6.1 Rahmen
6.2 Revisionsrost
6.3 höheneinstellbaren Gummifüßen
7 SitaDrain® Kiesleiste
Nicht belüfteter Dachaubau mit Plattenbelag im Splittbett nach den aaRdT mit:
- Plattenbelag
- Splittbett
- Filtervlies
- Flächendrainage
- Bautenschutzmatte
- Abdichtung
- Wärmedämmung
- Dampfsperre
- Unterkonstruktion
- Attikadurchbruch mit Fugenband
SitaEasy Go mit SitaEasy Go Anstauelement und SitaDrain Profilrahmen im nicht belüfteten Dachaufbau mit Plattenbelag
1 SitaAttika Fassaden-Abdeckplatte
2 SitaMore Dichtmanschette für WDVS
3 SitaPipe Edelstahl Rohr
4 SitaMore Dampfsperrplatte flex
5 SitaPipe Edelstahl Rohrschelle
SitaEasy Go Anstauelement bestehend aus:
6.1 Dichtung
6.2 Anstauelement Grundkörper
7 SitaEasy Go
SitaDrain Profilrahmen bestehend aus:
8.1 Gitterrost
8.2 Profilrahmen
2 SitaMore Dichtmanschette für WDVS
3 SitaPipe Edelstahl Rohr
4 SitaMore Dampfsperrplatte flex
5 SitaPipe Edelstahl Rohrschelle
SitaEasy Go Anstauelement bestehend aus:
6.1 Dichtung
6.2 Anstauelement Grundkörper
7 SitaEasy Go
SitaDrain Profilrahmen bestehend aus:
8.1 Gitterrost
8.2 Profilrahmen
Dachaufbau nach den aaRdT mit:
- Plattenbelag auf Stelzlager
- Bautenschutzmatte
- Abdichtung
- Wärmedämmung
- Dampfsperre
- Unterkonstruktion
Damit die externen Inhalte an dieser Stelle
angezeigt werden können, müssen Sie die
Cookies der Kategorie „Präferenzen“
akzeptieren.
Sie können die Cookie-Einstellungen hier anpassen.
Sie können die Cookie-Einstellungen hier anpassen.
Damit die externen Inhalte an
dieser Stelle angezeigt werden
können, müssen Sie die Cookies
der Kategorie „Präferenzen“
akzeptieren.
Sie können die Cookie-Einstellungen hier anpassen.
Sie können die Cookie-Einstellungen hier anpassen.
Einbaubeispiele
PDF SitaEasy_Go_fuer_die_Hauptentwaesserung_im_nicht_beluefteten_Dachaufbau.pdfPDF SitaEasy_Go_fuer_die_Notentwaesserung_erhoeht_eingebaut_im_nicht_beluefteten_Dachaufbau.pdf
PDF SitaEasy_Go_fuer_die_Notentwaesserung_im_nicht_beluefteten_Dachaufbau_bei_Plattenbelag_im_Splittbett.pdf
PDF SitaEasy_Go_mit_Anstauelement_und_SitaDrain_Profilrahmen_im_nicht_beluefteten_Dachaufbau.pdf
Zertifizierungen & Gutachten
PDF EPD-Kiwa-EE-182631-DE.pdfPDF Pruefbericht_LGA_SitaEasy_SitaEasy_Go.pdf
| SitaEasy Go | Artikel Nr. | |||
|---|---|---|---|---|
| DN 70 | Bitumen-Manschette | 183600 | Zum Produkt | |
| DN 100 | Bitumen-Manschette | 183800 | Zum Produkt |
Gewünschte Anschlussmanschette nicht gefunden? Wir helfen gerne weiter +49 2522 - 83 40-140!
+













