SitaDSS Fireguard®
Brandschutzgully
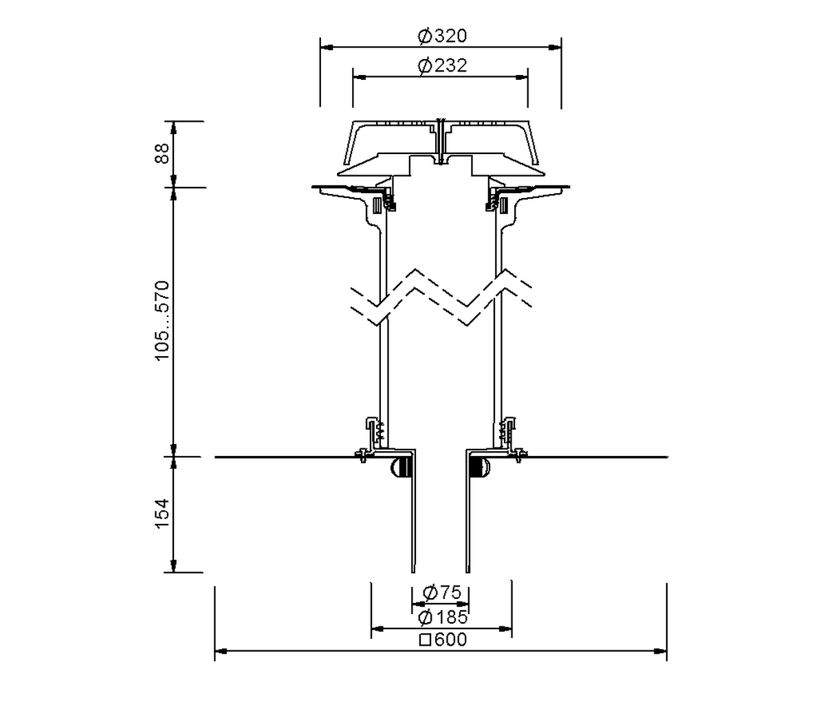
| Nennweite DN | Außendurchmesser OD (mm) | Durchbruch / Kernbohrung (mm) | Aussparungsmaß (mm x mm) | Überbrückung der Wärmedämmung min. (mm) | Überbrückung der Wärmedämmung max. (mm) |
|---|---|---|---|---|---|
| 70 | 75 | 185 | 150 x 150 | 105 | 570 |
SitaDSS Fireguard® Schraubflansch mit Airstop für den vorbeugenden Brandschutz und zur Verhinderung einer Brandweiterleitung von unten bei kleinen Durchdringungen nach DIN 18234 Teil 3 u. 4, zweiteilig, bestehend aus: PE-Grundkörper, Kragen zur Fixierung am Verstärkungsblech und zum Einklemmen der Dampfsperre, nach DIN EN 1253-2. Inklusive Aufstockelement für Dämmstoffstärken von 105 mm bis 570 mm aus PUR mit Schraubflansch-Konstruktion und Kiesfang mit Airstop. Zum direkten Anschluss an PE-Rohre (Stumpfschweißung oder mit Elektroschweißmuffe), zur Druckströmungsentwässerung, mit Dichtmanschette und Verstärkungsblech nach DIN EN 1090-4, mit vormontierter Brandschutzmanschette, komplett liefern und fachgerecht einbauen.
|
Stauhöhe (mm) | ||||||||||||||||||||
|---|---|---|---|---|---|---|---|---|---|---|---|---|---|---|---|---|---|---|---|---|
| Nennweite DN | 5 | 10 | 15 | 20 | 25 | 30 | 35 | 40 | 45 | 50 | 55 | 60 | 65 | 70 | 75 | 80 | 85 | 90 | 95 | 100 |
| 70 | 0.7 | 1.6 | 2.5 | 3.5 | 4.5 | 6.1 | 7.6 | 11.8 | 16 | 16.6 | 17.2 | 17.3 | 17.4 | 17.5 | 17.5 | 17.5 | 17.5 | 17.5 | 17.5 | 17.5 |
SitaDSS Fireguard® im nicht belüfteten Dachaufbau
1.1 Verstärkungsblech
1.2 Dichtmanschette
1.3 Bohrschraube
1.4 Dichtung
1.5 Brandschutzmanschette
1.6 PE-Grundkörper
1.7 Aufstockelement
1.8 Kiesfang
1.9 Airstop
1.10 Airstop Befestigungsring
2 SitaPipe PE-Rohr
3 SitaDSS Rail Montageschiene
4 SitaDSS Rail Aufhängung starr
5 SitaDSS Clamp Befestigungseinheit
6 SitaPipe PE Elektroschweißmuffe
7 SitaPipe PE Abzweig 45°
8 SitaPipe PE Bogen 88,5°
9 SitaPipe PE Reduzierstück
- Abdichtung
- Wärmedämmung nicht brennbar, min. 1,0 m x 1,0 m
- Dampfsperre
- Nicht brennbare Profilfüller
- Stahltrapezprofil
Sie können die Cookie-Einstellungen hier anpassen.
Sie können die Cookie-Einstellungen hier anpassen.
Technische Zeichnungen
PDF TechnischeZeichnung_F302499_de.pdfDWG TZ_DB_SitaDSS_Fireguard_550_Schraubflansch.DWG
| SitaDSS Fireguard® | Artikel Nr. | ||||
|---|---|---|---|---|---|
Schraubflansch mit Airstop | |||||
| DN 70 | Schraubflansch | 550 mm | F302499 | Zum Produkt |













