SitaDSS Indra
Notentwässerungsgully
- Produkte
SitaDSS Indra
Notentwässerungsgully
| Nennweite DN | Außendurchmesser OD (mm) |
|---|---|
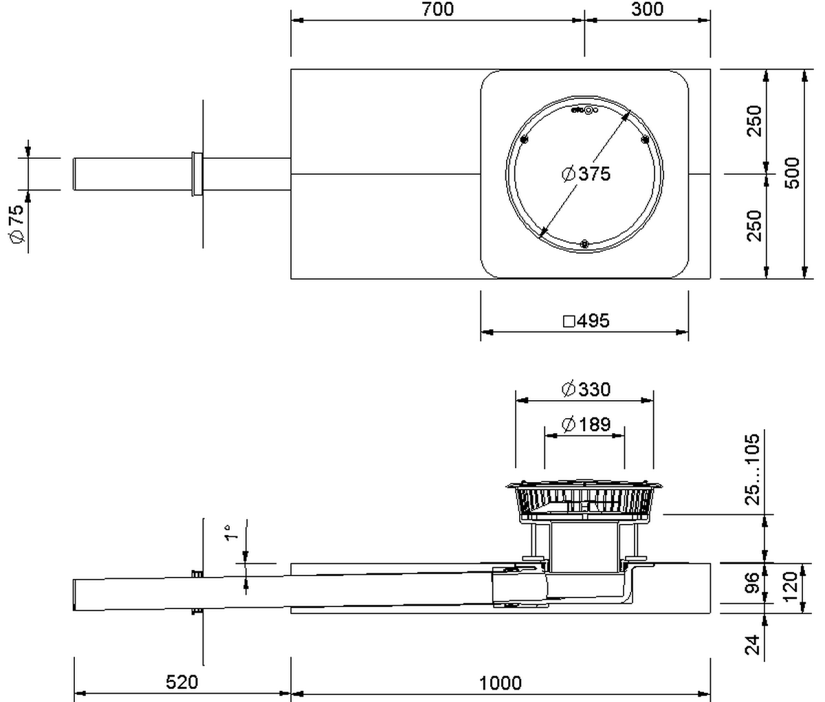
| 70 | 75 |
SitaDSS Indra Notentwässerungsset zur Druckströmungsentwässerung, mit abgewinkeltem Attikagully, aus Polyurethan, wärmegedämmt, nach DIN EN 1253-2, in der Nennweite DN 70, Abflussmenge 17,3 l/s bei 45 mm Stauhöhe, mit Anschlussrohr und Sicherungsschellen aus Edelstahl, Dampfsperrplatte flex zum sicheren Anschluss an die Dampfsperre und zweiteiligem Dämmkörper aus Mineralwolle mit einer Wärmeleitfähigkeit lambda=0,040 W/mK und einer Druckfestigkeit von 70 kPa. Mit großer eingeschäumter Wunschanschlussmanschette (495 x 495 mm) passend zur Dachabdichtung und mit Fixierring zur zusätzlichen Sicherung der Anschlussmanschette und zur Aufnahme des beiliegenden Anstauelements mit Airstop und Dichtring. Komplett als Set mit 2,0 m (1 Rohr á 2.000 mm), 3,0 m (1 Rohr á 1.000 mm + 1 Rohr á 2.000 mm), oder 4,0 m Fallleitung (2 Rohre á 2.000 mm) inklusive Rohrschellen, liefern und fachgerecht einbauen.
|
Stauhöhe (mm) | ||||||||||||||||||||
|---|---|---|---|---|---|---|---|---|---|---|---|---|---|---|---|---|---|---|---|---|
| Ausführung | 5 | 10 | 15 | 20 | 25 | 30 | 35 | 40 | 45 | 50 | 55 | 60 | 65 | 70 | 75 | 80 | 85 | 90 | 95 | 100 |
| 2,0 Meter | 0.9 | 2.1 | 3.3 | 5.2 | 7 | 10 | 12.9 | 12.9 | 12.9 | 12.9 | 12.9 | 12.9 | 12.9 | 12.9 | 12.9 | 12.9 | 12.9 | 12.9 | 12.9 | 12.9 |
| 3,0 Meter | 0.9 | 2.1 | 3.3 | 5.2 | 7.1 | 10.6 | 14 | 15.7 | 15.7 | 15.7 | 15.7 | 15.7 | 15.7 | 15.7 | 15.7 | 15.7 | 15.7 | 15.7 | 15.7 | 15.7 |
| 4,0 Meter | 0.9 | 2.1 | 3.3 | 5.2 | 7.1 | 10.6 | 14 | 15.7 | 17.3 | 17.3 | 17.3 | 17.3 | 17.3 | 17.3 | 17.3 | 17.3 | 17.3 | 17.3 | 17.3 | 17.3 |
SitaDSS Indra Notentwässerungsset mit Fallleitung im nicht belüfteten Dachaufbau
1.1 SitaPipe Edelstahl Rohr
1.2 SitaPipe Edelstahl Rohrschelle
1.3 SitaPipe Edelstahl Sicherungsschelle
1.4 SitaPipe Edelstahl Bogen 87,5°
1.5 SitaMore Dampfsperrplatte flex
1.6 SitaIndra Dämmkörper
1.7 SitaPipe Edelstahl Rohr
1.8 SitaDSS Indra Grundkörper
1.9 Anstauelement mit Airstop
1.10 Dichtring
2 SitaPipe Edelstahl Sicherungsschelle
3 SitaPipe Edelstahl Bogen 45°
- Abdichtung
- Wärmedämmung
- Dampfsperre
- Unterkonstruktion
- Attikadurchbruch mit Fugenband
Sie können die Cookie-Einstellungen hier anpassen.
Sie können die Cookie-Einstellungen hier anpassen.
Zertifizierungen & Gutachten
PDF Pruefbericht_LGA_SitaIndra_SitaDSS_Indra.pdfPDF EPD-Kiwa-EE-182631-DE.pdf
Gewünschte Anschlussmanschette nicht gefunden? Wir helfen gerne weiter +49 2522 - 83 40-140!













