SitaVent Revision
Lüftung
- Produkte
SitaVent Revision
Lüftung
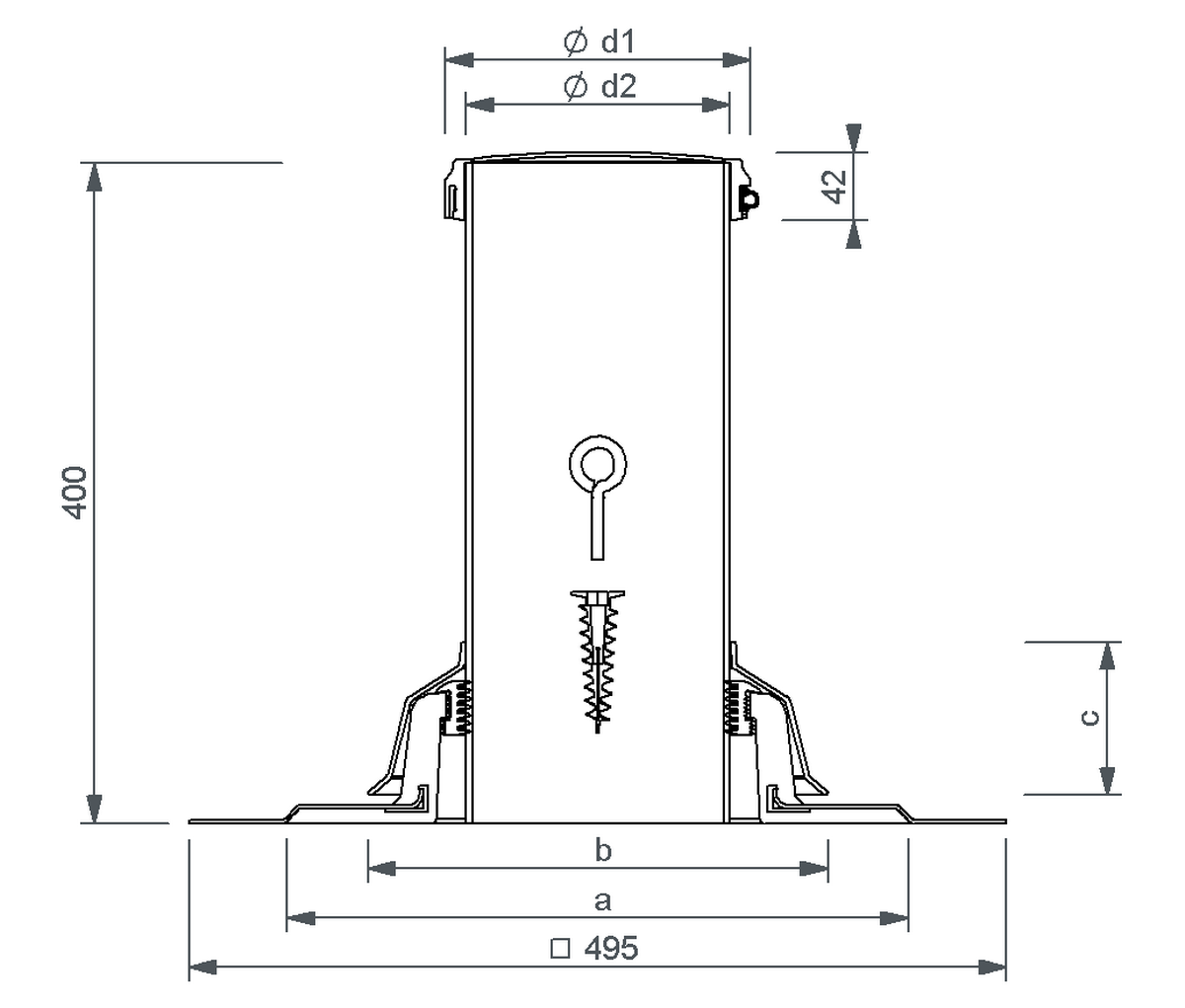
| Nennweite DN | Außendurchmesser OD (mm) | a (mm) | b (mm) | c (mm) | d1 (mm) | d2 (mm) |
|---|---|---|---|---|---|---|
| 150 | 160 | 376 | 278 | 93 | 185 | 160 |
| 100 | 110 | 340 | 227 | 90 | 135 | 110 |
Leistungstext
Einbaubeispiele
AUSSCHREIBEN.DE
Downloads
Artikelauswahl
SitaVent Revision mit Grundplatte aus Polyurethan, in den Nennweiten DN 100 oder DN 150, mit fest eingeschäumter Wunschanschlussmanschette (495 mm x 495 mm) passend zur Dachabdichtung. Komplett inklusive siebenlippigem Dichtring, Gleitmittel, 400 mm langem PE-Rohr, Regenabweiser und Dampfsperrkappe aus EPDM mit verschraubbarer Befestigung, Dämmstoffdübel und Ringschraube zum Herstellen eines herausnehmbaren Dämmkerns, liefern und fachgerecht einbauen.
SitaVent Revision im nicht belüfteten Dachaufbau
SitaVent Revision bestehend aus:
1 Grundplatte
2 Dichtring
3 Regenanbweiser
4 PE-Rohr
5 Dämmstoffdübel
6 Ringschraube
7 Dampfsperrkappe
1 Grundplatte
2 Dichtring
3 Regenanbweiser
4 PE-Rohr
5 Dämmstoffdübel
6 Ringschraube
7 Dampfsperrkappe
Nicht belüfteter Dachaufbau nach den aaRdT mit:
- Abdichtung
- Wärmedämmung
- Dampfsperre
- Unterkonstruktion
SitaVent Revision mit SitaVent Revision Dämmkörper
SitaVent Revision Dämmkörper bestehend aus:
1.1 Dämmkörper
1.2 Dämmkern
SitaVent Revision bestehend aus:
2.1 Dämmstoffdübel
2.2 Ringschraube
2.3 Dampfsperrkappe
2.4 PE-Rohr
2.5 Dichtring
2.6 Regenabweiser
2.7 Grundplatte
1.1 Dämmkörper
1.2 Dämmkern
SitaVent Revision bestehend aus:
2.1 Dämmstoffdübel
2.2 Ringschraube
2.3 Dampfsperrkappe
2.4 PE-Rohr
2.5 Dichtring
2.6 Regenabweiser
2.7 Grundplatte
Nicht belüfteter Dachaufbau nach den aaRdT mit:
- Abdichtung
- Wärmedämmung
- Dampfsperre
- Unterkonstruktion
Damit die externen Inhalte an
dieser Stelle angezeigt werden
können, müssen Sie die Cookies
der Kategorie „Präferenzen“
akzeptieren.
Sie können die Cookie-Einstellungen hier anpassen.
Sie können die Cookie-Einstellungen hier anpassen.
Gewünschte Anschlussmanschette nicht gefunden? Wir helfen gerne weiter +49 2522 - 83 40-140!
+












