SitaMulti
Freispiegelgully
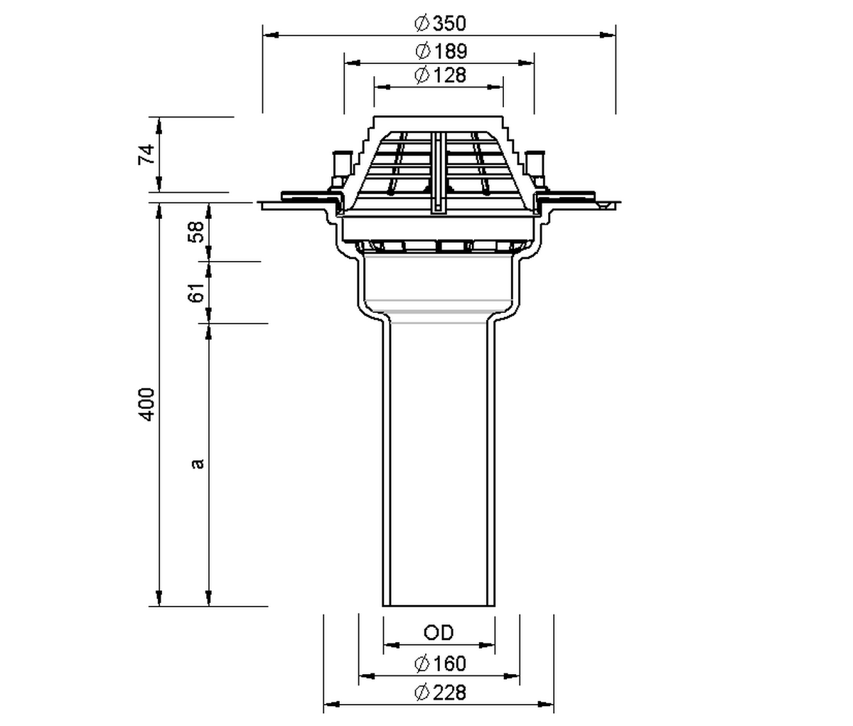
| Nennweite DN | Außendurchmesser OD (mm) | Durchbruch / Kernbohrung (mm) | a (mm) |
|---|---|---|---|
| 125 | 135 | 250 | 286 |
| 150 | 160 | 250 | 343 |
| 80 | 83 | 250 | 277 |
| 100 | 110 | 250 | 280 |
SitaMulti Brandschutzgully, senkrecht, aus Gusseisen, Werkstoff EN-GJL-200, nach DIN EN 1253-2, in den Nennweiten DN 80, DN 100, DN 125 und DN 150. Zum direkten Anschluss an SML-Rohre, zur Freispiegelentwässerung, mit innenliegenden Stegen zur Aufnahme des Aufsatzrahmens, mit Bohrungen zur Befestigung des Dachgullys in der Unterkonstruktion, mit Sickeröffnungen, zwei Dichtmanschetten, sechs eingeschraubten Gewindestiften M12 aus Edelstahl, Unterlegscheiben, Sechskantmuttern aus Messing und Schutzkappen, mit Los-Festflansch zum Einklemmen von Bitumen-, Kunststoff- oder Kautschukbahnen, komplett inklusive Kiesfang liefern und fachgerecht einbauen.
|
Stauhöhe (mm) | ||||||||||||||||||||
|---|---|---|---|---|---|---|---|---|---|---|---|---|---|---|---|---|---|---|---|---|
| Nennweite DN | 5 | 10 | 15 | 20 | 25 | 30 | 35 | 40 | 45 | 50 | 55 | 60 | 65 | 70 | 75 | 80 | 85 | 90 | 95 | 100 |
| 80 | 0.5 | 1.4 | 2.2 | 3.3 | 4.4 | 5.6 | 6.7 | 8 | 9.3 | 10.7 | 12 | 13.4 | 14.7 | 14.7 | 14.7 | 14.7 | 14.7 | 14.7 | 14.7 | 14.7 |
| 100 | 0.8 | 1.8 | 2.7 | 4.1 | 5.4 | 6.6 | 7.7 | 8.9 | 10.1 | 11.3 | 12.5 | 13.9 | 15.2 | 15.2 | 15.2 | 15.2 | 15.2 | 15.2 | 15.2 | 15.2 |
| 125 | 0.5 | 1.4 | 2.2 | 3.3 | 4.4 | 5.6 | 6.8 | 7.9 | 9 | 10.4 | 11.8 | 13.2 | 14.5 | 14.5 | 14.5 | 14.5 | 14.5 | 14.5 | 14.5 | 14.5 |
| 150 | 0.5 | 1.1 | 1.7 | 2.8 | 3.9 | 5.1 | 6.2 | 7.5 | 8.7 | 10.2 | 11.6 | 13.1 | 14.6 | 14.6 | 14.6 | 14.6 | 14.6 | 14.6 | 14.6 | 14.6 |
|
Stauhöhe (mm) | ||||||||||||||||||||
|---|---|---|---|---|---|---|---|---|---|---|---|---|---|---|---|---|---|---|---|---|
| Nennweite DN | 5 | 10 | 15 | 20 | 25 | 30 | 35 | 40 | 45 | 50 | 55 | 60 | 65 | 70 | 75 | 80 | 85 | 90 | 95 | 100 |
| 80 | 0.5 | 1.6 | 2.6 | 4 | 5.4 | 7.1 | 8.7 | 10.6 | 12.5 | 14.7 | 16.8 | 17.6 | 18.4 | 18.4 | 18.4 | 18.4 | 18.4 | 18.4 | 18.4 | 18.4 |
| 100 | 0.9 | 2.2 | 3.4 | 4.9 | 6.4 | 8.1 | 9.8 | 12.1 | 14.3 | 16.9 | 19.4 | 23.3 | 27.2 | 27.2 | 27.2 | 27.2 | 27.2 | 27.2 | 27.2 | 27.2 |
| 125 | 1 | 2.3 | 3.5 | 5 | 6.4 | 8.3 | 10.2 | 12.4 | 14.5 | 17.1 | 19.7 | 25.9 | 32.1 | 32.1 | 32.1 | 32.1 | 32.1 | 32.1 | 32.1 | 32.1 |
| 150 | 0.6 | 1.9 | 3.2 | 4.6 | 5.9 | 7.7 | 9.5 | 11.6 | 13.7 | 16.5 | 19.3 | 26.4 | 33.4 | 33.4 | 33.4 | 33.4 | 33.4 | 33.4 | 33.4 | 33.4 |
SitaMulti im nicht belüfteten Dachaufbau
2 SitaMulti Dämmkörper Aufstockelement
SitaMulti Aufstockelement bestehend aus:
3.1 Schraubflansch, Muttern, Unterlegscheiben und Dichtmanschetten
3.2 Dichtring
3.3 Grundkörper
SitaMulti bestehend aus:
4.1 Grundkörper
4.2 Kiesfang
4.3 Schraubflansch, Muttern, Unterlegscheiben und Dichtmanschetten
5 SitaMulti Dämmkörper Gully
6 SitaMulti Dämmkörper Ausgleichsring
- Abdichtung
- Wärmedämmung
- Dampfsperre
- Unterkonstruktion
SitaMulti mit SitaMulti Aufsatzrahmen im nicht belüfteten Dachaufbau
SitaMulti Aufsatzrahmen bestehend aus:
2.1 Stützring
2.2 Aufsatz mit verschraubtem Endrost
3 SitaMulti Höhenausgleichsstück
SitaMulti Aufstockelement bestehend aus:
4.1 Grundkörper
4.2 Schraubflansch, Muttern, Unterlegscheiben und Dichtmanschetten
4.3 Dichtring
SitaMulti bestehend aus:
5.1 Schraubflansch, Muttern, Unterlegscheiben und Dichtmanschetten
5.2 Grundkörper
6 SitaMulti Dämmkörper Ausgleichsring
7 SitaMulti Dämmkörper Gully
- Plattenbelag
- Stelzlager
- Bautenschutzmatte
- Abdichtung
- Wärmedämmung
- Gefälleestrich
- Dampfsperre
- Unterkonstruktion
SitaMulti mit SitaMore Anstauelement für die Notentwässerung im nicht belüfteten Dachaufbau
SitaMulti Aufstockelement bestehend aus:
2.1 Schraubflansch, Muttern, Unterlegscheiben und Dichtmanschetten
2.2 Dichtring
2.3 Grundkörper
SitaMore Anstauelement bestehend aus:
3.1 Grundkörper
3.2 Dichtring
3.3 Geschlossener Deckel
3.4 höhenverstellbare Gummimetallpuffer
SitaMulti bestehend aus:
4.1 Schraubflansch, Muttern, Unterlegscheiben und Dichtmanschetten
4.2 Grundkörper
5 SitaMulti Dämmkörper Ausgleichsring
6 SitaMulti Dämmkörper Gully
- Abdichtung
- Wärmedämmung
- Dampfsperre
- Unterkonstruktion
SitaMulti mit SitaStandard Aufstockelement im nicht belüfteten Dachaufbau
1.1 Schraubflansch, Muttern, Unterlegscheiben und Dichtmanschetten
1.2 Kiesfang
1.3 Grundkörper
SitaStandard Aufstockelement bestehend aus:
2.1 Grundkörper
2.2 Dichtring
3 SitaMulti Dämmkörper Gully
4 SitaMulti Dämmkörper Ausgleichsring
- Abdichtung
- Wärmedämmung
- Dampfsperre
- Unterkonstruktion
SitaMulti mit SitaMulti Höhenausgleichsstück und Aufsatzrahmen im befahrbaren Parkdeck
1.1 Grundkörper
1.2 Schraubflansch, Muttern, Unterlegscheiben und Dichtmanschetten
2 SitaMulti Höhenausgleichsstück
SitaMulti Aufsatzrahmen bestehend aus:
3.1 Stützring
3.2 Aufsatz
3.3 Endrost
- Betonplatten
- Schutzestrich
- Bautenschutzmatte
- Abdichtung
- Unterkonstruktion
Sie können die Cookie-Einstellungen hier anpassen.
Sie können die Cookie-Einstellungen hier anpassen.
AutoCAD
DWG EB_SitaMulti_im_nicht_beluefteten_Dachaufbau.DWGDWG EB_SitaMulti_mit_SitaMulti_Aufsatzrahmen_im_nicht_beluefteten_Dachaufbau_mit_Platten_auf_Stelzlager.DWG
DWG EB_SitaMulti_mit_Anstauelement_NE_im_nicht_beluefteten_Dachaufbau_F90.DWG
DWG EB_SitaMulti_mit_SitaStandard_Aufstockelement_im_nicht_beluefteten_Dachaufbau_F90.DWG
DWG EB_SitaMulti_mit_Aufsatzrahmen_und_Hoehenausgleichstueck_im_befahrbaren_Parkdeck.DWG
Einbaubeispiele
PDF SitaMulti_im_nicht_beluefteten_Dachaufbau.pdfPDF SitaMulti_mit_SitaMulti_Aufsatzrahmen_im_nicht_beluefteten_Dachaufbau.pdf
PDF SitaMulti_mit_SitaMore_Anstauelement_fuer_die_Notentwaesserung_im_nicht_beluefteten_Dachaufbau.pdf
PDF SitaMulti_mit_SitaStandard_Aufstockelement_im_nicht_beluefteten_Dachaufbau.pdf
PDF SitaMulti_mit_SitaMulti_Hoehenausgleichsstueck_und_Aufsatzrahmen_im_befahrbaren_Parkdeck.pdf
Technische Zeichnungen
PDF TechnischeZeichnung_400399_de.pdfPDF TechnischeZeichnung_400499_de.pdf
PDF TechnischeZeichnung_400699_de.pdf
PDF TechnischeZeichnung_400899_de.pdf
DWG TZ_DB_SitaMulti_Senkrecht_DN100.DWG
DWG TZ_DB_SitaMulti_Senkrecht_DN125.DWG
DWG TZ_DB_SitaMulti_Senkrecht_DN150.DWG
DWG TZ_DB_SitaMulti_Senkrecht_DN80.DWG
| SitaMulti | Artikel Nr. | ||
|---|---|---|---|
senkrecht | |||
| DN 80 | 400399 | Zum Produkt | |
| DN 100 | 400499 | Zum Produkt | |
| DN 125 | 400699 | Zum Produkt | |
| DN 150 | 400899 | Zum Produkt |













